Kenmore Elite
Bottom-Mount Refrigerator

Model #59678582803 Official Kenmore Elite refrigerator

Here are the diagrams and repair parts for Kenmore Elite 59678582803 refrigerator, as well as links to manuals and error code tables, if available.

There are a couple of ways to find the part or diagram you need:

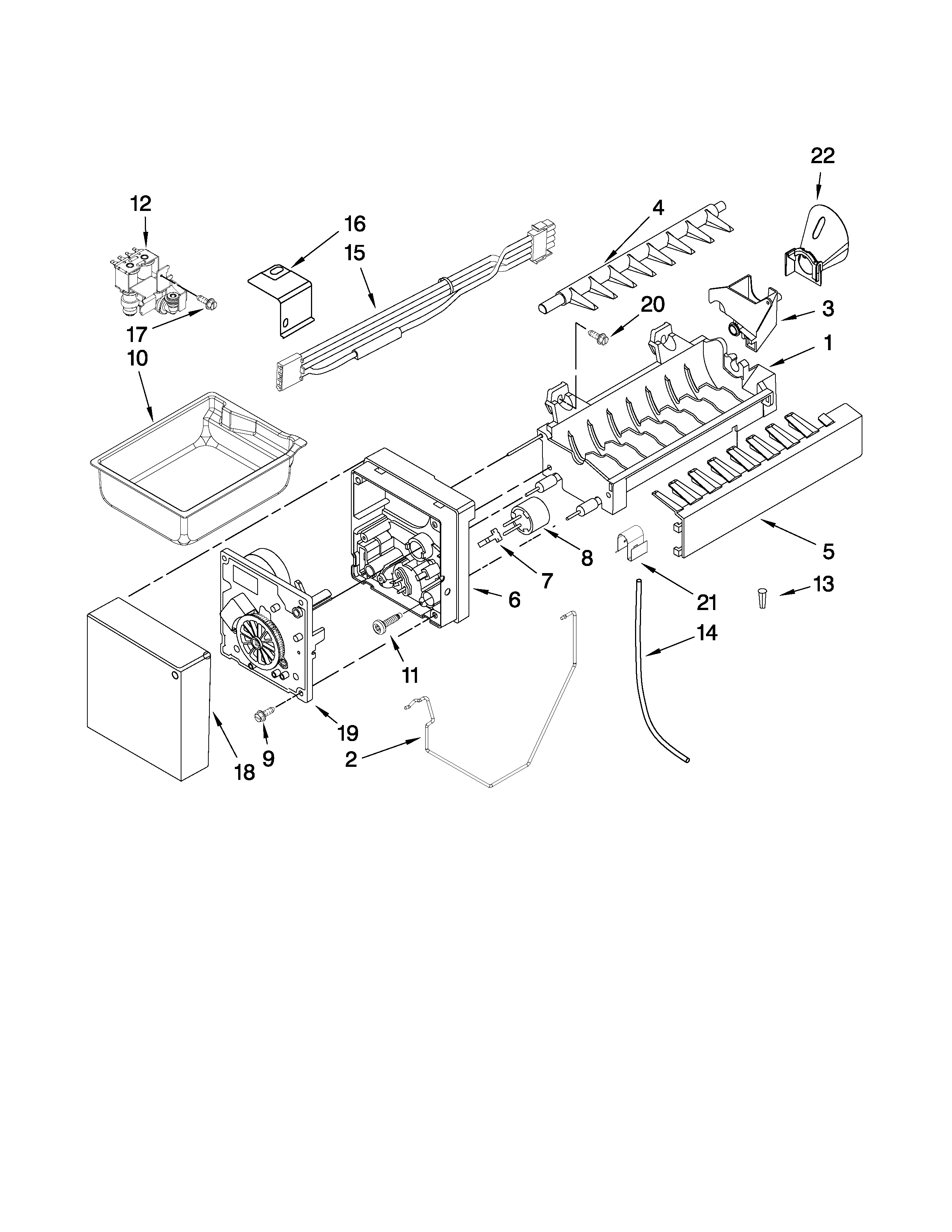
  • Click a diagram to see the parts shown on that diagram.
  • In the search box below, enter all or part of the part number or the part’s name.

Not all parts are shown on the diagrams—those parts are labeled NI, for “not illustrated”.

We encourage you to save the model to your profile, so it’s easy to access parts and manuals for your appliance whenever you log in.

For DIY troubleshooting advice and repair guides, visit our repair help section.

Owner’s manualError Codes

Showing 10 of 250 parts

Appliance Light Bulb, 40-watt (replaces 40A15-2PK, 60A, 60A15RVL, STD398091, WR02X12328, WX12X1510)

See All Related Diagrams

Bulb-light

Part #W10194422V
Replaced by #40A15
?
Manufacturer substitution
This part replaces W10194422V. Substitute parts can look different from the original.
BEST SELLER
In Stock
$7.52 | 
12% OFF 
Phone Price: $8.52
Refrigerator Pantry Drawer End Cap Set (replaces 12656010, 12656019, 12656104, 12656106, 2206764W, 2301455W, W10845508, W10845509, W10870281, WP12656022, WP12656023)#16

Shelf parts Diagram

Refrigerator end cap

Part #12656106
Replaced by #W10874836
?
Manufacturer substitution
This part replaces 12656106. Substitute parts can look different from the original.
BEST SELLER
In Stock
$28.61 | 
15% OFF 
Phone Price: $33.61
Refrigerator Pantry Drawer End Cap Set (replaces 12656010, 12656019, 12656104, 12656106, 2206764W, 2301455W, W10845508, W10845509, W10870281, WP12656022, WP12656023)#16A

Shelf parts Diagram

Refrigerator pantry drawer end cap

Part #12656019
Replaced by #W10874836
?
Manufacturer substitution
This part replaces 12656019. Substitute parts can look different from the original.
BEST SELLER
In Stock
$28.61 | 
15% OFF 
Phone Price: $33.61
Refrigerator Pantry Drawer Door (replaces 12656813, 67005903)#31

Shelf parts Diagram

Refrigerator pantry drawer door

Part #12656813
Replaced by #W10827015
?
Manufacturer substitution
This part replaces 12656813. Substitute parts can look different from the original.
BEST SELLER
Back Order
$95.31 | 
21% OFF 
MSRP: $120.00
Refrigeration Appliance Run Capacitor (replaces W10662129)#5

Unit parts Diagram

Refrigerator run capacitor

Part #2264017
Replaced by #WPW10662129
?
Manufacturer substitution
This part replaces 2264017. Substitute parts can look different from the original.
BEST SELLER
In Stock
$51.92 | 
9% OFF 
Phone Price: $56.92
Refrigerator Door Switch (replaces 12002646, W10847849)#16

Freezer liner parts Diagram

Light swit

Part #12466105
Replaced by #W11396033
?
Manufacturer substitution
This part replaces 12466105. Substitute parts can look different from the original.
BEST SELLER
In Stock
$21.68 | 
19% OFF 
Phone Price: $26.68
Appliance Touch-Up Paint, 0.6-oz (White) (replaces 21020, 72017R, 8006, W10813125, Y058028)#NI

Optional parts (not included) Diagram

In Stock
$8.29 | 
11% OFF 
Phone Price: $9.29
Refrigerator Door Gasket (White) (replaces 67003546, W10443221)#8

Refrigerator door parts Diagram

Refrigerator gasket panel (white)

Part #W10163894
Replaced by #W10571959
?
Manufacturer substitution
This part replaces W10163894. Substitute parts can look different from the original.
BEST SELLER
In Stock
$103.99 | 
31% OFF 
MSRP: $150.00
Refrigerator Door Bin (replaces W10371194)#12

Refrigerator door parts Diagram

Refrigerator cantilever bin

Part #12849106
Replaced by #WPW10371194
?
Manufacturer substitution
This part replaces 12849106. Substitute parts can look different from the original.
BEST SELLER
In Stock
$38.69 | 
18% OFF 
MSRP: $47.00
Refrigerator Freezer Door Gasket (Gray) (replaces W10443320)#4A

Freezer door parts Diagram

Refrigerator gasket panel

Part #W10164042
Replaced by #W10571967
?
Manufacturer substitution
This part replaces W10164042. Substitute parts can look different from the original.
BEST SELLER
In Stock
$124.49 | 
11% OFF 
MSRP: $140.00

Symptoms common to all refrigerators

Choose a symptom to see related refrigerator repairs.

Main causes: leaky door gasket, defrost system failure, evaporator fan not running, dirty condenser coils, condenser fan not running
Things to do: clean condenser coils, replace the water filter, clean the interior, adjust doors to prevent air leaks, clean the drain pan
Main causes: jammed ice cubes, broken ice maker assembly, dirty water filter, kinked water line, bad water valve, freezer not cold enough
Main causes: damaged door seal, faulty defrost sensor or bi-metal thermostat, broken defrost heater, bad defrost timer or control board
Main causes: control board or cold control failure, broken compressor start relay, compressor motor failure, defrost timer problems
Main causes: blocked air vents, compressor problems, condenser or evaporator fan not working, control system failure, sensor problems
Main causes: blocked vents, defrost system problems, evaporator fan failure, dirty condenser coils, bad sensors, condenser fan not working
Main causes: water valve leaking, frozen or broken defrost drain tube, overflowing drain pan, cracked water system tubing, leaking door seal

Repair guides common to all refrigerators

These step-by-step repair guides will help you safely fix what’s broken on your refrigerator.

July 20, 2015
Lyle Weischwill
How to clean refrigerator condenser coils

Help your refrigerator run more efficiently by cleaning the condenser coils. It's easy and takes just a few minutes.

Repair difficulty
Time required
 15 minutes or less
July 20, 2015
Lyle Weischwill
How to replace a refrigerator water valve

Replace the water valve that feeds water to the ice maker and water dispenser if it no longer controls the flow of water.

Repair difficulty
Time required
 15 minutes or less
How to replace a refrigerator temperature control board

If the temperature in your refrigerator doesn't match the temperature you set, the problem could be the temperature control board—a service technician can give you a definite diagnosis. If the board is at fault, follow these steps to replace it yourself.

Repair difficulty
Time required
 30 minutes or less

Articles and videos common to all refrigerators

Use the advice and tips in these articles and videos to get the most out of your refrigerator.

June 2, 2022

How to Remove a GE French Door Refrigerator Flipper Mullion

Lyle Weischwill

Learn how to replace the flipper mullion on a GE French door refrigerator.

April 19, 2022

How to change the water filter in an LG refrigerator

Lyle Weischwill

Get tips and advice on replacing the water filter in your LG refrigerator.

December 30, 2021

How to fix your evaporator cooling fan

Lyle Weischwill

Learn how to fix a broken evaporator fan