Kenmore
Canister Vacuum

Model #1162745584 Official Kenmore vacuum cleaner

Here are the diagrams and repair parts for Kenmore 1162745584 vacuum cleaner, as well as links to manuals and error code tables, if available.

There are a couple of ways to find the part or diagram you need:

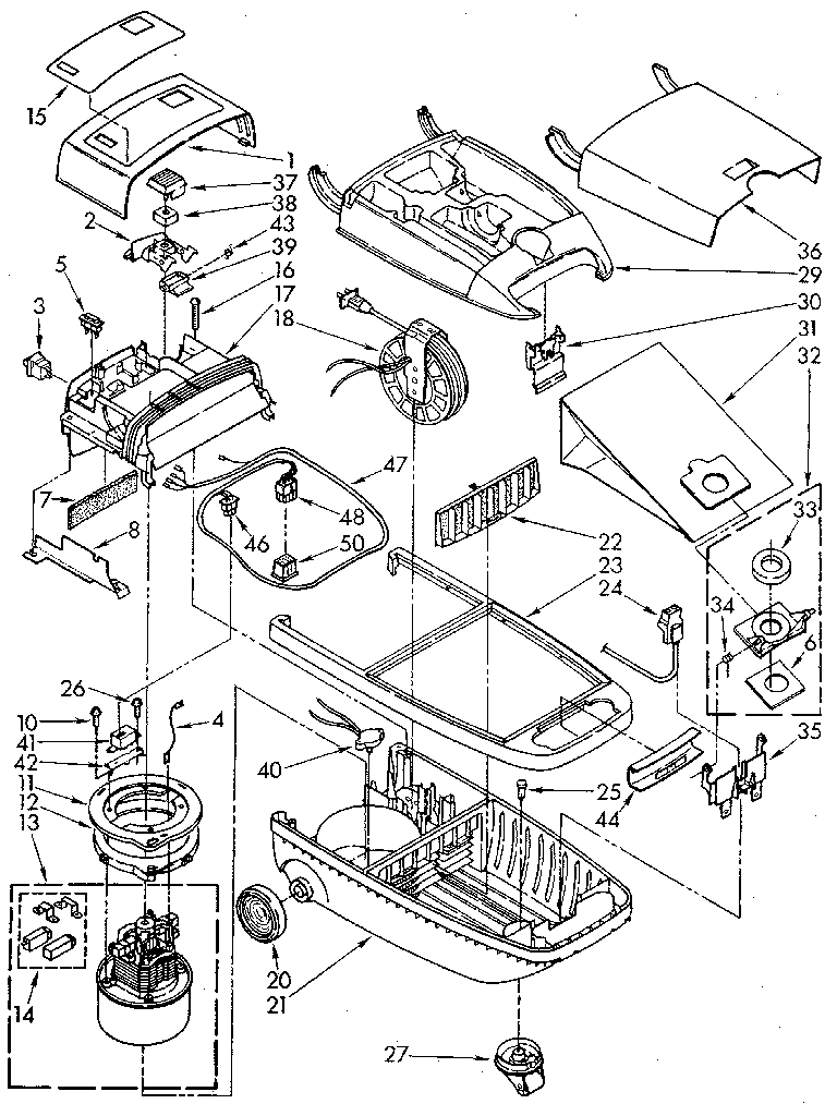
  • Click a diagram to see the parts shown on that diagram.
  • In the search box below, enter all or part of the part number or the part’s name.

Not all parts are shown on the diagrams—those parts are labeled NI, for “not illustrated”.

We encourage you to save the model to your profile, so it’s easy to access parts and manuals for your appliance whenever you log in.

For DIY troubleshooting advice and repair guides, visit our repair help section.

Showing 10 of 73 parts

Vacuum Hose#1

Hose and attachment Diagram

Hose

Part #4152649
Replaced by #4369467
?
Manufacturer substitution
This part replaces 4152649. Substitute parts can look different from the original.
BEST SELLER
In Stock
$40.99 | 
11% OFF 
Phone Price: $45.99
Vacuum Upholstery Nozzle#17

Hose and attachment Diagram

Upholstery brush

Part #4147115
Replaced by #52651
?
Manufacturer substitution
This part replaces 4147115. Substitute parts can look different from the original.
BEST SELLER
This item is not returnable
In Stock
$17.99 | 
10% OFF 
Phone Price: $19.99
Washer Lid Switch Terminal Receptacle#46

Base assembly Diagram

Connector

Part #4148552
Replaced by #WP62889
?
Manufacturer substitution
This part replaces 4148552. Substitute parts can look different from the original.
This item is not returnable
Back Order
$5.79 | 
15% OFF 
Phone Price: $6.79
Vacuum Motor Safety Filter#22

Base assembly Diagram

Filtr-sfty

Part #4152969
Replaced by #KS4152969
?
Manufacturer substitution
This part replaces 4152969. Substitute parts can look different from the original.

Get free shipping with Automatic Reorder

Back Order
$16.19 | 
11% OFF 
Phone Price: $18.19
Vacuum Bag Mount Assembly#32

Base assembly Diagram

Mounting bag

Part #4152984
Replaced by #4369956
?
Manufacturer substitution
This part replaces 4152984. Substitute parts can look different from the original.
This item is not returnable
In Stock
$4.39 | 
19% OFF 
Phone Price: $5.39
Screw#26

Base assembly Diagram

Screw

Part #680968

The manufacturer no longer makes this part, and there's no substitute part

Canopy#17

Base assembly Diagram

Canopy

Part #4147498

The manufacturer no longer makes this part, and there's no substitute part

Cord Reel#18

Base assembly Diagram

Cord reel

Part #4150946

The manufacturer no longer makes this part, and there's no substitute part

Hose Handle#6

Hose and attachment Diagram

Hose handle

Part #4152281

The manufacturer no longer makes this part, and there's no substitute part

Dust Bag#31

Base assembly Diagram

Dust bag

Part #706014

The manufacturer no longer makes this part, and there's no substitute part

Symptoms common to all vacuum cleaners

Choose a symptom to see related vacuum cleaner repairs.

Main causes: damaged vacuum hose, clogged motor air filter, bad suction motor
Main causes: broken drive belt, damaged brush roll, tripped brush roll motor overload, bad brush roll motor, wiring failure
Main causes: lack of power, bad power cord, drive motor failure, wiring failure
Main causes: weak suction motor, vacuum bag is full, clog in suction air path, dirty exhaust filter, leaky vacuum hose

Repair guides for canister vacuums

How to replace a vacuum power head ribbed drive belt

Some canister vacuums have a ribbed drive belt that spins the brush roll on a power brush attachment. If the brush roll slips, you can replace it using these instructions.

Repair difficulty
Time required
 30 minutes or less
July 1, 2013
Lyle Weischwill
How to replace a vacuum suction motor

The suction motor on a vacuum creates the draw of air at the cleaning head that picks up dirt. If the vacuum won't run, give it a new life by replacing the suction motor. These steps explain how.

Repair difficulty
Time required
 15 minutes or less
July 1, 2013
Lyle Weischwill
How to replace a vacuum beater bar

Replace the brush roll if the bristles ares worn or the cylinder is damaged.

Repair difficulty
Time required
 30 minutes or less

Articles and videos common to all vacuum cleaners

Use the advice and tips in these articles and videos to get the most out of your vacuum.

June 29, 2022

Top questions about Sears and Sears PartsDirect

Lyle Weischwill

Get answers to frequently asked questions about Sears and Sears PartsDirect.

January 5, 2015

10 must-have tools for appliance repair

Lyle Weischwill

Come see which tools made our top 10 must-haves for DIY appliance repair.

July 1, 2013

Vacuum common questions

Lyle Weischwill

Find the answers to frequently asked questions about vacuum cleaners.