Carrier
Air Handler

Model #FC4DNF042000 Official Carrier air handler

Here are the diagrams and repair parts for Carrier FC4DNF042000 air handler, as well as links to manuals and error code tables, if available.

There are a couple of ways to find the part or diagram you need:

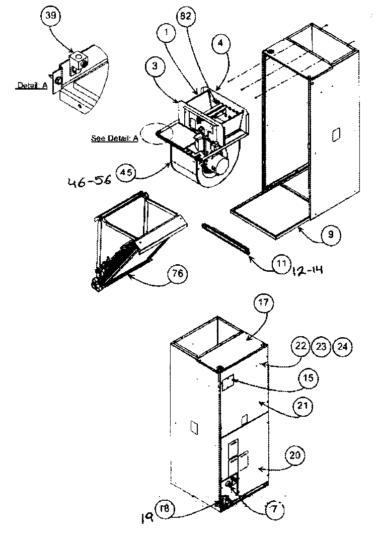
  • Click a diagram to see the parts shown on that diagram.
  • In the search box below, enter all or part of the part number or the part’s name.

Not all parts are shown on the diagrams—those parts are labeled NI, for “not illustrated”.

We encourage you to save the model to your profile, so it’s easy to access parts and manuals for your appliance whenever you log in.

For DIY troubleshooting advice and repair guides, visit our repair help section.

Showing 10 of 161 parts

Furnace Air Filter, 19-3/4 x 21-1/2 x 1-in
Back Order
$65.79 | 
7% OFF 
Phone Price: $70.79
Furnace Air Filter, 19-3/4 x 21-1/2 x 1-in#9

Cabinet parts Diagram

Filter

Part #317659-403
Replaced by #KFAFK0312LRG
?
Manufacturer substitution
This part replaces 317659-403. Substitute parts can look different from the original.
Back Order
$65.79 | 
7% OFF 
Phone Price: $70.79
Sw Temp Act#NI

Cabinet parts Diagram

Sw temp act

Part #HH19ZA965
In Stock
$39.35
Furnace Heating Element Assembly#NI

Cabinet parts Diagram

In Stock
$1076.39 | 
$10.00 OFF 
Phone Price: $1086.39
Furnace Heating Element Assembly#NI

Cabinet parts Diagram

Element

Part #320074-703
Replaced by #L99H008
?
Manufacturer substitution
This part replaces 320074-703. Substitute parts can look different from the original.
In Stock
$187.59 | 
5% OFF 
Phone Price: $197.59
Central Air Conditioner Air Handler Blower Wheel#53

Cabinet parts Diagram

Blower wheel

Part #LA22LA034
Replaced by #LA22LA-034
?
Manufacturer substitution
This part replaces LA22LA034. Substitute parts can look different from the original.
In Stock
$160.26
Central Air Conditioner Thermal Expansion Valve#NI

Cabinet parts Diagram

Valve exp

Part #EA36YD054
Replaced by #332368-751
?
Manufacturer substitution
This part replaces EA36YD054. Substitute parts can look different from the original.
In Stock
$174.98
Air Seal#NI

Cabinet parts Diagram

Air seal

Part #316241-702
In Stock
$84.32
Panel#NI

Cabinet parts Diagram

Panel

Part #324623-404
In Stock
$14.99
Cap R#NI

Cabinet parts Diagram

Cap r

Part #316812-202
This item is not returnable
In Stock
$2.87

Articles and videos common to all air handlers

August 5, 2022

Introducing new technical repair content that we’re developing for the Sears Technical Institute

By Lyle Weischwill

Learn about Sears Technical Institute and the advanced technical content being developed for aspiring appliance techs.