Craftsman
Accessory

Model #84224062 Official Craftsman 40" snow thrower attachment

Here are the diagrams and repair parts for Craftsman 84224062 40" snow thrower attachment, as well as links to manuals and error code tables, if available.

There are a couple of ways to find the part or diagram you need:

  • Click a diagram to see the parts shown on that diagram.
  • In the search box below, enter all or part of the part number or the part’s name.

Not all parts are shown on the diagrams—those parts are labeled NI, for “not illustrated”.

We encourage you to save the model to your profile, so it’s easy to access parts and manuals for your appliance whenever you log in.

For DIY troubleshooting advice and repair guides, visit our repair help section.

Showing 10 of 161 parts

Pin#64

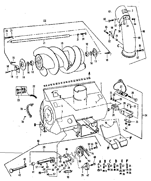
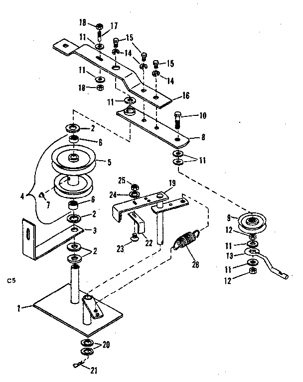
Main frame Diagram

Pin

Part #3341

The manufacturer no longer makes this part, and there's no substitute part

Cotter Pin

See All Related Diagrams

Cotter pin

Part #3430

The manufacturer no longer makes this part, and there's no substitute part

Washer

See All Related Diagrams

Washer

Part #GM446363

The manufacturer no longer makes this part, and there's no substitute part

Nut

See All Related Diagrams

Nut

Part #GM271184

The manufacturer no longer makes this part, and there's no substitute part

Pulley

See All Related Diagrams

Pulley

Part #11496

The manufacturer no longer makes this part, and there's no substitute part

Nut#51

Main frame Diagram

Nut

Part #STD541431

The manufacturer no longer makes this part, and there's no substitute part

Handle Grip#73

Main frame Diagram

Handle grip

Part #3339

The manufacturer no longer makes this part, and there's no substitute part

Spring#82

Main frame Diagram

Spring

Part #3293

The manufacturer no longer makes this part, and there's no substitute part

Bolt#16

Main frame Diagram

Bolt

Part #STD523710

The manufacturer no longer makes this part, and there's no substitute part

Snowblower Chain Guard#73

Auger assembly Diagram

Snowblower chain guard

Part #3036

The manufacturer no longer makes this part, and there's no substitute part