Craftsman
Gas Snowblower

Model #247887000 Official Craftsman snow thrower

Here are the diagrams and repair parts for Craftsman 247887000 snow thrower, as well as links to manuals and error code tables, if available.

There are a couple of ways to find the part or diagram you need:

  • Click a diagram to see the parts shown on that diagram.
  • In the search box below, enter all or part of the part number or the part’s name.

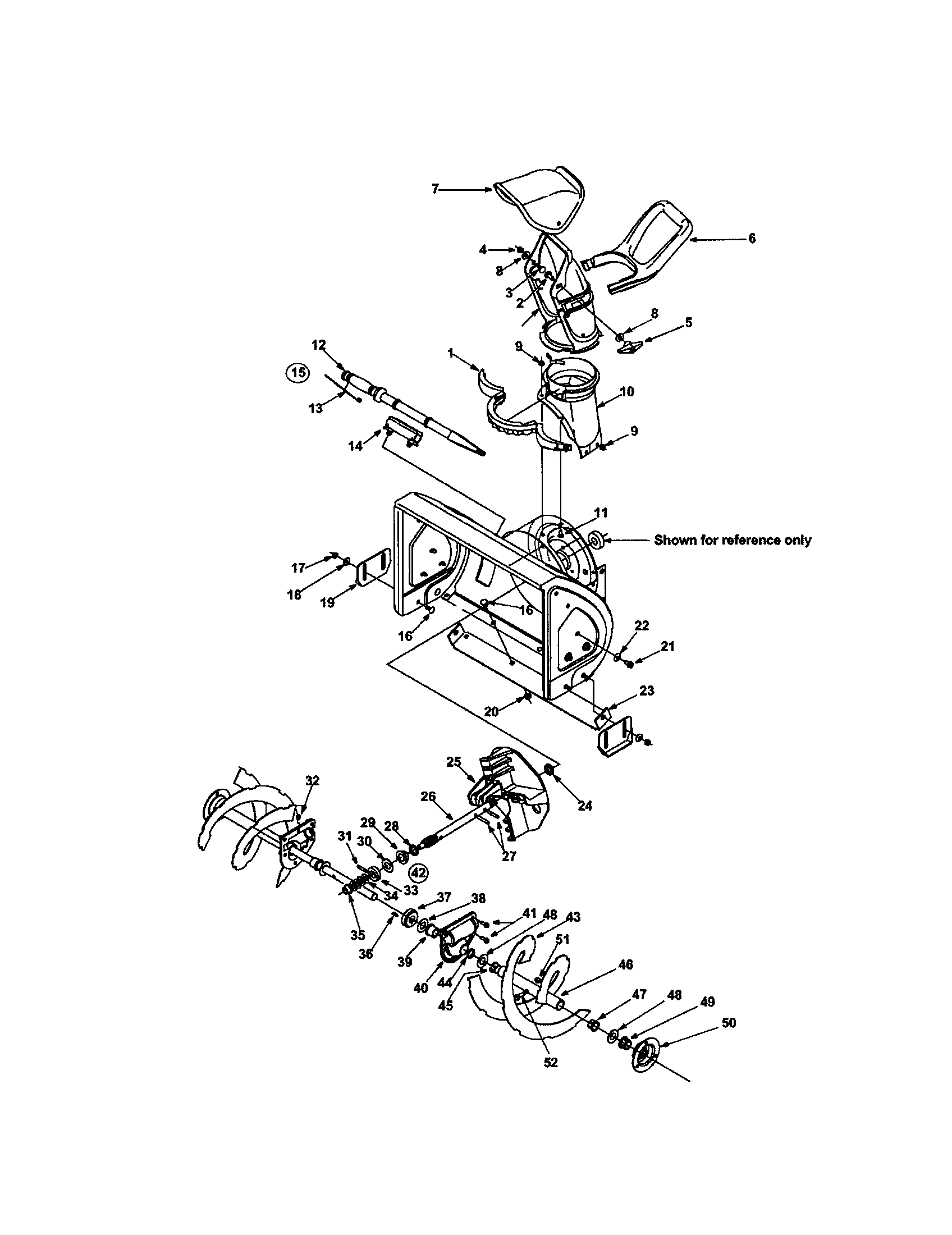
Not all parts are shown on the diagrams—those parts are labeled NI, for “not illustrated”.

We encourage you to save the model to your profile, so it’s easy to access parts and manuals for your appliance whenever you log in.

For DIY troubleshooting advice and repair guides, visit our repair help section.

Owner’s manual

Showing 10 of 283 parts

Snowblower Wheel Assembly, 10 x 4-in (replaces 634-0232C, 634-04282B, 934-04282A)#35

Handle/wheels/belt cover/axle Diagram

Tire assembly

Part #634-0232
Replaced by #934-04282B
?
Manufacturer substitution
This part replaces 634-0232. Substitute parts can look different from the original.
BEST SELLER
In Stock
$48.36 | 
21% OFF 
MSRP: $61.00
Lawn Mower Handle Knob

See All Related Diagrams

Knob wing nut

Part #720-0284
Replaced by #720-04072A
?
Manufacturer substitution
This part replaces 720-0284. Substitute parts can look different from the original.
BEST SELLER
This item is not returnable
In Stock
$5.79 | 
32% OFF 
MSRP: $8.50
Snowblower Shear Bolt#52

Chute/impeller/auger 22" axle Diagram

Snowblower shear bolt

Part #710-0890A
BEST SELLER
This item is not returnable
In Stock
$1.67 | 
42% OFF 
MSRP: $2.90
Snowblower Auger Shaft Gear#37

Chute/impeller/auger 22" axle Diagram

Worm gear

Part #717-0528A
Replaced by #917-04861
?
Manufacturer substitution
This part replaces 717-0528A. Substitute parts can look different from the original.
BEST SELLER
In Stock
$40.98 | 
11% OFF 
Phone Price: $45.98
Snowblower Flange Bearing

See All Related Diagrams

Snowblower flange bearing

Part #741-0493A
Replaced by #741-0493C
?
Manufacturer substitution
This part replaces 741-0493A. Substitute parts can look different from the original.
BEST SELLER
This item is not returnable
In Stock
$4.27
Snowblower Flange Bearing

See All Related Diagrams

Bearing

Part #741-0245
Replaced by #941-0245
?
Manufacturer substitution
This part replaces 741-0245. Substitute parts can look different from the original.
BEST SELLER
In Stock
$12.43 | 
14% OFF 
Phone Price: $14.43
Lawn & Garden Equipment Bell Washer

See All Related Diagrams

Lawn & garden equipment bell washer

Part #736-0242
BEST SELLER
This item is not returnable
In Stock
$6.40 | 
14% OFF 
Phone Price: $7.40
Lawn & Garden Equipment Lock Washer

See All Related Diagrams

Lock washer

Part #736-0119
Replaced by #936-0119
?
Manufacturer substitution
This part replaces 736-0119. Substitute parts can look different from the original.
BEST SELLER
This item is not returnable
In Stock
$5.89 | 
15% OFF 
Phone Price: $6.89
Lawn Tractor Screw#36

Handle/wheels/belt cover/axle Diagram

Lawn tractor screw

Part #710-0627
BEST SELLER
This item is not returnable
In Stock
$6.29 | 
14% OFF 
Phone Price: $7.29
Snowblower Clean-Out Tool#12

Chute/impeller/auger 22" axle Diagram

Clean-out tool

Part #731-2643
Replaced by #931-2643
?
Manufacturer substitution
This part replaces 731-2643. Substitute parts can look different from the original.
BEST SELLER

Get free shipping with Automatic Reorder

In Stock
$17.56 | 
30% OFF 
MSRP: $25.00

Symptoms for gas snowblowers

Choose a symptom to see related snowblower repairs.

Main causes: clogged chute, damaged auger blades, broken shear pins, worn auger belt, damaged gear case, engine problems
Things to do: replace the spark plug, change the oil, rebuild the carburetor, adjust valve lash, adjust or replace the belts
Main causes: punctured tire, damaged rim
Main causes: dirty carburetor, clogged fuel filter, dirty spark plug, incorrect valve lash, leaky engine gaskets
Main causes: stale gas, clogged carburetor, clogged or broken fuel line, dirty spark plug, bad rewind starter, incorrect valve lash
Main causes: clogged chute, snow build-up in auger housing, broken auger shear pins, auger drive belt needs adjustment, auger cable problems
Main causes: loose drive clutch cable, damaged drive clutch cable, worn friction disc, scraper blade scraping the ground, engine problems
Main causes: snow build-up in chute, chute drive mechanism failure, bad chute control assembly

Repair guides for gas snowblowers

These step-by-step repair guides will help you safely fix what’s broken on your snowblower.

November 20, 2022
By Lyle Weischwill
How to replace a snowblower fuel filter

Replace the fuel filter on your snowblower if it's clogged or damaged.

Repair difficulty
Time required
 15 minutes or less
December 1, 2015
By Lyle Weischwill
How to rebuild a snowblower carburetor

Rebuild the carburetor on your snowblower if the engine isn't getting fuel.

Repair difficulty
Time required
 45 minutes or less
How to replace a snowblower 4-way chute control assembly

Replace the 4-way chute control assembly on your snowblower if it’s damaged.

Repair difficulty
Time required
 30 minutes or less

Articles and videos common to all snowblowers

Use the advice and tips in these articles and videos to get the most out of your snowblower.

December 12, 2022

How to adjust the snowblower auger control

By Lyle Weischwill

This video shows how to adjust a snowblower's auger control.

December 8, 2022

How to lubricate a snowblower drive hex shaft video

By Lyle Weischwill

This short video shows how to lubricate a snowblower drive hex shaft.

November 17, 2022

What are the major parts of a snowblower?

By Lyle Weischwill

Learn about major functional parts of your snowblower and when to replace them.