Kenmore
Electric Range

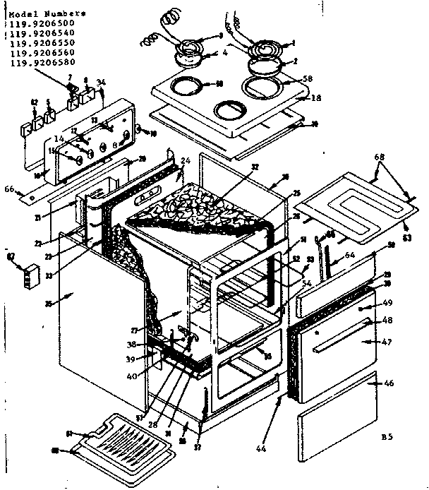
Model #1199206560 Official Kenmore electric range

Here are the diagrams and repair parts for Kenmore 1199206560 electric range, as well as links to manuals and error code tables, if available.

There are a couple of ways to find the part or diagram you need:

  • Click a diagram to see the parts shown on that diagram.
  • In the search box below, enter all or part of the part number or the part’s name.

Not all parts are shown on the diagrams—those parts are labeled NI, for “not illustrated”.

We encourage you to save the model to your profile, so it’s easy to access parts and manuals for your appliance whenever you log in.

For DIY troubleshooting advice and repair guides, visit our repair help section.

Error Codes

Showing 10 of 101 parts

Reflect Pan

See All Related Diagrams

Reflect pan

Part #3857

The manufacturer no longer makes this part, and there's no substitute part

Adapter Ring

See All Related Diagrams

Adapter ring

Part #3861

The manufacturer no longer makes this part, and there's no substitute part

Medallion

See All Related Diagrams

Medallion

Part #3882

The manufacturer no longer makes this part, and there's no substitute part

Reflect Pan

See All Related Diagrams

Reflect pan

Part #3855

The manufacturer no longer makes this part, and there's no substitute part

Bake Unit#54

Body section Diagram

Bake unit

Part #3462

The manufacturer no longer makes this part, and there's no substitute part

Unit Coil

See All Related Diagrams

Unit coil

Part #3856

The manufacturer no longer makes this part, and there's no substitute part

Unit Coil

See All Related Diagrams

Unit coil

Part #3854

The manufacturer no longer makes this part, and there's no substitute part

Unit#63

Main top section Diagram

Unit

Part #3881

The manufacturer no longer makes this part, and there's no substitute part

Unit#65

Main top section Diagram

Unit

Part #3883

The manufacturer no longer makes this part, and there's no substitute part

Base#56

Body section Diagram

Base

Part #3473

The manufacturer no longer makes this part, and there's no substitute part

Symptoms common to all ranges

Choose a symptom to see related range repairs.

Main causes: food splatters, spilling food on the oven door, allowing liquid to drip through oven door vent when cleaning the door
Main causes: power supply failure, blown thermal fuse, bad relay control board, damaged terminal block, wiring failure
Main causes: broken oven door lock assembly, wiring failure, electronic control board problem
Main causes: faulty temperature sensor, electronic control board problem, control thermostat failure, weak burner igniter, oven door problem
Main causes: broken broiler element, weak or broken broil burner igniter, control system failure, faulty temperature sensor, wiring failure
Main causes: power supply problem, control thermostat or electronic control board failure, broken element, bad burner igniter
Main causes: bad bake element, broken burner igniter, control system failure, blown thermal fuse, faulty temperature sensor, wiring failure

Repair guides common to all ranges

These step-by-step repair guides will help you safely fix what’s broken on your range.

July 20, 2018
By Lyle Weischwill
How to replace a range oven door switch

The oven door switch detects whether the oven door is closed and helps control the oven light. Replace the switch if it doesn’t control the oven light properly.

Repair difficulty
Time required
 30 minutes or less
February 20, 2015
By Lyle Weischwill
How to replace a range oven door lock assembly

Oven door not locking? You can replace the lock assembly in less than 30 minutes. Here's how.

Repair difficulty
Time required
 15 minutes or less

Articles and videos common to all ranges

Use the advice and tips in these articles and videos to get the most out of your range.

May 12, 2022

How to disassemble an Electrolux EW30 freestanding electric range

By Lyle Weischwill

See how to access control boards and oven components in an Electrolux electric range.

December 27, 2021

How does a self-cleaning oven work?

By Lyle Weischwill

Learn how the self-clean cycle works in an oven.

May 31, 2016

Oven door won't open: troubleshooting door lock problems on a range video

By Lyle Weischwill

Troubleshoot and repair problems with your range when your oven door locks shut and you can't get it open.