Proform
Treadmill

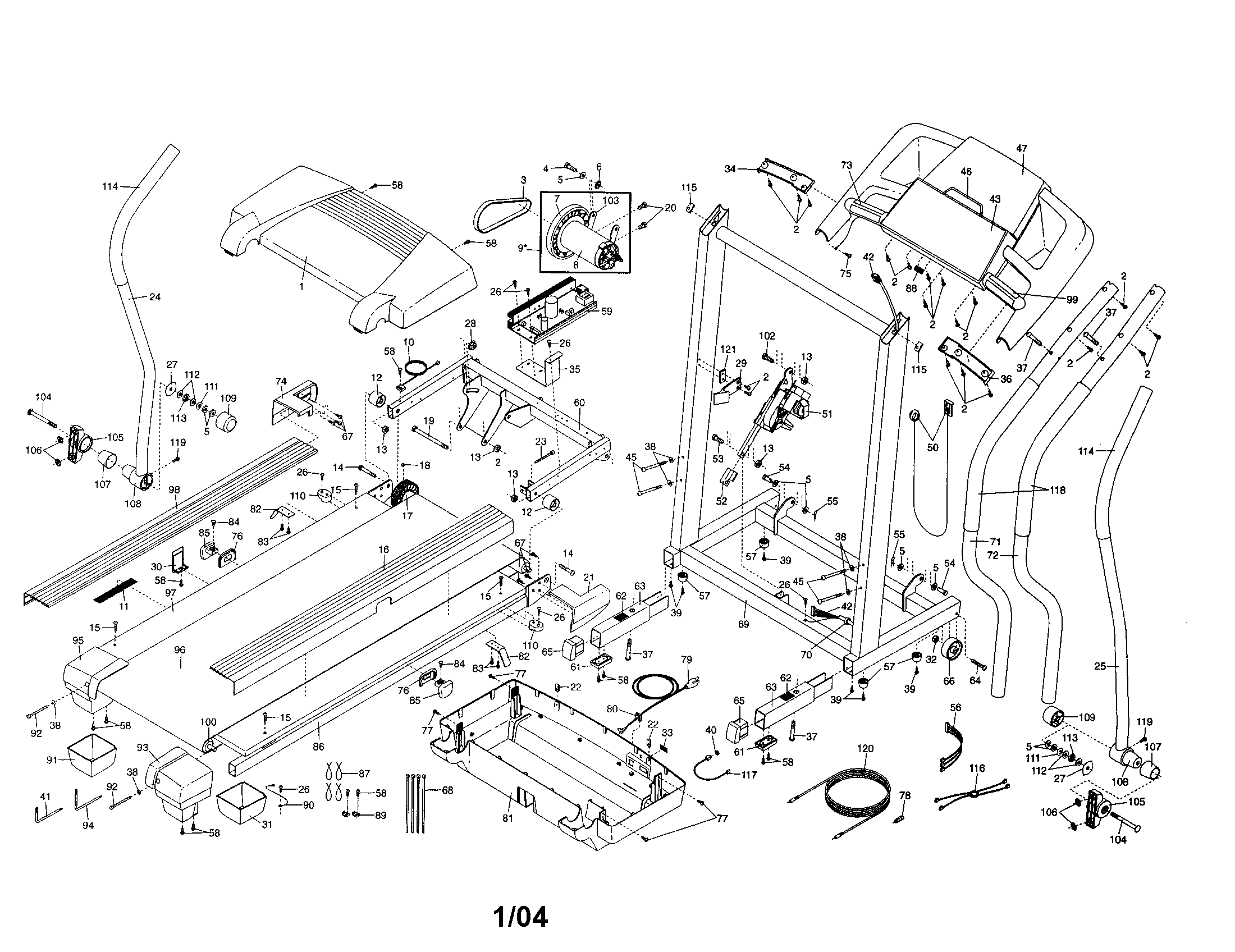
Model #831294040 Official Proform crosswalk 515s treadmill

Here are the diagrams and repair parts for Proform 831294040 crosswalk 515s treadmill, as well as links to manuals and error code tables, if available.

There are a couple of ways to find the part or diagram you need:

  • Click a diagram to see the parts shown on that diagram.
  • In the search box below, enter all or part of the part number or the part’s name.

Not all parts are shown on the diagrams—those parts are labeled NI, for “not illustrated”.

We encourage you to save the model to your profile, so it’s easy to access parts and manuals for your appliance whenever you log in.

For DIY troubleshooting advice and repair guides, visit our repair help section.

Owner’s manual

Showing 10 of 134 parts

Treadmill Washer

See All Related Diagrams

Treadmill washer

Part #014063
This item is not returnable
In Stock
$1.49 | 
40% OFF 
Phone Price: $2.49
Exercise Equipment Rubber Pad

See All Related Diagrams

Exercise equipment rubber pad

Part #157600
This item is not returnable
In Stock
$2.16
Belt Guide#82

Console/walking belt/motor/hood Diagram

Belt guide

Part #198640
This item is not returnable
In Stock
$2.16
Treadmill Washer#112

Console/walking belt/motor/hood Diagram

Treadmill washer

Part #102973
This item is not returnable
In Stock
$2.16
Exercise Equipment Nut

See All Related Diagrams

Exercise equipment nut

Part #012149
This item is not returnable
In Stock
$2.16
Power Cord Grommet#80

Console/walking belt/motor/hood Diagram

Power cord grommet

Part #173169
This item is not returnable
In Stock
$2.16
Screw,hwhtek

#NI10

All parts Diagram

Screw,hwhtek

Part #207907
This item is not returnable
In Stock
$2.16
Exercise Equipment Screw#77

Console/walking belt/motor/hood Diagram

Exercise equipment screw

Part #013607
This item is not returnable
In Stock
$2.19 | 
31% OFF 
Phone Price: $3.19
Clamp,8"cabl#68

Console/walking belt/motor/hood Diagram

Clamp,8"cabl

Part #016057
This item is not returnable
In Stock
$2.16
Om,294040

#NI19

All parts Diagram

Om,294040

Part #203761
This item is not returnable
In Stock
$3.99

Symptoms for treadmills

Choose a symptom to see related treadmill repairs.

Main causes: faulty sensors, wiring failure, bad control console
Main causes: no power, bad power cord, tripped or faulty overload switch, bad power switch, wiring failure, bad motor control board
Main causes: missing safety key, bad control console, wiring failure, faulty motor control board, bad drive motor
Main causes: bad control console, wiring failure, bad motor control board
Main causes: damaged walking belt, improper belt tension, lack of belt lubricant, bad drive motor
Main causes: damaged walking belt, improper belt tension, bad roller bearing
Main causes: rear roller out of alignment, damaged walking belt, bad roller

Repair guides for treadmills

These step-by-step repair guides will help you safely fix what’s broken on your treadmill.

How to replace a treadmill motor controller

Your treadmill motor won't run with a defective motor controller. Replace the motor controller if it doesn't operate the motor correctly.

Repair difficulty
Time required
 15 minutes or less
How to replace a treadmill walking belt

A worn walking belt will begin to slow down during use. If your treadmill walking belt is worn out, replace it using these steps.

Repair difficulty
Time required
 45 minutes or less
June 1, 2015
Lyle Weischwill
How to replace a treadmill drive motor

A defective drive motor won't run when activated by the motor controller. Replace the treadmill drive motor if it doesn't run.

Repair difficulty
Time required
 15 minutes or less

Articles and videos common to all fitness & exercise

Use the advice and tips in these articles and videos to get the most out of your treadmill.

June 29, 2022

Top questions about Sears and Sears PartsDirect

Lyle Weischwill

Get answers to frequently asked questions about Sears and Sears PartsDirect.