Kenmore
Upright Vacuum

Model #11639099990 Official Kenmore upright vacuum cleaner

Here are the diagrams and repair parts for Kenmore 11639099990 upright vacuum cleaner, as well as links to manuals and error code tables, if available.

There are a couple of ways to find the part or diagram you need:

  • Click a diagram to see the parts shown on that diagram.
  • In the search box below, enter all or part of the part number or the part’s name.

Not all parts are shown on the diagrams—those parts are labeled NI, for “not illustrated”.

We encourage you to save the model to your profile, so it’s easy to access parts and manuals for your appliance whenever you log in.

For DIY troubleshooting advice and repair guides, visit our repair help section.

Showing 10 of 55 parts

Vacuum Beater Bar Belt (replaces 5275)#18

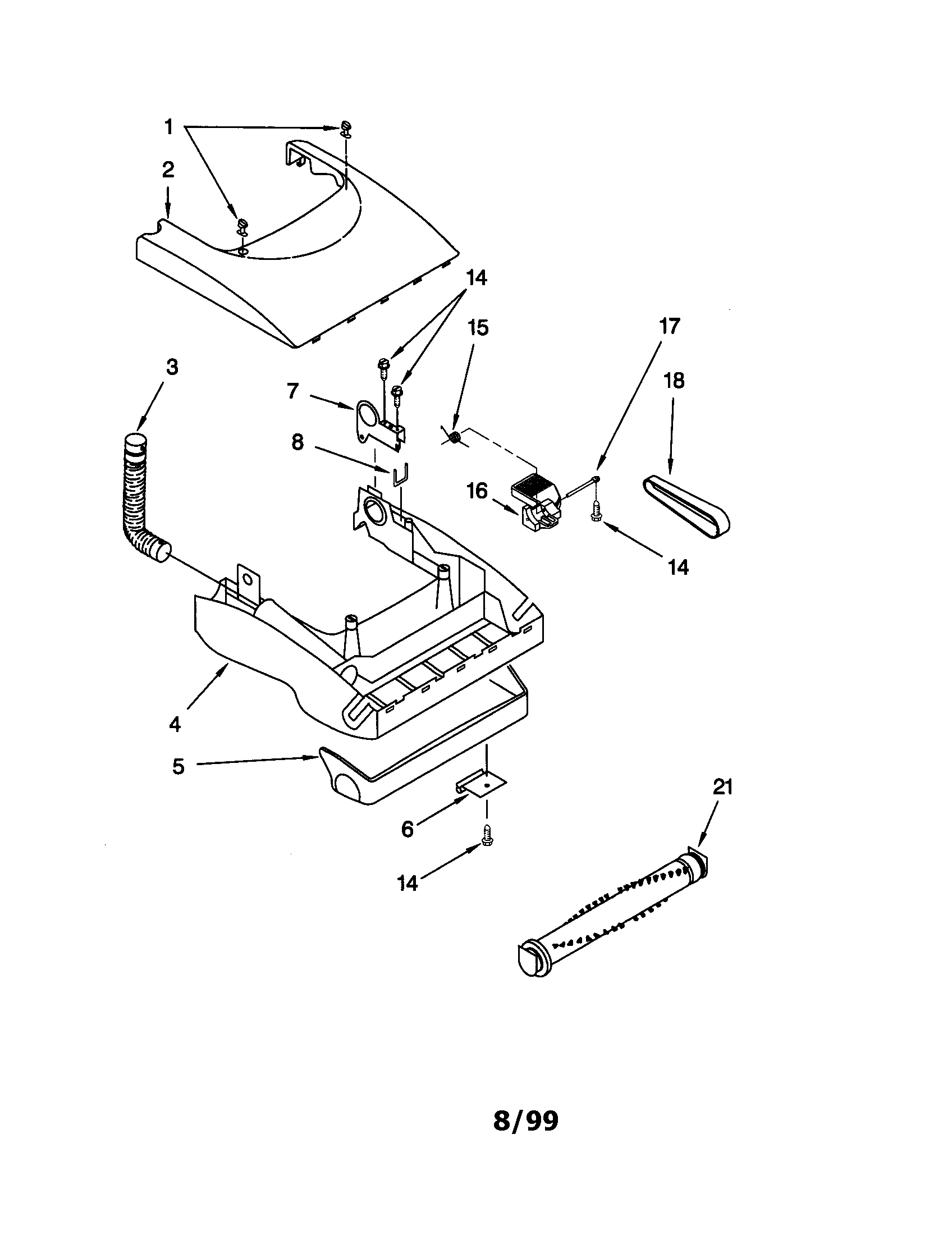
Nozzle Diagram

Vacuum drive belt

Part #4369591
Replaced by #KC28SCZPZ000
?
Manufacturer substitution
This part replaces 4369591. Substitute parts can look different from the original.
BEST SELLER

Get free shipping with Automatic Reorder

Back Order
$7.90 | 
11% OFF 
Phone Price: $8.90
Vacuum Light Bulb#32

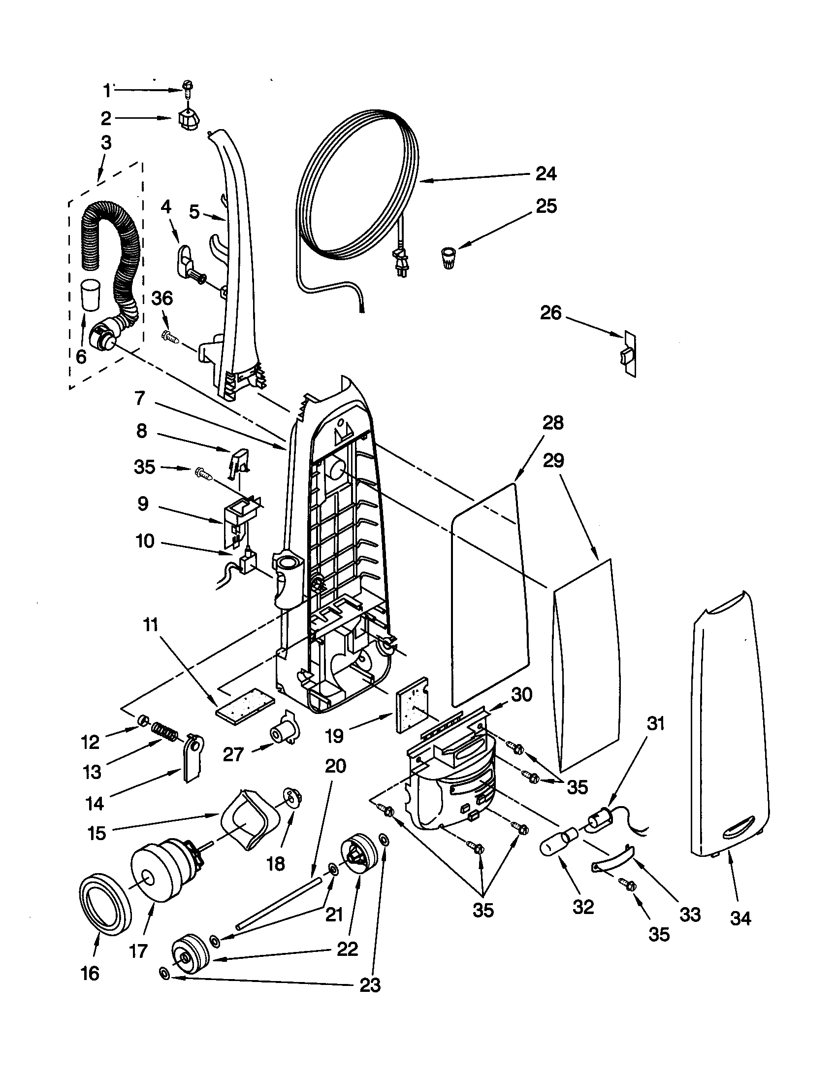
Dust compartment and motor Diagram

Bulb

Part #4370018
Replaced by #5240
?
Manufacturer substitution
This part replaces 4370018. Substitute parts can look different from the original.
BEST SELLER
This item is not returnable
Back Order
$7.29 | 
12% OFF 
Phone Price: $8.29
Vacuum On/Off Switch#10

Dust compartment and motor Diagram

Vacuum power switch

Part #4370761
Replaced by #4370761
?
Manufacturer substitution
This part replaces 4370761. Substitute parts can look different from the original.
This item is not returnable
In Stock
$13.59 | 
13% OFF 
Phone Price: $15.59
Vacuum Beater Bar#21

Nozzle Diagram

Agitator

Part #4370773
Replaced by #8191717
?
Manufacturer substitution
This part replaces 4370773. Substitute parts can look different from the original.
Back Order
$41.89 | 
11% OFF 
Phone Price: $46.89
Vacuum Screw

See All Related Diagrams

Vacuum screw

Part #4368563
Replaced by #4368563
?
Manufacturer substitution
This part replaces 4368563. Substitute parts can look different from the original.
This item is not returnable
In Stock
$2.49 | 
29% OFF 
Phone Price: $3.49
Vacuum Hose Assembly (replaces 4370786)#6

Dust compartment and motor Diagram

Inlet

Part #4370786
Replaced by #4370760
?
Manufacturer substitution
This part replaces 4370786. Substitute parts can look different from the original.
In Stock
$28.39 | 
15% OFF 
Phone Price: $33.39
Vacuum Wheel Retainer#23

Dust compartment and motor Diagram

Vacuum wheel retainer

Part #4369564
Replaced by #4369564
?
Manufacturer substitution
This part replaces 4369564. Substitute parts can look different from the original.
This item is not returnable
In Stock
$2.16
Vacuum Crevice Tool#3

Hose and attachment Diagram

Vacuum crevice tool

Part #4368684
Replaced by #4368684
?
Manufacturer substitution
This part replaces 4368684. Substitute parts can look different from the original.
This item is not returnable
In Stock
$14.39 | 
12% OFF 
Phone Price: $16.39
Vacuum Dust Compartment#7

Dust compartment and motor Diagram

Vacuum dust compartment

Part #4370757

The manufacturer no longer makes this part, and there's no substitute part

Cover#14

Dust compartment and motor Diagram

Cover

Part #4370758

The manufacturer no longer makes this part, and there's no substitute part

Symptoms common to all vacuum cleaners

Choose a symptom to see related vacuum cleaner repairs.

Main causes: damaged vacuum hose, clogged motor air filter, bad suction motor
Main causes: broken drive belt, damaged brush roll, tripped brush roll motor overload, bad brush roll motor, wiring failure
Main causes: lack of power, bad power cord, drive motor failure, wiring failure
Main causes: weak suction motor, vacuum bag is full, clog in suction air path, dirty exhaust filter, leaky vacuum hose

Articles and videos common to all vacuum cleaners

Use the advice and tips in these articles and videos to get the most out of your vacuum.

June 29, 2022

Top questions about Sears and Sears PartsDirect

Lyle Weischwill

Get answers to frequently asked questions about Sears and Sears PartsDirect.

January 5, 2015

10 must-have tools for appliance repair

Lyle Weischwill

Come see which tools made our top 10 must-haves for DIY appliance repair.

July 1, 2013

Vacuum common questions

Lyle Weischwill

Find the answers to frequently asked questions about vacuum cleaners.