Craftsman
Accessory

Model #842240660 Official Craftsman snow thrower

Here are the diagrams and repair parts for Craftsman 842240660 snow thrower, as well as links to manuals and error code tables, if available.

There are a couple of ways to find the part or diagram you need:

  • Click a diagram to see the parts shown on that diagram.
  • In the search box below, enter all or part of the part number or the part’s name.

Not all parts are shown on the diagrams—those parts are labeled NI, for “not illustrated”.

We encourage you to save the model to your profile, so it’s easy to access parts and manuals for your appliance whenever you log in.

For DIY troubleshooting advice and repair guides, visit our repair help section.

Showing 10 of 168 parts

Bolt#5

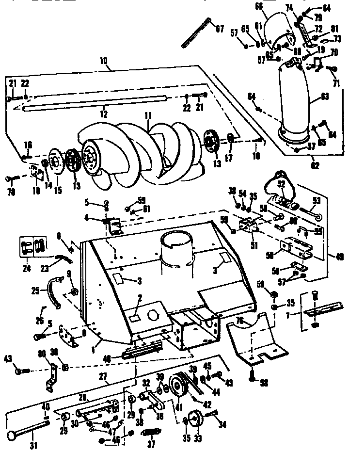
Auger assembly Diagram

Bolt

Part #7953

The manufacturer no longer makes this part, and there's no substitute part

Pulley

See All Related Diagrams

Pulley

Part #11496

The manufacturer no longer makes this part, and there's no substitute part

Flat Washer, 3/8-in, 8-pack

Flat washer, 3/8-in, 8-pack

Part #STD551037

The manufacturer no longer makes this part, and there's no substitute part

Washer

See All Related Diagrams

Washer

Part #GM-446363

The manufacturer no longer makes this part, and there's no substitute part

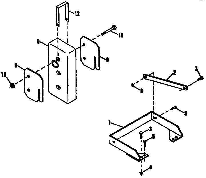
Lawn Tractor Snowblower Attachment Wire Harness#81

Main frame Diagram

Lawn tractor snowblower attachment wire harness

Part #22129

The manufacturer no longer makes this part, and there's no substitute part

Nut Washer

See All Related Diagrams

Nut washer

Part #GM-271184

The manufacturer no longer makes this part, and there's no substitute part

Thumb Screw#52

Main frame Diagram

Thumb screw

Part #21797

The manufacturer no longer makes this part, and there's no substitute part

Washer#17

Auger assembly Diagram

Washer

Part #4143

The manufacturer no longer makes this part, and there's no substitute part

Nut Washer

See All Related Diagrams

Nut washer

Part #GM-271190

The manufacturer no longer makes this part, and there's no substitute part

Spring#7

Pulley assembly Diagram

Spring

Part #3059

The manufacturer no longer makes this part, and there's no substitute part