Sony
Camera

Model #NEX-6 Official Sony digital camera

Here are the diagrams and repair parts for Sony NEX-6 digital camera, as well as links to manuals and error code tables, if available.

There are a couple of ways to find the part or diagram you need:

  • Click a diagram to see the parts shown on that diagram.
  • In the search box below, enter all or part of the part number or the part’s name.

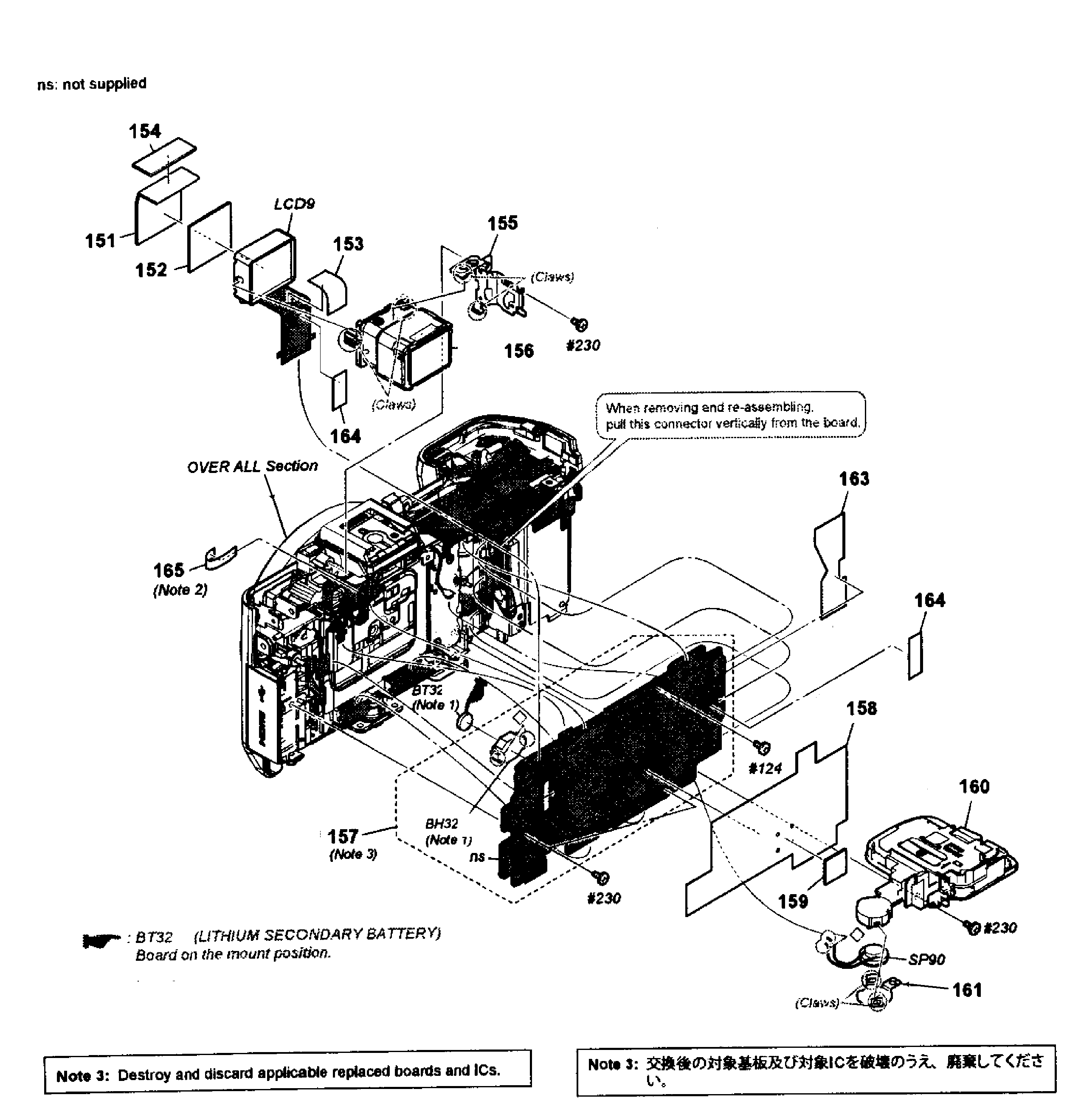
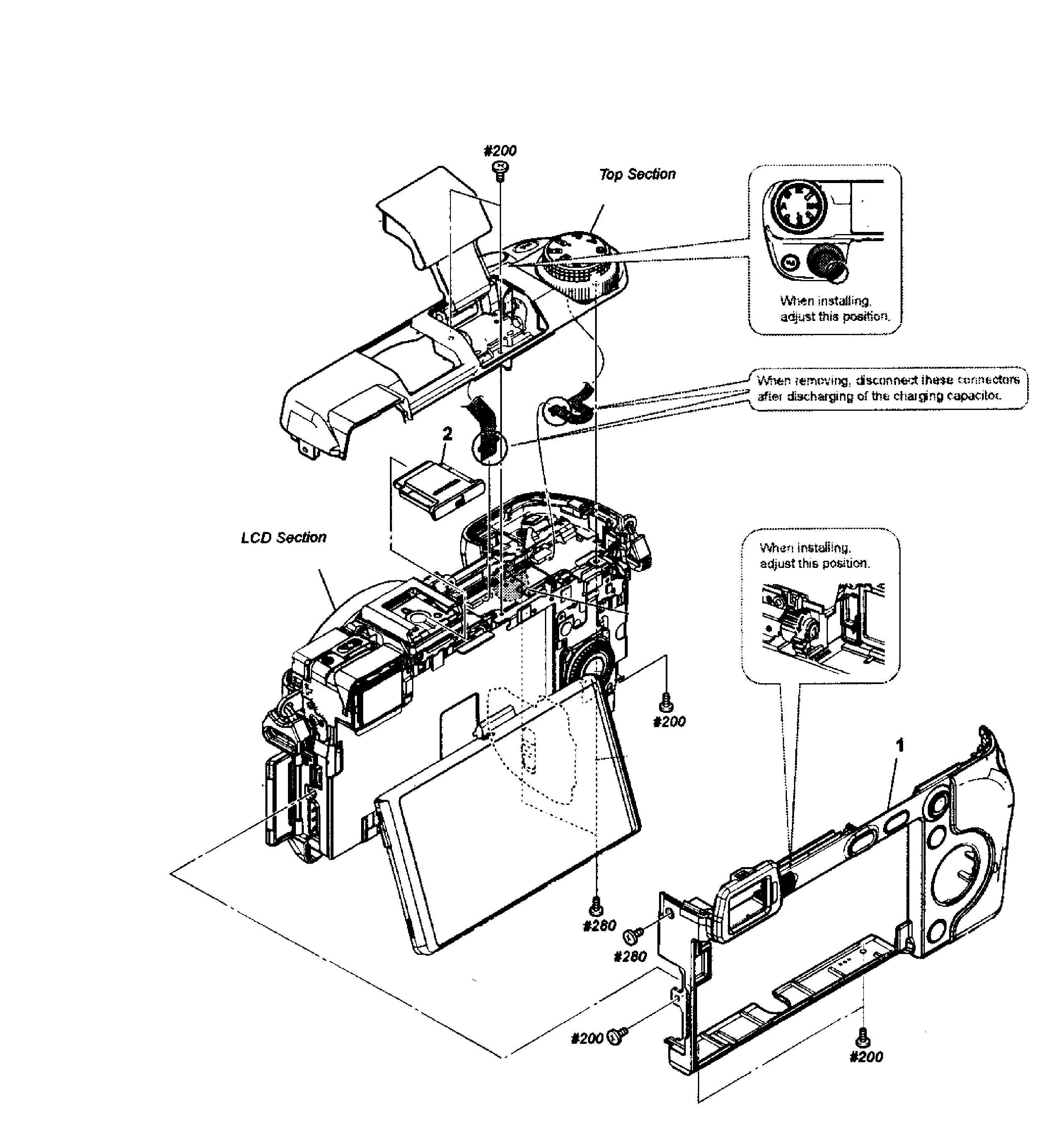
Not all parts are shown on the diagrams—those parts are labeled NI, for “not illustrated”.

We encourage you to save the model to your profile, so it’s easy to access parts and manuals for your appliance whenever you log in.

For DIY troubleshooting advice and repair guides, visit our repair help section.

Showing 10 of 116 parts

Ring#405

Front assy Diagram

Ring

Part #418653901
In Stock
$214.63
Sheet Frame#108

Lcd assy Diagram

Sheet frame

Part #443881101
In Stock
$22.31
Metal Sheet#202

Overall assy Diagram

Metal sheet

Part #443875701
In Stock
$190.23
HOLDER,LC LOCK#115

Lcd assy Diagram

Holder,lc lock

Part #443878801
This item is not returnable
In Stock
$2.54
Sheet,vf E#165

Main pcb Diagram

Sheet,vf e

Part #445000301
In Stock
$238.49
Cabinet#116

Lcd assy Diagram

Cabinet

Part #443878701
This item is not returnable
In Stock
$3.06
Shoulder S#NI

Rear assy Diagram

Shoulder s

Part #443873701
In Stock
$29.64
Heat Sink#214

Overall assy Diagram

Heat sink

Part #443875601
This item is not returnable
In Stock
$5.65
Case,st Sw#64

Top assy Diagram

Case,st sw

Part #443881601
This item is not returnable
In Stock
$2.16
Mb Charge

See All Related Diagrams

Mb charge

Part #A1868253A
In Stock
$34.47