Kenmore
Dryer

Model #11086664700 Official Kenmore electric dryer

Here are the diagrams and repair parts for Kenmore 11086664700 electric dryer, as well as links to manuals and error code tables, if available.

There are a couple of ways to find the part or diagram you need:

  • Click a diagram to see the parts shown on that diagram.
  • In the search box below, enter all or part of the part number or the part’s name.

Not all parts are shown on the diagrams—those parts are labeled NI, for “not illustrated”.

We encourage you to save the model to your profile, so it’s easy to access parts and manuals for your appliance whenever you log in.

For DIY troubleshooting advice and repair guides, visit our repair help section.

Showing 10 of 174 parts

Dryer Drum Belt#30

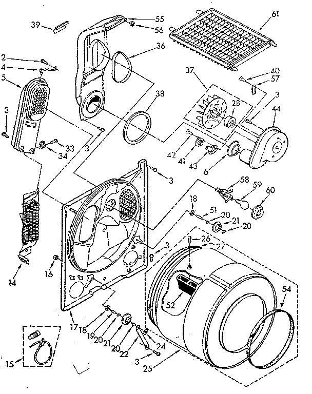
Cabinet parts Diagram

Belt

Part #660997
Replaced by #341241
?
Manufacturer substitution
This part replaces 660997. Substitute parts can look different from the original.
BEST SELLER
In Stock
$17.11 | 
10% OFF 
Phone Price: $19.11
Dryer Thermal Fuse, 195-degree F#57

Bulkhead parts Diagram

Fuse

Part #694511
Replaced by #WP3392519
?
Manufacturer substitution
This part replaces 694511. Substitute parts can look different from the original.
BEST SELLER
In Stock
$18.88 | 
10% OFF 
Phone Price: $20.88
Dryer Door Latch Kit#53

Cabinet parts Diagram

Strike

Part #696144
Replaced by #279570
?
Manufacturer substitution
This part replaces 696144. Substitute parts can look different from the original.
BEST SELLER
This item is not returnable
In Stock
$3.40 | 
74% OFF 
MSRP: $13.00
Dryer Door Latch Kit#58

Cabinet parts Diagram

Catch

Part #690081
Replaced by #279570
?
Manufacturer substitution
This part replaces 690081. Substitute parts can look different from the original.
BEST SELLER
This item is not returnable
In Stock
$3.40 | 
74% OFF 
MSRP: $13.00
Appliance Light Bulb, 40-watt#59

Bulkhead parts Diagram

Bulb

Part #311255
Replaced by #40A15
?
Manufacturer substitution
This part replaces 311255. Substitute parts can look different from the original.
BEST SELLER
In Stock
$8.35 | 
11% OFF 
Phone Price: $9.35
Dryer Drum Support Roller Kit#21

Bulkhead parts Diagram

Support

Part #349241
Replaced by #349241T
?
Manufacturer substitution
This part replaces 349241. Substitute parts can look different from the original.
BEST SELLER
In Stock
$21.99 | 
19% OFF 
Phone Price: $26.99
Dryer Idler Pulley#33

Cabinet parts Diagram

Dryer idler pulley

Part #691366
Replaced by #WP691366
?
Manufacturer substitution
This part replaces 691366. Substitute parts can look different from the original.
BEST SELLER
In Stock
$16.50 | 
11% OFF 
Phone Price: $18.50
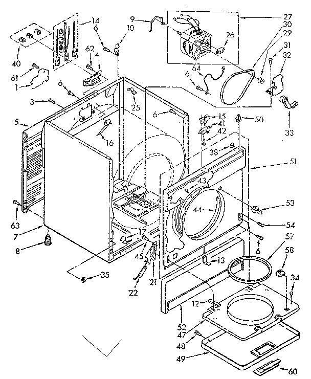
Dryer Drive Motor#26

Cabinet parts Diagram

Switch

Part #337351
Replaced by #279827
?
Manufacturer substitution
This part replaces 337351. Substitute parts can look different from the original.
BEST SELLER
Back Order
$94.03 | 
28% OFF 
MSRP: $130.00
Dryer Drive Motor#27

Cabinet parts Diagram

Motor

Part #695075
Replaced by #279827
?
Manufacturer substitution
This part replaces 695075. Substitute parts can look different from the original.
BEST SELLER
Back Order
$94.03 | 
28% OFF 
MSRP: $130.00
Dryer Heating Element#14

Bulkhead parts Diagram

Element

Part #660982
Replaced by #WP4391960
?
Manufacturer substitution
This part replaces 660982. Substitute parts can look different from the original.
BEST SELLER
In Stock
$45.63 | 
10% OFF 
Was: $50.70

Symptoms common to all dryers

Choose a symptom to see related dryer repairs.

Main causes: bad drum support roller, damaged idler pulley, broken blower fan blade, worn drum glide bearing, bad drive motor
Main causes: bad gas valve coils, broken heating element, tripped safety thermostat or fuse, bad operating thermostat, control failure
Main causes: bad timer or electronic control board, door switch failure
Main causes: lack of electrical power, bad power cord, wiring failure, bad control board, blown thermal fuse, bad door switch
Main causes: clogged exhaust vent, bad motor relay, loose dryer door catch, bad door switch, control system failure, faulty drive motor
Main causes: damaged door strike, worn door catch
Main causes: door switch failure, lack of power, broken belt, blown thermal fuse, bad drive motor, control system failure
Main causes: clogged exhaust system, heating system failure, deposits on moisture sensor, control system failure

Repair guides common to all dryers

These step-by-step repair guides will help you safely fix what’s broken on your dryer.

August 1, 2014
By Lyle Weischwill
How to replace a dryer drum support roller

If your dryer thumps or squeals, replace the drum support roller to restore quiet to your home.

Repair difficulty
Time required
 90 minutes or less
August 1, 2014
By Lyle Weischwill
How to replace a dryer thermistor

The thermistor senses the air temperature in the dryer. If your dryer overheats or doesn't heat at all, the thermistor could be the problem.

Repair difficulty
Time required
 30 minutes or less
August 1, 2014
By Lyle Weischwill
How to replace a dryer idler pulley

The idler pulley exerts pressure keeps the drive belt tight so it can rotate the drum. A worn idler pulley squeals or squeaks when the dryer is running. Follow these instructions to replace it.

Repair difficulty
Time required
 90 minutes or less

Articles and videos common to all dryers

Use the advice and tips in these articles and videos to get the most out of your dryer.

October 24, 2022

Easy DIY appliance repairs that anyone can do

By Lyle Weischwill

Get advice on simple DIY fixes for appliances that you can safely do on your own.

August 5, 2022

Introducing new technical repair content that we’re developing for the Sears Technical Institute

By Lyle Weischwill

Learn about Sears Technical Institute and the advanced technical content being developed for aspiring appliance techs.

January 4, 2022

How to replace a Maytag dryer heating element

By Lyle Weischwill

Learn how to replace a Maytag dryer heating element