Eureka
Upright Vacuum

Model #4482AT-1 Official Eureka upright vacuum

Here are the diagrams and repair parts for Eureka 4482AT-1 upright vacuum, as well as links to manuals and error code tables, if available.

There are a couple of ways to find the part or diagram you need:

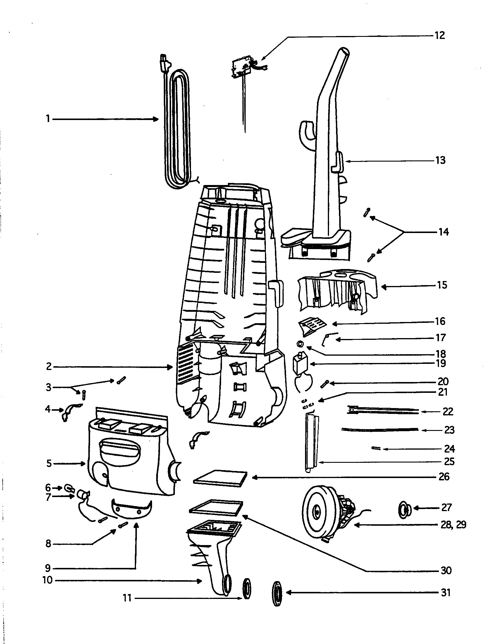
  • Click a diagram to see the parts shown on that diagram.
  • In the search box below, enter all or part of the part number or the part’s name.

Not all parts are shown on the diagrams—those parts are labeled NI, for “not illustrated”.

We encourage you to save the model to your profile, so it’s easy to access parts and manuals for your appliance whenever you log in.

For DIY troubleshooting advice and repair guides, visit our repair help section.

Showing 10 of 74 parts

Brush-flr#7

Accessories Diagram

Brush-flr

Part #61037

The manufacturer no longer makes this part, and there's no substitute part

Thermostat#22

Body Diagram

Thermostat

Part #39252-1

The manufacturer no longer makes this part, and there's no substitute part

Air Duct#10

Body Diagram

Air duct

Part #15408B-119N

The manufacturer no longer makes this part, and there's no substitute part

Gasket#11

Body Diagram

Gasket

Part #27171A

The manufacturer no longer makes this part, and there's no substitute part

Tube#23

Body Diagram

Tube

Part #59362B

The manufacturer no longer makes this part, and there's no substitute part

Vacuum Twist-On Wire Connector, 5-pack#21

Body Diagram

Vacuum twist-on wire connector, 5-pack

Part #60192-1

The manufacturer no longer makes this part, and there's no substitute part

Lens#9

Body Diagram

Lens

Part #15072-313N

The manufacturer no longer makes this part, and there's no substitute part

Carpet Cleaner Screw, 10-pack

See All Related Diagrams

Carpet cleaner screw, 10-pack

Part #53197-1

The manufacturer no longer makes this part, and there's no substitute part

Gasket#12

Cyclone Diagram

Gasket

Part #59297-2SV

The manufacturer no longer makes this part, and there's no substitute part

Vacuum Spring#7

Hood Diagram

Vacuum spring

Part #54943

The manufacturer no longer makes this part, and there's no substitute part

Symptoms common to all vacuum cleaners

Choose a symptom to see related vacuum cleaner repairs.

Main causes: damaged vacuum hose, clogged motor air filter, bad suction motor
Main causes: broken drive belt, damaged brush roll, tripped brush roll motor overload, bad brush roll motor, wiring failure
Main causes: lack of power, bad power cord, drive motor failure, wiring failure
Main causes: weak suction motor, vacuum bag is full, clog in suction air path, dirty exhaust filter, leaky vacuum hose

Articles and videos common to all vacuum cleaners

Use the advice and tips in these articles and videos to get the most out of your vacuum.

January 5, 2015

10 must-have tools for appliance repair

By Lyle Weischwill

Come see which tools made our top 10 must-haves for DIY appliance repair.

December 18, 2014

Deciding between a canister or upright vacuum

By Lyle Weischwill

Undecided about canister or upright? We compare them.

July 1, 2013

Vacuum common questions

By Lyle Weischwill

Find the answers to frequently asked questions about vacuum cleaners.