Craftsman
Accessory

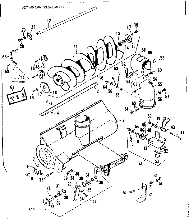
Model #84226005 Official Craftsman 42" snow blower

Here are the diagrams and repair parts for Craftsman 84226005 42" snow blower, as well as links to manuals and error code tables, if available.

There are a couple of ways to find the part or diagram you need:

  • Click a diagram to see the parts shown on that diagram.
  • In the search box below, enter all or part of the part number or the part’s name.

Not all parts are shown on the diagrams—those parts are labeled NI, for “not illustrated”.

We encourage you to save the model to your profile, so it’s easy to access parts and manuals for your appliance whenever you log in.

For DIY troubleshooting advice and repair guides, visit our repair help section.

Showing 10 of 130 parts

Pin

See All Related Diagrams

Pin

Part #3341

The manufacturer no longer makes this part, and there's no substitute part

Nut

See All Related Diagrams

Nut

Part #GM271184

The manufacturer no longer makes this part, and there's no substitute part

Nut

See All Related Diagrams

Nut

Part #4119

The manufacturer no longer makes this part, and there's no substitute part

Washer#61

Auger assembly Diagram

Washer

Part #GM178566

The manufacturer no longer makes this part, and there's no substitute part

Nut

See All Related Diagrams

Nut

Part #GM9413447

The manufacturer no longer makes this part, and there's no substitute part

Bolt#9

Main frame Diagram

Bolt

Part #GM180122

The manufacturer no longer makes this part, and there's no substitute part

Handle Grip#53

Main frame Diagram

Handle grip

Part #3339

The manufacturer no longer makes this part, and there's no substitute part

Bolt#64

Auger assembly Diagram

Bolt

Part #GM180018

The manufacturer no longer makes this part, and there's no substitute part

Snowblower Chain Guard#68

Auger assembly Diagram

Snowblower chain guard

Part #3036

The manufacturer no longer makes this part, and there's no substitute part

Washer#14

Auger assembly Diagram

Washer

Part #4143

The manufacturer no longer makes this part, and there's no substitute part