Dacor
Downdraft Ventilation System

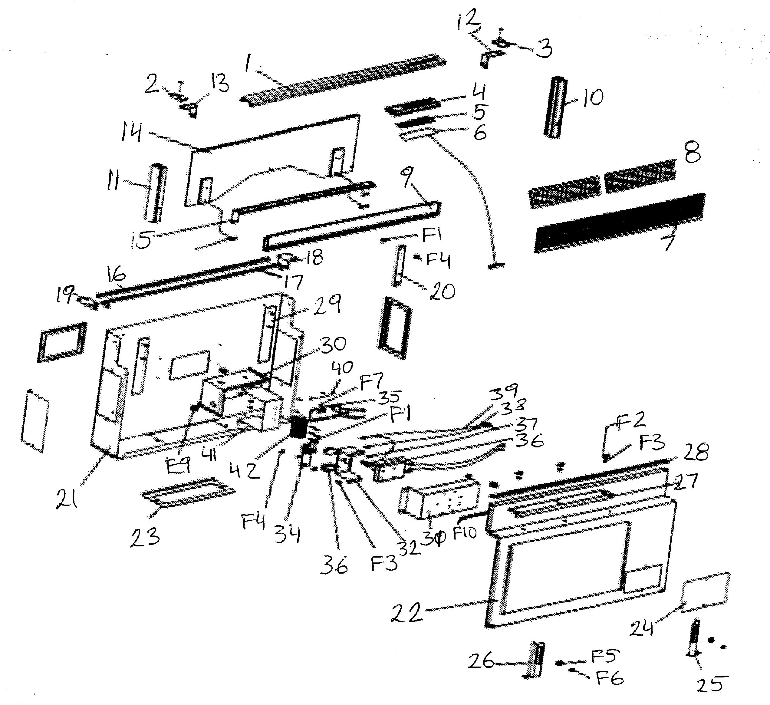
Model #RV36 Official Dacor vent system

Here are the diagrams and repair parts for Dacor RV36 vent system, as well as links to manuals and error code tables, if available.

There are a couple of ways to find the part or diagram you need:

  • Click a diagram to see the parts shown on that diagram.
  • In the search box below, enter all or part of the part number or the part’s name.

Not all parts are shown on the diagrams—those parts are labeled NI, for “not illustrated”.

We encourage you to save the model to your profile, so it’s easy to access parts and manuals for your appliance whenever you log in.

For DIY troubleshooting advice and repair guides, visit our repair help section.

Installation guideOwner’s manual

Showing 10 of 57 parts

Electronic Box#30

Vent system Diagram

Electronic box

Part #27447
In Stock
$23.99
Washer#F3

Vent system Diagram

Washer

Part #83008
This item is not returnable
In Stock
$2.16
Fr Sleeve,#9A

Vent system Diagram

Fr sleeve,

Part #82792
In Stock
$99.99
Adjustment Channel#27

Vent system Diagram

In Stock
$11.49
Fr Plenm#22

Vent system Diagram

Fr plenm

Part #27444
In Stock
$163.49
Sleeve Fr#9

Vent system Diagram

Sleeve fr

Part #82738
In Stock
$75.49
Duct Cover#23

Vent system Diagram

Duct cover

Part #26626
In Stock
$8.49
Angle#19

Vent system Diagram

Angle

Part #82749
In Stock
$34.49
Wall Oven Control Board Mounting Stud#F7

Vent system Diagram

Wall oven control board mounting stud

Part #83538
This item is not returnable
In Stock
$2.16
Harness#NI

Vent system Diagram

Harness

Part #62634
In Stock
$11.49

Symptoms common to all downdraft ventilation systems

Choose a symptom to see related downdraft vent repairs.

Main causes: problems with the vent limit switches, up/down activation switch failure
Main causes: fan control switch failure, bad blower fan motor, broken blower wheel, wiring failure
Main causes: lack of electrical power, up/down activation switch failure, bad vent gear motor
Main causes: clogged grease filters, air duct problems, fan motor failure, broken blower wheel
Main causes: electrical power failure, up/down activation switch problems, vent gear motor failure

Repair guides common to all downdraft ventilation systems

These step-by-step repair guides will help you safely fix what’s broken on your downdraft vent.

November 1, 2015
By Lyle Weischwill
How to replace a downdraft vent up/down switch

The up/down switch starts the gear motor to raise and lower the air vent. Replace the up/down switch if defective.

Repair difficulty
Time required
 15 minutes or less
November 1, 2015
By Lyle Weischwill
How to replace a downdraft vent blower motor

The blower motor spins the fan blade that removes smoke and steam from the cooktop area. Replace the blower motor if it doesn't run when activated.

Repair difficulty
Time required
 15 minutes or less
November 1, 2015
By Lyle Weischwill
How to replace a downdraft vent gear motor

The gear motor raises and lowers the air vent when you push the activating switch. Replace the gear motor if defective.

Repair difficulty
Time required
 15 minutes or less

Articles and videos common to all downdraft ventilation systems

Use the advice and tips in these articles to get the most out of your downdraft vent.

August 30, 2022

How to enjoy all the online benefits we offer on our Sears PartsDirect website

By Lyle Weischwill

Learn about all the convenient features on our Sears PartsDirect website that make your parts purchases easier.

August 19, 2022

Are DIY appliance repairs safe?

By Lyle Weischwill

Find out how to stay safe when repairing your appliances.

February 23, 2015

Troubleshooting tips for a rectractable downdraft vent

By Lyle Weischwill

See what to check if you are having a problem with a retractable downdraft vent.