Kenmore
Canister Vacuum

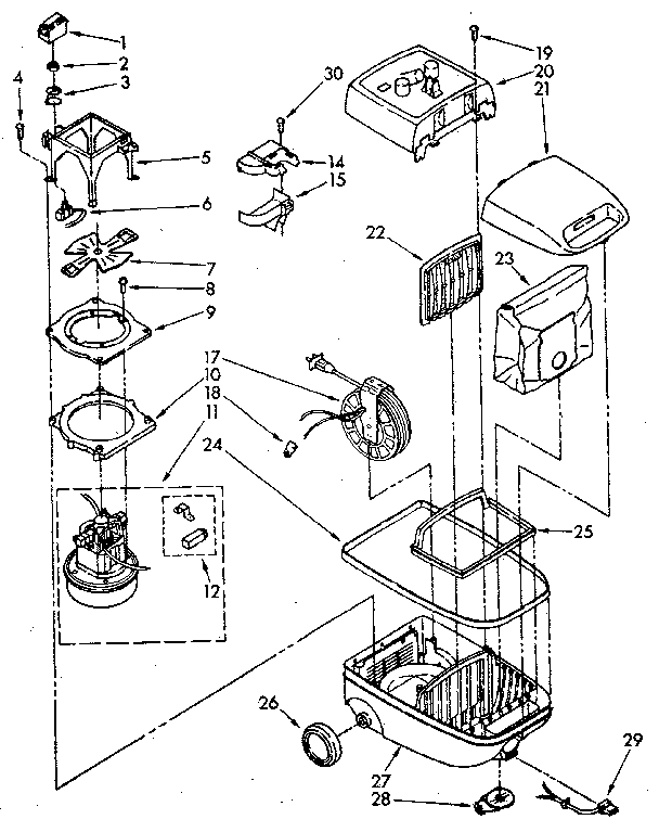
Model #1162920080 Official Kenmore vacuum cleaner hose & attachment parts

Here are the diagrams and repair parts for Kenmore 1162920080 vacuum cleaner hose & attachment parts, as well as links to manuals and error code tables, if available.

There are a couple of ways to find the part or diagram you need:

  • Click a diagram to see the parts shown on that diagram.
  • In the search box below, enter all or part of the part number or the part’s name.

Not all parts are shown on the diagrams—those parts are labeled NI, for “not illustrated”.

We encourage you to save the model to your profile, so it’s easy to access parts and manuals for your appliance whenever you log in.

For DIY troubleshooting advice and repair guides, visit our repair help section.

Showing 10 of 45 parts

Vacuum Upholstery Nozzle (replaces 5265)#17

Hose and attachment Diagram

Upholstery brush

Part #4147115
Replaced by #52651
?
Manufacturer substitution
This part replaces 4147115. Substitute parts can look different from the original.
BEST SELLER
This item is not returnable
In Stock
$17.99 | 
10% OFF 
Phone Price: $19.99
Contact Pin#6

Hose and attachment Diagram

Contact pin

Part #743337
Replaced by #4150715
?
Manufacturer substitution
This part replaces 743337. Substitute parts can look different from the original.
This item is not returnable
In Stock
$5.49
Vacuum Twist-On Wire Connector#18

Vacuum cleaner Diagram

Nut

Part #596564
Replaced by #KS4154460
?
Manufacturer substitution
This part replaces 596564. Substitute parts can look different from the original.
This item is not returnable
In Stock
$2.49
Vacuum Floor Brush#15

Hose and attachment Diagram

Floor brush

Part #4147110
Replaced by #5268
?
Manufacturer substitution
This part replaces 4147110. Substitute parts can look different from the original.
Back Order
$16.19 | 
11% OFF 
Phone Price: $18.19
Screw#8

Vacuum cleaner Diagram

Screw

Part #681624

The manufacturer no longer makes this part, and there's no substitute part

Screw

See All Related Diagrams

Screw

Part #681315

The manufacturer no longer makes this part, and there's no substitute part

Handle Assembly#7

Hose and attachment Diagram

Handle assembly

Part #4147146

The manufacturer no longer makes this part, and there's no substitute part

Nut#2

Vacuum cleaner Diagram

Nut

Part #90825

The manufacturer no longer makes this part, and there's no substitute part

Vacuum Filter (White)#22

Vacuum cleaner Diagram

Vacuum filter (white)

Part #744444

The manufacturer no longer makes this part, and there's no substitute part

Owner's Manual

#NI

All parts Diagram

Owner's manual

Part #LIT4151625

The manufacturer no longer makes this part, and there's no substitute part

Symptoms common to all vacuum cleaners

Choose a symptom to see related vacuum cleaner repairs.

Main causes: damaged vacuum hose, clogged motor air filter, bad suction motor
Main causes: broken drive belt, damaged brush roll, tripped brush roll motor overload, bad brush roll motor, wiring failure
Main causes: lack of power, bad power cord, drive motor failure, wiring failure
Main causes: weak suction motor, vacuum bag is full, clog in suction air path, dirty exhaust filter, leaky vacuum hose

Repair guides for canister vacuums

How to replace a vacuum power head ribbed drive belt

Some canister vacuums have a ribbed drive belt that spins the brush roll on a power brush attachment. If the brush roll slips, you can replace it using these instructions.

Repair difficulty
Time required
 30 minutes or less
July 1, 2013
Lyle Weischwill
How to replace a vacuum suction motor

The suction motor on a vacuum creates the draw of air at the cleaning head that picks up dirt. If the vacuum won't run, give it a new life by replacing the suction motor. These steps explain how.

Repair difficulty
Time required
 15 minutes or less
July 1, 2013
Lyle Weischwill
How to replace a vacuum beater bar

Replace the brush roll if the bristles ares worn or the cylinder is damaged.

Repair difficulty
Time required
 30 minutes or less

Articles and videos common to all vacuum cleaners

Use the advice and tips in these articles and videos to get the most out of your vacuum.

June 29, 2022

Top questions about Sears and Sears PartsDirect

Lyle Weischwill

Get answers to frequently asked questions about Sears and Sears PartsDirect.

January 5, 2015

10 must-have tools for appliance repair

Lyle Weischwill

Come see which tools made our top 10 must-haves for DIY appliance repair.

July 1, 2013

Vacuum common questions

Lyle Weischwill

Find the answers to frequently asked questions about vacuum cleaners.