Amana
Washer

Model #LW2500/P7762104W Official Amana washer

Here are the diagrams and repair parts for Amana LW2500-P7762104W washer, as well as links to manuals and error code tables, if available.

There are a couple of ways to find the part or diagram you need:

  • Click a diagram to see the parts shown on that diagram.
  • In the search box below, enter all or part of the part number or the part’s name.

Not all parts are shown on the diagrams—those parts are labeled NI, for “not illustrated”.

We encourage you to save the model to your profile, so it’s easy to access parts and manuals for your appliance whenever you log in.

For DIY troubleshooting advice and repair guides, visit our repair help section.

Showing 10 of 252 parts

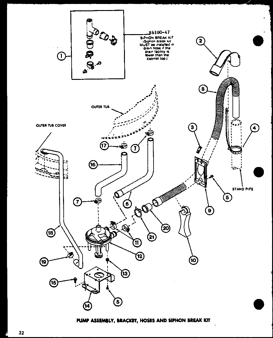
Washer Hose Clamp#3

Inlet hose Diagram

Refrigerator clamp

Part #R0601541
Replaced by #WP285655
?
Manufacturer substitution
This part replaces R0601541. Substitute parts can look different from the original.
This item is not returnable
In Stock
$6.49 | 
13% OFF 
Phone Price: $7.49
Washer Hose Clamp#11

Pump assembly Diagram

Refrigerator hose clamp

Part #R0601516
Replaced by #WP285655
?
Manufacturer substitution
This part replaces R0601516. Substitute parts can look different from the original.
This item is not returnable
In Stock
$6.49 | 
13% OFF 
Phone Price: $7.49
Washer Hose Clamp#19

Pump assembly Diagram

Refrigerator hose clamp

Part #R0601517
Replaced by #WP285655
?
Manufacturer substitution
This part replaces R0601517. Substitute parts can look different from the original.
This item is not returnable
In Stock
$6.49 | 
13% OFF 
Phone Price: $7.49
Washer Hose Clamp#7

Pump assembly Diagram

Refrigerator hose clamp

Part #R0601515
Replaced by #WP285655
?
Manufacturer substitution
This part replaces R0601515. Substitute parts can look different from the original.
This item is not returnable
In Stock
$6.49 | 
13% OFF 
Phone Price: $7.49
Washer Hose Clamp

See All Related Diagrams

Refrigerator hose clamp

Part #R0601505
Replaced by #WP285655
?
Manufacturer substitution
This part replaces R0601505. Substitute parts can look different from the original.
This item is not returnable
In Stock
$6.49 | 
13% OFF 
Phone Price: $7.49
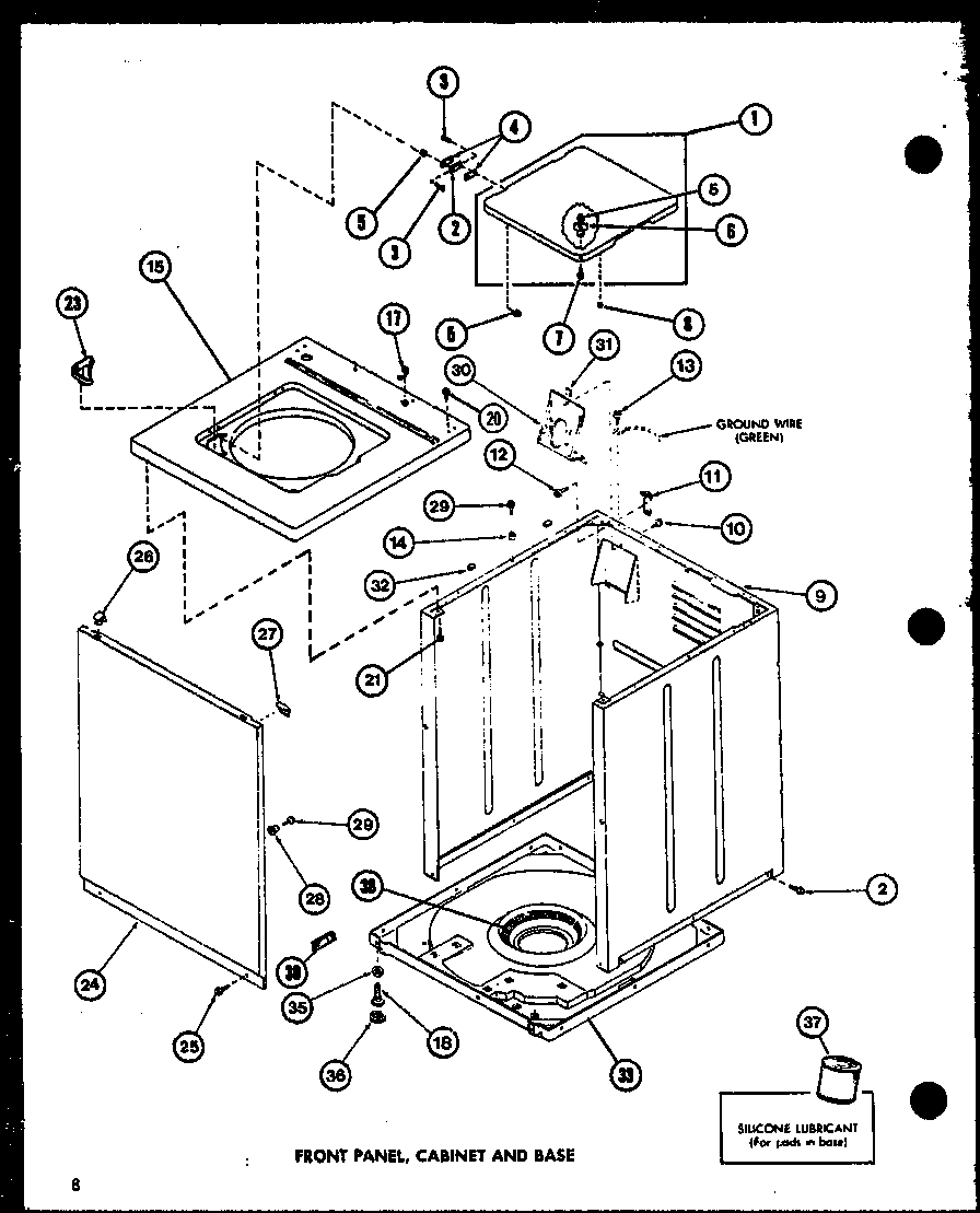
Washer Screw, #10-16 x 3/8-in#12

Front panel Diagram

Use 40064801

Part #R0600032
Replaced by #WP3390631
?
Manufacturer substitution
This part replaces R0600032. Substitute parts can look different from the original.
This item is not returnable
In Stock
$4.39 | 
19% OFF 
Phone Price: $5.39
Washer Main Bearing

Bearing housing

Part #R0610011
Replaced by #WP40004201P
?
Manufacturer substitution
This part replaces R0610011. Substitute parts can look different from the original.
In Stock
$33.17 | 
36% OFF 
MSRP: $52.00
Washer Main Bearing

Bearing

Part #R0605530
Replaced by #WP40004001
?
Manufacturer substitution
This part replaces R0605530. Substitute parts can look different from the original.
In Stock
$52.69 | 
9% OFF 
Phone Price: $57.69
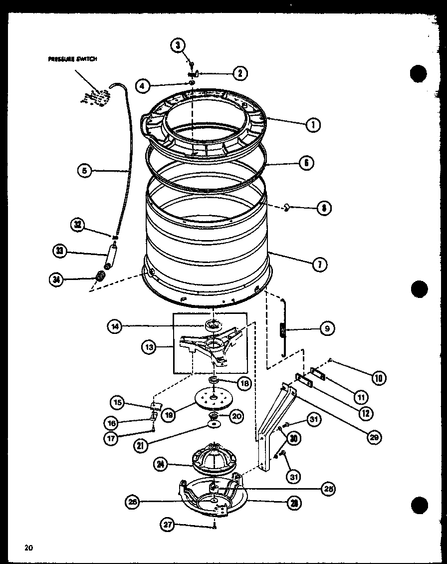
Laundry Appliance Retainer Ring#27

Motor Diagram

Retainer ring

Part #R0601527
Replaced by #WP23748
?
Manufacturer substitution
This part replaces R0601527. Substitute parts can look different from the original.
This item is not returnable
In Stock
$8.59 | 
10% OFF 
Phone Price: $9.59
Washer Drive Belt#30

Motor Diagram

Belt

Part #R0606539
Replaced by #WP28808
?
Manufacturer substitution
This part replaces R0606539. Substitute parts can look different from the original.
This item is not returnable
In Stock
$37.39 | 
12% OFF 
Phone Price: $42.39

Symptoms common to all washers

Choose a symptom to see related washer repairs.

Main causes: leaky water inlet valve, faulty water-level pressure switch, bad electronic control board
Main causes: lack of electrical power, wiring failure, bad power cord, electronic control board failure, bad user interface board
Main causes: water heater failure, bad water temperature switch, faulty control board, bad water valve, faulty water temperature sensor
Main causes: unbalanced load, loose spanner nut, worn drive block, broken shock absorber or suspension spring, debris in drain pump
Main causes: broken lid switch or lid lock, bad pressure switch, broken shifter assembly, faulty control system
Main causes: clogged drain hose, house drain clogged, bad drain pump, water-level pressure switch failure, bad control board or timer
Main causes: worn agitator dogs, bad clutch, broken motor coupler, shifter assembly failure, broken door lock, suspension component failure
Main causes: no water supply, bad water valves, water-level pressure switch failure, control system failure, bad door lock or lid switch
Main causes: bad lid switch or door lock, bad timer or electronic control board, wiring failure, bad water inlet valve assembly

Articles and videos common to all washers

Use the advice and tips in these articles and videos to get the most out of your washer.

January 3, 2022

Why is my washing machine leaking when not in use?

By Lyle Weischwill

Learn how to fix a washing machine leak

December 30, 2021

How to fix a washing machine

By Lyle Weischwill

Learn how to fix your broken washing machine

April 10, 2020

Cleaning your appliances after a drinking water advisory

By Julie Riebe

Find out how to clean and flush household appliances once a boil water advisory is lifted.