GE
Washer

Model #WWA3650RBL Official GE washer

Here are the diagrams and repair parts for GE WWA3650RBL washer, as well as links to manuals and error code tables, if available.

There are a couple of ways to find the part or diagram you need:

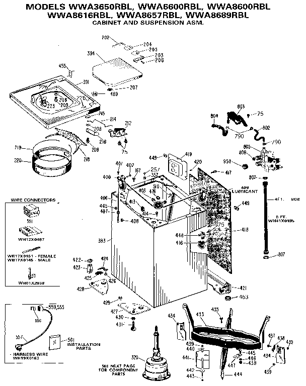
  • Click a diagram to see the parts shown on that diagram.
  • In the search box below, enter all or part of the part number or the part’s name.

Not all parts are shown on the diagrams—those parts are labeled NI, for “not illustrated”.

We encourage you to save the model to your profile, so it’s easy to access parts and manuals for your appliance whenever you log in.

For DIY troubleshooting advice and repair guides, visit our repair help section.

Showing 10 of 278 parts

Washer Control Knob Clip (replaces WE1X980)

#41

All parts Diagram

Knob clip

Part #WE01X0980
Replaced by #WH01X10106
?
Manufacturer substitution
This part replaces WE01X0980. Substitute parts can look different from the original.
BEST SELLER
This item is not returnable
In Stock
$6.92 | 
13% OFF 
Phone Price: $7.92
Washer Timer Knob Clip (replaces WH01X2117, WH1X1499, WH1X1610, WH2X561)

#9

All parts Diagram

Spring clip

Part #WH01X2117
Replaced by #WH1X2117
?
Manufacturer substitution
This part replaces WH01X2117. Substitute parts can look different from the original.
BEST SELLER
In Stock
$6.92 | 
13% OFF 
Phone Price: $7.92
Dryer Screw

#75

All parts Diagram

Screw

Part #WH02X0930
Replaced by #WH2X930
?
Manufacturer substitution
This part replaces WH02X0930. Substitute parts can look different from the original.
This item is not returnable
In Stock
$7.69 | 
12% OFF 
Phone Price: $8.69
Washer Hose Clamp Kit

#790

All parts Diagram

Univ clamp

Part #WH01X2036
Replaced by #WH1X2036
?
Manufacturer substitution
This part replaces WH01X2036. Substitute parts can look different from the original.
In Stock
$11.39 | 
15% OFF 
Phone Price: $13.39
Washer Screw, 12-pack

#417

All parts Diagram

Scr&washer

Part #WH02X0694
Replaced by #WH2X694D
?
Manufacturer substitution
This part replaces WH02X0694. Substitute parts can look different from the original.
This item is not returnable
In Stock
$15.99 | 
11% OFF 
Phone Price: $17.99
Washer Fill Hose, 2-pack

#808

All parts Diagram

In.hose 4 ft

Part #WH41X0058
Replaced by #WH41X10207
?
Manufacturer substitution
This part replaces WH41X0058. Substitute parts can look different from the original.
This item is not returnable
In Stock
$21.05 | 
19% OFF 
Phone Price: $26.05
Use and Care Guide

#1

All parts Diagram

Use and care guide

Part #49-9763
This item is not returnable
In Stock
$2.29
Mini Manual

#1E

All parts Diagram

Mini manual

Part #31-2581
This item is not returnable
In Stock
$5.69 | 
15% OFF 
Phone Price: $6.69
Mini Manual

#1D

All parts Diagram

Mini manual

Part #31-2589
This item is not returnable
In Stock
$2.99
Use and Care Guide

#1A

All parts Diagram

Use and care guide

Part #49-9758
This item is not returnable
In Stock
$2.29

Symptoms common to all washers

Choose a symptom to see related washer repairs.

Main causes: leaky water inlet valve, faulty water-level pressure switch, bad electronic control board
Main causes: lack of electrical power, wiring failure, bad power cord, electronic control board failure, bad user interface board
Main causes: water heater failure, bad water temperature switch, faulty control board, bad water valve, faulty water temperature sensor
Main causes: unbalanced load, loose spanner nut, worn drive block, broken shock absorber or suspension spring, debris in drain pump
Main causes: broken lid switch or lid lock, bad pressure switch, broken shifter assembly, faulty control system
Main causes: clogged drain hose, house drain clogged, bad drain pump, water-level pressure switch failure, bad control board or timer
Main causes: worn agitator dogs, bad clutch, broken motor coupler, shifter assembly failure, broken door lock, suspension component failure
Main causes: no water supply, bad water valves, water-level pressure switch failure, control system failure, bad door lock or lid switch
Main causes: bad lid switch or door lock, bad timer or electronic control board, wiring failure, bad water inlet valve assembly

Articles and videos common to all washers

Use the advice and tips in these articles and videos to get the most out of your washer.

January 3, 2022

Why is my washing machine leaking when not in use?

Lyle Weischwill

Learn how to fix a washing machine leak

December 30, 2021

How to fix a washing machine

Lyle Weischwill

Learn how to fix your broken washing machine

April 10, 2020

Cleaning your appliances after a drinking water advisory

Wayne Archer

Find out how to clean and flush household appliances once a boil water advisory is lifted.