Craftsman
Walk-Behind Mower

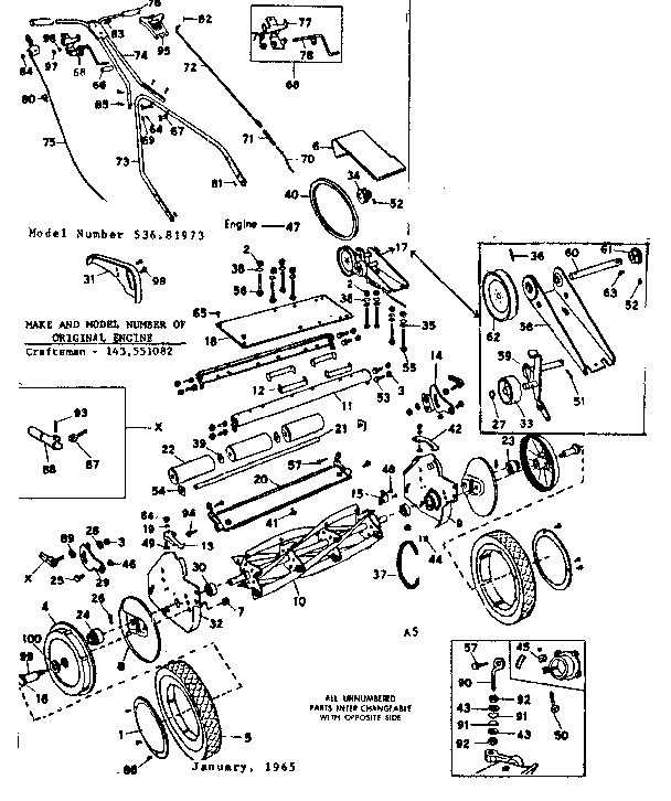
Model #53681973 Official Craftsman 18" power reel lawn mower

Here are the diagrams and repair parts for Craftsman 53681973 18" power reel lawn mower, as well as links to manuals and error code tables, if available.

There are a couple of ways to find the part or diagram you need:

  • Click a diagram to see the parts shown on that diagram.
  • In the search box below, enter all or part of the part number or the part’s name.

Not all parts are shown on the diagrams—those parts are labeled NI, for “not illustrated”.

We encourage you to save the model to your profile, so it’s easy to access parts and manuals for your appliance whenever you log in.

For DIY troubleshooting advice and repair guides, visit our repair help section.

Showing 10 of 274 parts

Snowblower Scraper Blade#4

Replacement parts Diagram

Scraper blade

Part #877
Replaced by #877E701MA
?
Manufacturer substitution
This part replaces 877. Substitute parts can look different from the original.

Get free shipping with Automatic Reorder

In Stock
$60.41 | 
8% OFF 
Phone Price: $65.41
Washer#100

Replacement parts Diagram

Washer

Part #9416095

The manufacturer no longer makes this part, and there's no substitute part

Screw#98

Replacement parts Diagram

Screw

Part #995348

The manufacturer no longer makes this part, and there's no substitute part

Reel Bearing#30

Replacement parts Diagram

Reel bearing

Part #20257

The manufacturer no longer makes this part, and there's no substitute part

Lawn & Garden Equipment Washer#69

Replacement parts Diagram

Washer

Part #8728
Replaced by #783000MA
?
Manufacturer substitution
This part replaces 8728. Substitute parts can look different from the original.
This item is not returnable
In Stock
$5.67
Cotter Pin#82

Replacement parts Diagram

Cotter pin

Part #112726

The manufacturer no longer makes this part, and there's no substitute part

Nylock Nut#92

Replacement parts Diagram

Nylock nut

Part #9415172

The manufacturer no longer makes this part, and there's no substitute part

Washer#96

Replacement parts Diagram

Washer

Part #120385

The manufacturer no longer makes this part, and there's no substitute part

Washer#89

Replacement parts Diagram

Washer

Part #25256

The manufacturer no longer makes this part, and there's no substitute part

Screw#41

Replacement parts Diagram

Screw

Part #997879

The manufacturer no longer makes this part, and there's no substitute part

Articles and videos common to all walk-behind mowers

February 11, 2023

Top 10 electric lawn and garden tools for 2023

Lyle Weischwill

Learn about the top 10 must-have electric lawn & garden tools for 2023

August 30, 2022

How to enjoy all the online benefits we offer on our Sears PartsDirect website

Lyle Weischwill

Learn about all the convenient features on our Sears PartsDirect website that make your parts purchases easier.

August 11, 2022

Tapping into a new feature in the Search Bar on Sears PartsDirect

Lyle Weischwill

Learn about a new feature added to the Search Bar on Sears PartsDirect