Dunkirk
Boiler

Model #XEB-4 Official Dunkirk boiler & storage tank

Here are the diagrams and repair parts for Dunkirk XEB-4 boiler & storage tank, as well as links to manuals and error code tables, if available.

There are a couple of ways to find the part or diagram you need:

  • Click a diagram to see the parts shown on that diagram.
  • In the search box below, enter all or part of the part number or the part’s name.

Not all parts are shown on the diagrams—those parts are labeled NI, for “not illustrated”.

We encourage you to save the model to your profile, so it’s easy to access parts and manuals for your appliance whenever you log in.

For DIY troubleshooting advice and repair guides, visit our repair help section.

Owner’s manual

Showing 10 of 61 parts

Boiler Burner Roll-Out Limit Switch

#NI

All parts Diagram

Boiler burner roll-out limit switch

Part #146-29-002
BEST SELLER
This item is not returnable
In Stock
$14.89 | 
12% OFF 
Phone Price: $16.89
Furnace Intermittent Pilot Ignition Control Module#11A

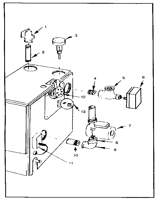
Boiler controls and piping Diagram

Control lp

Part #146-62-071
Replaced by #BG1600M51EF-1AA
?
Manufacturer substitution
This part replaces 146-62-071. Substitute parts can look different from the original.
In Stock
$205.62 | 
5% OFF 
Phone Price: $215.62
Gas Valve#1

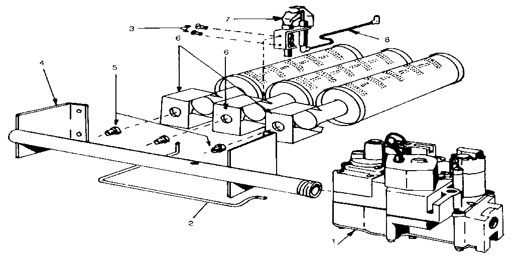
Natural gas burners & manifold Diagram

Gas valve

Part #146-62-052

The manufacturer no longer makes this part, and there's no substitute part

Manifold#4

Natural gas burners & manifold Diagram

Manifold

Part #146-16-044
In Stock
$46.99
Hx Hd Screw#3

Natural gas burners & manifold Diagram

Hx hd screw

Part #146-95-301
This item is not returnable
In Stock
$3.99
Nipple#8

Boiler controls and piping Diagram

Nipple

Part #146-07-044
This item is not returnable
In Stock
$6.99
Floor Base#19B

Non-functional replacement parts Diagram

Floor base

Part #146-14-031
In Stock
$121.47
Module#NI

Natural gas burners & manifold Diagram

Module

Part #146-62-070
In Stock
$108.36
Cleanout Plt#15

Non-functional replacement parts Diagram

Cleanout plt

Part #425-01-541
In Stock
$58.49
Transformer

#NI

All parts Diagram

Transformer

Part #146-62-080
In Stock
$27.49