GE
Electric Range

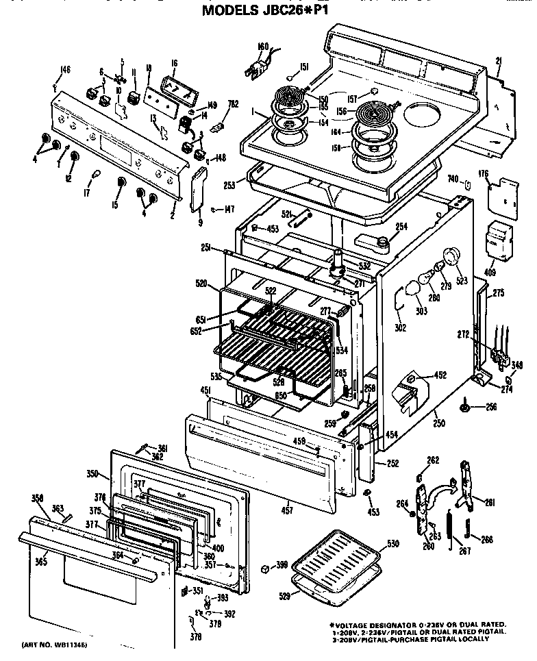
Model #JBC26*P1 Official GE electric range

Here are the diagrams and repair parts for GE JBC26P1 electric range, as well as links to manuals and error code tables, if available.

There are a couple of ways to find the part or diagram you need:

  • Click a diagram to see the parts shown on that diagram.
  • In the search box below, enter all or part of the part number or the part’s name.

Not all parts are shown on the diagrams—those parts are labeled NI, for “not illustrated”.

We encourage you to save the model to your profile, so it’s easy to access parts and manuals for your appliance whenever you log in.

For DIY troubleshooting advice and repair guides, visit our repair help section.

Error Codes

Showing 10 of 119 parts

Appliance Light Bulb, 40-watt (replaces 40A15-2PK, 60A, 60A15RVL, STD398091, WR02X12328, WX12X1510)

#1024

All parts Diagram

Range oven light bulb

Part #WX12X1510
Replaced by #40A15
?
Manufacturer substitution
This part replaces WX12X1510. Substitute parts can look different from the original.
BEST SELLER
In Stock
$7.52 | 
12% OFF 
Phone Price: $8.52
Range Bake Element (replaces 8030, WB44X10003, WB44X5061, WB44X5072, WB44X5082R, WB44X5083)

#650

All parts Diagram

In Stock
$37.07 | 
12% OFF 
Phone Price: $42.07
Range Coil Surface Element, 8-in

#57

All parts Diagram

8" surf elem

Part #WB30M0002
Replaced by #WB30M2
?
Manufacturer substitution
This part replaces WB30M0002. Substitute parts can look different from the original.
BEST SELLER
In Stock
$45.35 | 
10% OFF 
Was: $50.39
Range Light Socket

#279

All parts Diagram

Receptacle

Part #WB8X5095
Replaced by #WB08T10026
?
Manufacturer substitution
This part replaces WB8X5095. Substitute parts can look different from the original.
BEST SELLER
This item is not returnable
In Stock
$7.69 | 
12% OFF 
Phone Price: $8.69
Range Broil Element

#651

All parts Diagram

Broil unit

Part #WB44X185
Replaced by #WB44X173
?
Manufacturer substitution
This part replaces WB44X185. Substitute parts can look different from the original.
In Stock
$36.69 | 
12% OFF 
Phone Price: $41.69
Range Surface Element Control Switch

#3

All parts Diagram

In Stock
$39.99 | 
11% OFF 
Phone Price: $44.99
Range Broil Element Support

#652

All parts Diagram

In Stock
$25.39 | 
16% OFF 
Phone Price: $30.39
Range Burner Trim Ring

#164

All parts Diagram

Range burner trim ring

Part #WB31X5014
This item is not returnable
In Stock
$6.92 | 
13% OFF 
Phone Price: $7.92
Range Terminal Block

#272

All parts Diagram

Range terminal block

Part #WB17X5095
In Stock
$67.99 | 
7% OFF 
Phone Price: $72.99
Range Indicator Light Lens

#7

All parts Diagram

In Stock
$7.69 | 
12% OFF 
Phone Price: $8.69

Symptoms common to all ranges

Choose a symptom to see related range repairs.

Main causes: food splatters, spilling food on the oven door, allowing liquid to drip through oven door vent when cleaning the door
Main causes: power supply failure, blown thermal fuse, bad relay control board, damaged terminal block, wiring failure
Main causes: broken oven door lock assembly, wiring failure, electronic control board problem
Main causes: faulty temperature sensor, electronic control board problem, control thermostat failure, weak burner igniter, oven door problem
Main causes: broken broiler element, weak or broken broil burner igniter, control system failure, faulty temperature sensor, wiring failure
Main causes: power supply problem, control thermostat or electronic control board failure, broken element, bad burner igniter
Main causes: bad bake element, broken burner igniter, control system failure, blown thermal fuse, faulty temperature sensor, wiring failure

Repair guides common to all ranges

These step-by-step repair guides will help you safely fix what’s broken on your range.

July 20, 2018
Lyle Weischwill
How to replace a range oven door switch

The oven door switch detects whether the oven door is closed and helps control the oven light. Replace the switch if it doesn’t control the oven light properly.

Repair difficulty
Time required
 30 minutes or less
February 20, 2015
Lyle Weischwill
How to replace a range oven door lock assembly

Oven door not locking? You can replace the lock assembly in less than 30 minutes. Here's how.

Repair difficulty
Time required
 15 minutes or less

Articles and videos common to all ranges

Use the advice and tips in these articles and videos to get the most out of your range.

December 27, 2021

How does a self-cleaning oven work?

Lyle Weischwill

Learn how the self-clean cycle works in an oven.

October 1, 2019

Coil surface element on range not heating video

Lyle Weischwill

Learn how to troubleshoot a coil surface element on your stove that won't heat.

May 23, 2018

F90 error code troubleshooting for ranges video

Wayne Archer

Troubleshoot the door lock system to find and fix the problem.