Craftsman
Bench Grinder

Model #319287080 Official Craftsman bench grinder

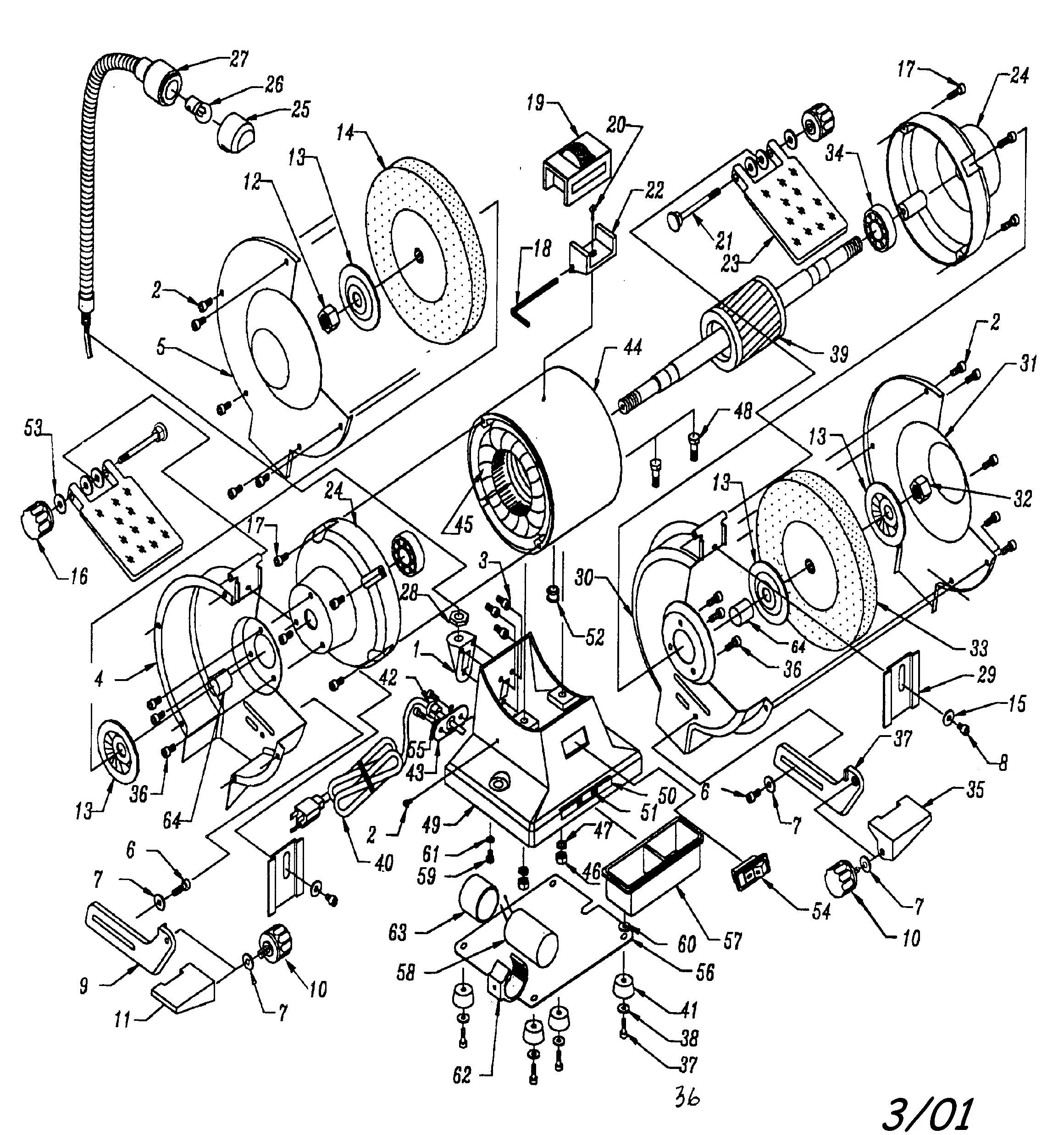
Here are the diagrams and repair parts for Craftsman 319287080 bench grinder, as well as links to manuals and error code tables, if available.

There are a couple of ways to find the part or diagram you need:

  • Click a diagram to see the parts shown on that diagram.
  • In the search box below, enter all or part of the part number or the part’s name.

Not all parts are shown on the diagrams—those parts are labeled NI, for “not illustrated”.

We encourage you to save the model to your profile, so it’s easy to access parts and manuals for your appliance whenever you log in.

For DIY troubleshooting advice and repair guides, visit our repair help section.

Showing 10 of 66 parts

6202zzg#34

Cabinet parts Diagram

6202zzg

Part #21126034

The manufacturer no longer makes this part, and there's no substitute part

M Hex Nut#46

Cabinet parts Diagram

M hex nut

Part #21126046

The manufacturer no longer makes this part, and there's no substitute part

M6 Fl Wash#15

Cabinet parts Diagram

M6 fl wash

Part #21126015

The manufacturer no longer makes this part, and there's no substitute part

M6 Fl Wash#7

Cabinet parts Diagram

M6 fl wash

Part #21126007

The manufacturer no longer makes this part, and there's no substitute part

M Cap Scrw#48

Cabinet parts Diagram

M cap scrw

Part #21126048

The manufacturer no longer makes this part, and there's no substitute part

Washer#61

Cabinet parts Diagram

Washer

Part #21126061

The manufacturer no longer makes this part, and there's no substitute part

Light Bulb#26

Cabinet parts Diagram

Light bulb

Part #21126026

The manufacturer no longer makes this part, and there's no substitute part

Owner's Manual#NI

Cabinet parts Diagram

Owner's manual

Part #287080001

The manufacturer no longer makes this part, and there's no substitute part

Guard#30

Cabinet parts Diagram

Guard

Part #21126030

The manufacturer no longer makes this part, and there's no substitute part

Plate#43

Cabinet parts Diagram

Plate

Part #21126043

The manufacturer no longer makes this part, and there's no substitute part