Whirlpool
Washer

Model #WFW97HEXL1 Official Whirlpool washer

Here are the diagrams and repair parts for Whirlpool WFW97HEXL1 washer, as well as links to manuals and error code tables, if available.

There are a couple of ways to find the part or diagram you need:

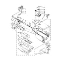
  • Click a diagram to see the parts shown on that diagram.
  • In the search box below, enter all or part of the part number or the part’s name.

Not all parts are shown on the diagrams—those parts are labeled NI, for “not illustrated”.

We encourage you to save the model to your profile, so it’s easy to access parts and manuals for your appliance whenever you log in.

For DIY troubleshooting advice and repair guides, visit our repair help section.

Installation guideOwner’s manual

    Showing 10 of 170 parts

    Affresh Washer Cleaner, 3-pack#NI

    Optional parts (not included) Diagram

    Affresh washer cleaner, 3-pack

    Part #W10135699
    BEST SELLER

    Get free shipping with Automatic Reorder

    In Stock
    $8.99 | 
    44% OFF 
    MSRP: $16.00
    Washer Motor Control Board#11

    Top and cabinet parts Diagram

    Washer motor control board

    Part #W10374126

    The manufacturer no longer makes this part, and there's no substitute part

    Washer Inlet Flow Meter#4

    Dispenser parts Diagram

    Flow meter

    Part #8181696
    Replaced by #WPW10110225
    ?
    Manufacturer substitution
    This part replaces 8181696. Substitute parts can look different from the original.
    BEST SELLER
    In Stock
    $80.50 | 
    10% OFF 
    Was: $89.39
    Appliance Touch-Up Paint, 0.6-oz (White)#NI

    Optional parts (not included) Diagram

    In Stock
    $8.29 | 
    11% OFF 
    Phone Price: $9.29
    Washer Tub-to-Pump Hose#3

    Pump parts Diagram

    Hose

    Part #W10241029
    Replaced by #WPW10467168
    ?
    Manufacturer substitution
    This part replaces W10241029. Substitute parts can look different from the original.
    BEST SELLER
    In Stock
    $26.19 | 
    16% OFF 
    Phone Price: $31.19
    Appliance Spray Paint (White)#NI

    Optional parts (not included) Diagram

    Appliance spray paint (white)

    Part #350930
    BEST SELLER
    This item is not returnable
    In Stock
    $15.69 | 
    11% OFF 
    Phone Price: $17.69
    Washer Door Hinge#1

    Door parts Diagram

    Washer door hinge

    Part #W10208415
    Replaced by #WPW10208415
    ?
    Manufacturer substitution
    This part replaces W10208415. Substitute parts can look different from the original.
    BEST SELLER
    In Stock
    $94.53 | 
    5% OFF 
    Phone Price: $99.53
    Appliance Hose Clamp#29

    Dispenser parts Diagram

    Clamp

    Part #W10096851
    Replaced by #WP596669
    ?
    Manufacturer substitution
    This part replaces W10096851. Substitute parts can look different from the original.
    BEST SELLER
    This item is not returnable
    In Stock
    $3.09 | 
    30% OFF 
    MSRP: $4.40
    Appliance Hose Clamp#3

    Dispenser parts Diagram

    Clamp

    Part #370450
    Replaced by #WP596669
    ?
    Manufacturer substitution
    This part replaces 370450. Substitute parts can look different from the original.
    BEST SELLER
    This item is not returnable
    In Stock
    $3.09 | 
    30% OFF 
    MSRP: $4.40
    Washer Leveling Leg#37

    Top and cabinet parts Diagram

    Washer leveling leg

    Part #W10001130
    Replaced by #WPW10001130
    ?
    Manufacturer substitution
    This part replaces W10001130. Substitute parts can look different from the original.
    BEST SELLER
    This item is not returnable
    In Stock
    $2.89 | 
    31% OFF 
    MSRP: $4.20

    Symptoms common to all washers

    Choose a symptom to see related washer repairs.

    Main causes: leaky water inlet valve, faulty water-level pressure switch, bad electronic control board
    Main causes: lack of electrical power, wiring failure, bad power cord, electronic control board failure, bad user interface board
    Main causes: water heater failure, bad water temperature switch, faulty control board, bad water valve, faulty water temperature sensor
    Main causes: unbalanced load, loose spanner nut, worn drive block, broken shock absorber or suspension spring, debris in drain pump
    Main causes: broken lid switch or lid lock, bad pressure switch, broken shifter assembly, faulty control system
    Main causes: clogged drain hose, house drain clogged, bad drain pump, water-level pressure switch failure, bad control board or timer
    Main causes: worn agitator dogs, bad clutch, broken motor coupler, shifter assembly failure, broken door lock, suspension component failure
    Main causes: no water supply, bad water valves, water-level pressure switch failure, control system failure, bad door lock or lid switch
    Main causes: bad lid switch or door lock, bad timer or electronic control board, wiring failure, bad water inlet valve assembly

    Articles and videos common to all washers

    Use the advice and tips in these articles and videos to get the most out of your washer.

    January 3, 2022

    Why is my washing machine leaking when not in use?

    By Lyle Weischwill

    Learn how to fix a washing machine leak

    December 30, 2021

    How to fix a washing machine

    By Lyle Weischwill

    Learn how to fix your broken washing machine

    April 10, 2020

    Cleaning your appliances after a drinking water advisory

    By Julie Riebe

    Find out how to clean and flush household appliances once a boil water advisory is lifted.