Hoover
Central Vacuum

Model #S8151 Official Hoover central vacuum

Here are the diagrams and repair parts for Hoover S8151 central vacuum, as well as links to manuals and error code tables, if available.

There are a couple of ways to find the part or diagram you need:

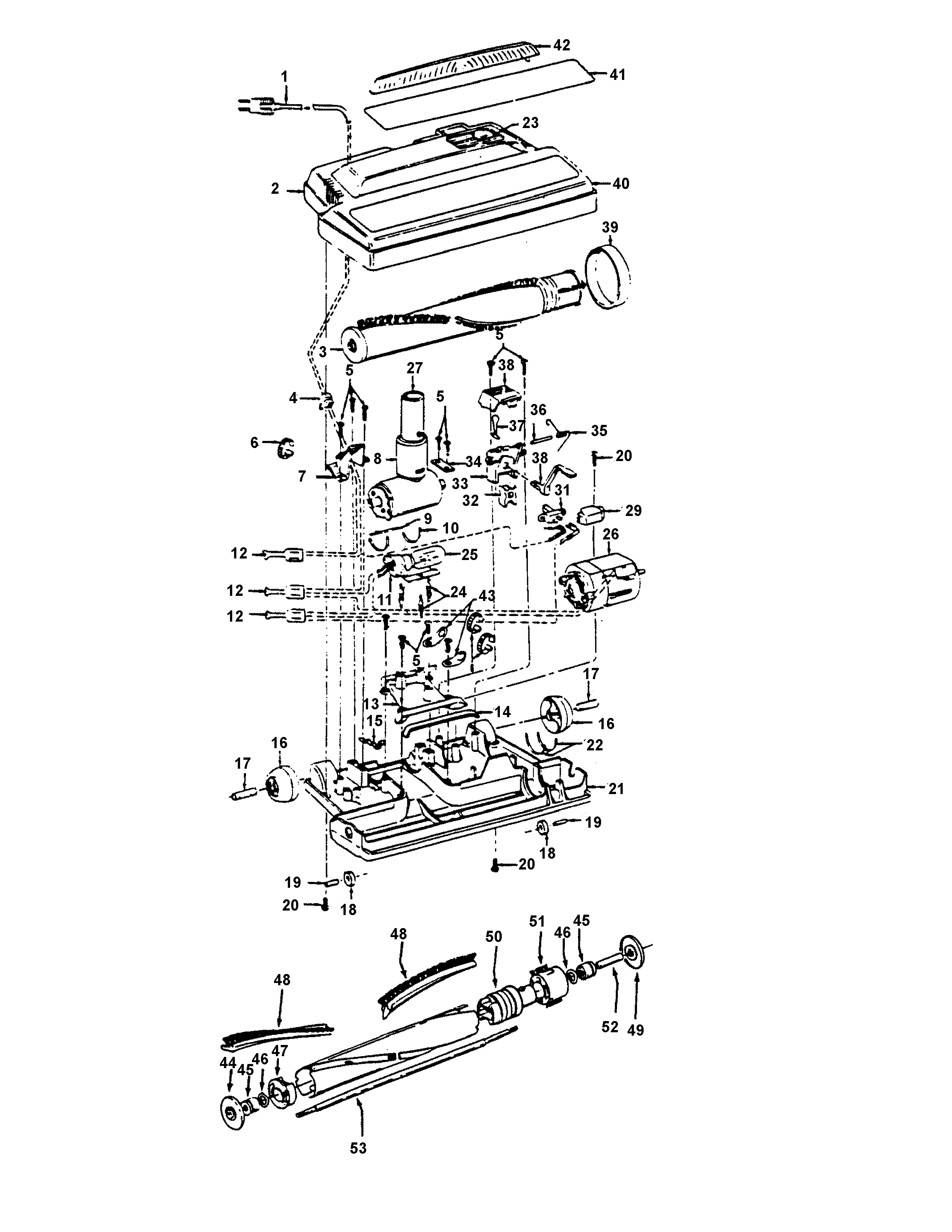
  • Click a diagram to see the parts shown on that diagram.
  • In the search box below, enter all or part of the part number or the part’s name.

Not all parts are shown on the diagrams—those parts are labeled NI, for “not illustrated”.

We encourage you to save the model to your profile, so it’s easy to access parts and manuals for your appliance whenever you log in.

For DIY troubleshooting advice and repair guides, visit our repair help section.

Showing 10 of 68 parts

Vacuum Wheel#18

Powerednozzle, agitator Diagram

Vacuum wheel

Part #32761001

The manufacturer no longer makes this part, and there's no substitute part

Vacuum Dust Brush#23

Hose, cleaningtools Diagram

Vacuum dust brush

Part #43414064

The manufacturer no longer makes this part, and there's no substitute part

Cord#1

Powerednozzle, agitator Diagram

Cord

Part #46321009

The manufacturer no longer makes this part, and there's no substitute part

Seal#22A

Powerednozzle, agitator Diagram

Seal

Part #34378010

The manufacturer no longer makes this part, and there's no substitute part

Latch Ring#18

Hose, cleaningtools Diagram

Latch ring

Part #36153029

The manufacturer no longer makes this part, and there's no substitute part

Vacuum Light Bulb#25

Powerednozzle, agitator Diagram

Vacuum light bulb

Part #27317307

The manufacturer no longer makes this part, and there's no substitute part

Wire Connector#53B

Powerednozzle, agitator Diagram

Wire connector

Part #27618508

The manufacturer no longer makes this part, and there's no substitute part

Vacuum Floor Brush Attachment Swivel#24

Hose, cleaningtools Diagram

Vacuum floor brush attachment swivel

Part #38644020

The manufacturer no longer makes this part, and there's no substitute part

Vacuum Screw#5

Powerednozzle, agitator Diagram

Vacuum screw

Part #21447041

The manufacturer no longer makes this part, and there's no substitute part

Retainer#34

Powerednozzle, agitator Diagram

Retainer

Part #36131017

The manufacturer no longer makes this part, and there's no substitute part

Symptoms common to all vacuum cleaners

Choose a symptom to see related vacuum cleaner repairs.

Main causes: damaged vacuum hose, clogged motor air filter, bad suction motor
Main causes: broken drive belt, damaged brush roll, tripped brush roll motor overload, bad brush roll motor, wiring failure
Main causes: lack of power, bad power cord, drive motor failure, wiring failure
Main causes: weak suction motor, vacuum bag is full, clog in suction air path, dirty exhaust filter, leaky vacuum hose

Articles and videos common to all vacuum cleaners

Use the advice and tips in these articles and videos to get the most out of your vacuum.

January 5, 2015

10 must-have tools for appliance repair

By Lyle Weischwill

Come see which tools made our top 10 must-haves for DIY appliance repair.

December 18, 2014

Deciding between a canister or upright vacuum

By Lyle Weischwill

Undecided about canister or upright? We compare them.

July 1, 2013

Vacuum common questions

By Lyle Weischwill

Find the answers to frequently asked questions about vacuum cleaners.