Craftsman
Welder

Model #196205680 Official Craftsman mig welder

Here are the diagrams and repair parts for Craftsman 196205680 mig welder, as well as links to manuals and error code tables, if available.

There are a couple of ways to find the part or diagram you need:

  • Click a diagram to see the parts shown on that diagram.
  • In the search box below, enter all or part of the part number or the part’s name.

Not all parts are shown on the diagrams—those parts are labeled NI, for “not illustrated”.

We encourage you to save the model to your profile, so it’s easy to access parts and manuals for your appliance whenever you log in.

For DIY troubleshooting advice and repair guides, visit our repair help section.

Owner’s manual

Showing 10 of 60 parts

AC Cord#17

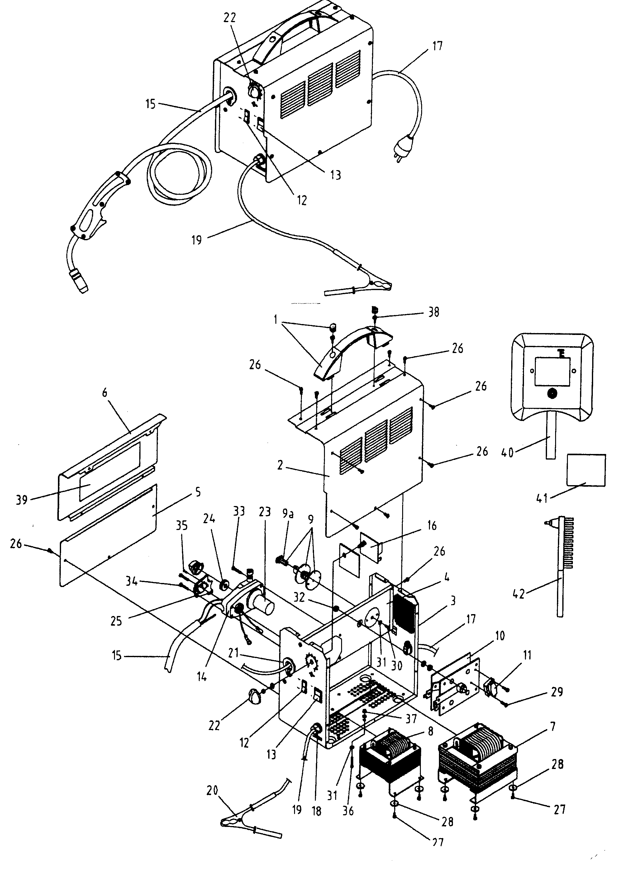
Cabinet parts Diagram

Ac cord

Part #WE20568-20220018

The manufacturer no longer makes this part, and there's no substitute part

Welder Wire Feed Guide#24

Cabinet parts Diagram

Welder wire feed guide

Part #WE20568-33805074

The manufacturer no longer makes this part, and there's no substitute part

Choke#8

Cabinet parts Diagram

Choke

Part #WE20568-44135097

The manufacturer no longer makes this part, and there's no substitute part

Rectifier#10

Cabinet parts Diagram

Rectifier

Part #WE20568-22400083

The manufacturer no longer makes this part, and there's no substitute part

Handle#1

Cabinet parts Diagram

Handle

Part #WE20568-21600036

The manufacturer no longer makes this part, and there's no substitute part

Switch#12

Cabinet parts Diagram

Switch

Part #WE20568-22200036

The manufacturer no longer makes this part, and there's no substitute part

Accy Pack#38

Cabinet parts Diagram

Accy pack

Part #WE20568-21020047

The manufacturer no longer makes this part, and there's no substitute part

Nozzle#9

Gun parts Diagram

Nozzle

Part #WE20568-23005147

The manufacturer no longer makes this part, and there's no substitute part

Handle#1

Gun parts Diagram

Handle

Part #WE20568-21690300

The manufacturer no longer makes this part, and there's no substitute part

PCB Assembly#16

Cabinet parts Diagram

Pcb assembly

Part #WE20568-22710001

The manufacturer no longer makes this part, and there's no substitute part