Hoover
Upright Vacuum

Model #U3737930 Official Hoover upright vacuum

Here are the diagrams and repair parts for Hoover U3737930 upright vacuum, as well as links to manuals and error code tables, if available.

There are a couple of ways to find the part or diagram you need:

  • Click a diagram to see the parts shown on that diagram.
  • In the search box below, enter all or part of the part number or the part’s name.

Not all parts are shown on the diagrams—those parts are labeled NI, for “not illustrated”.

We encourage you to save the model to your profile, so it’s easy to access parts and manuals for your appliance whenever you log in.

For DIY troubleshooting advice and repair guides, visit our repair help section.

Showing 10 of 102 parts

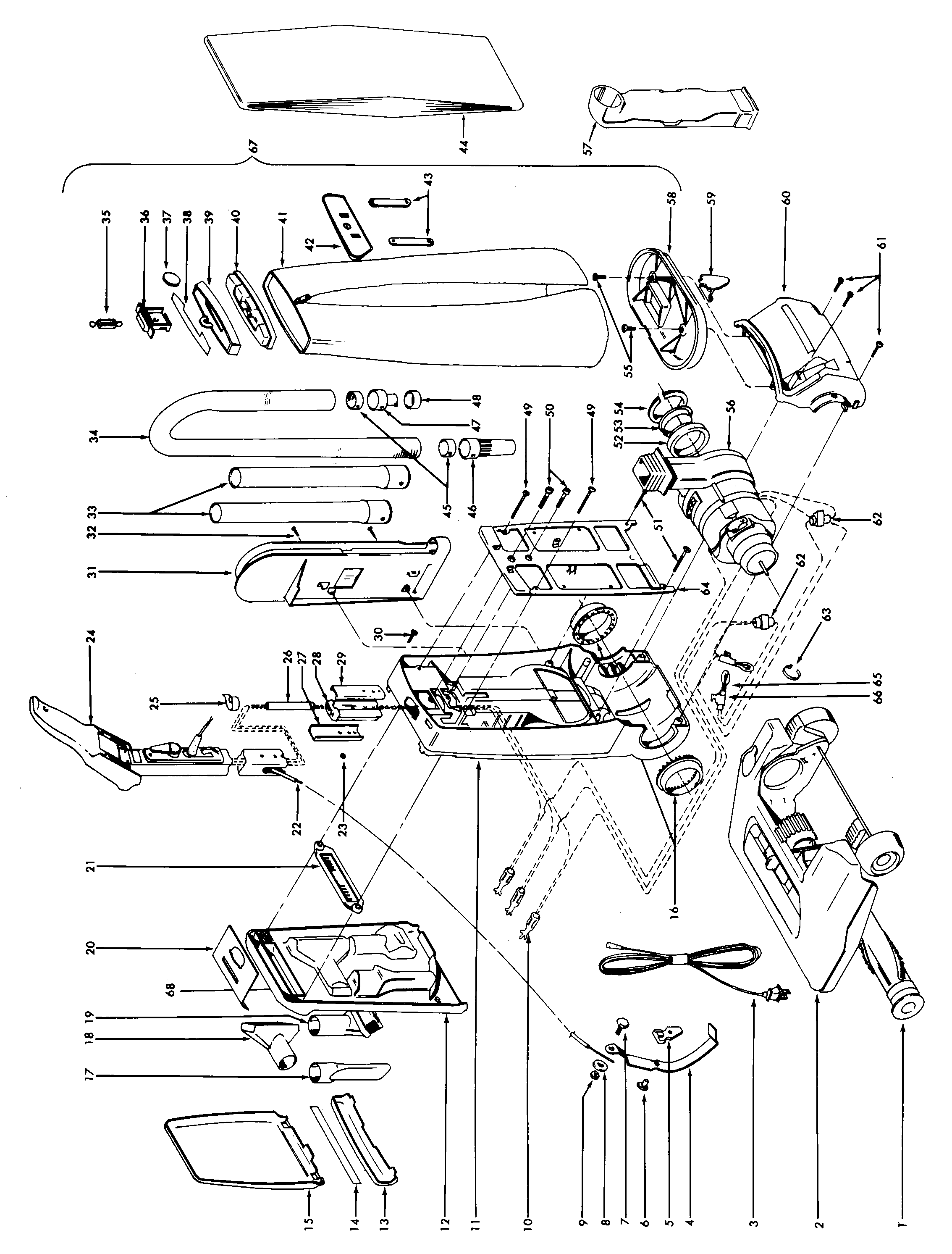
Pulley#16

Mainbody Diagram

Pulley

Part #38537001

The manufacturer no longer makes this part, and there's no substitute part

Speed Nut#30

Mainbody Diagram

Speed nut

Part #21362006

The manufacturer no longer makes this part, and there's no substitute part

Cam#32

Mainbody Diagram

Cam

Part #38563018

The manufacturer no longer makes this part, and there's no substitute part

Axle#56

Mainbody Diagram

Axle

Part #32547002

The manufacturer no longer makes this part, and there's no substitute part

Hose Gasket#48

Cleaningtools, outerbag, hood Diagram

Hose gasket

Part #31178013

The manufacturer no longer makes this part, and there's no substitute part

Nut#9

Cleaningtools, outerbag, hood Diagram

Nut

Part #21641623

The manufacturer no longer makes this part, and there's no substitute part

Carpet Cleaner Screw#51

Cleaningtools, outerbag, hood Diagram

Carpet cleaner screw

Part #21447019

The manufacturer no longer makes this part, and there's no substitute part

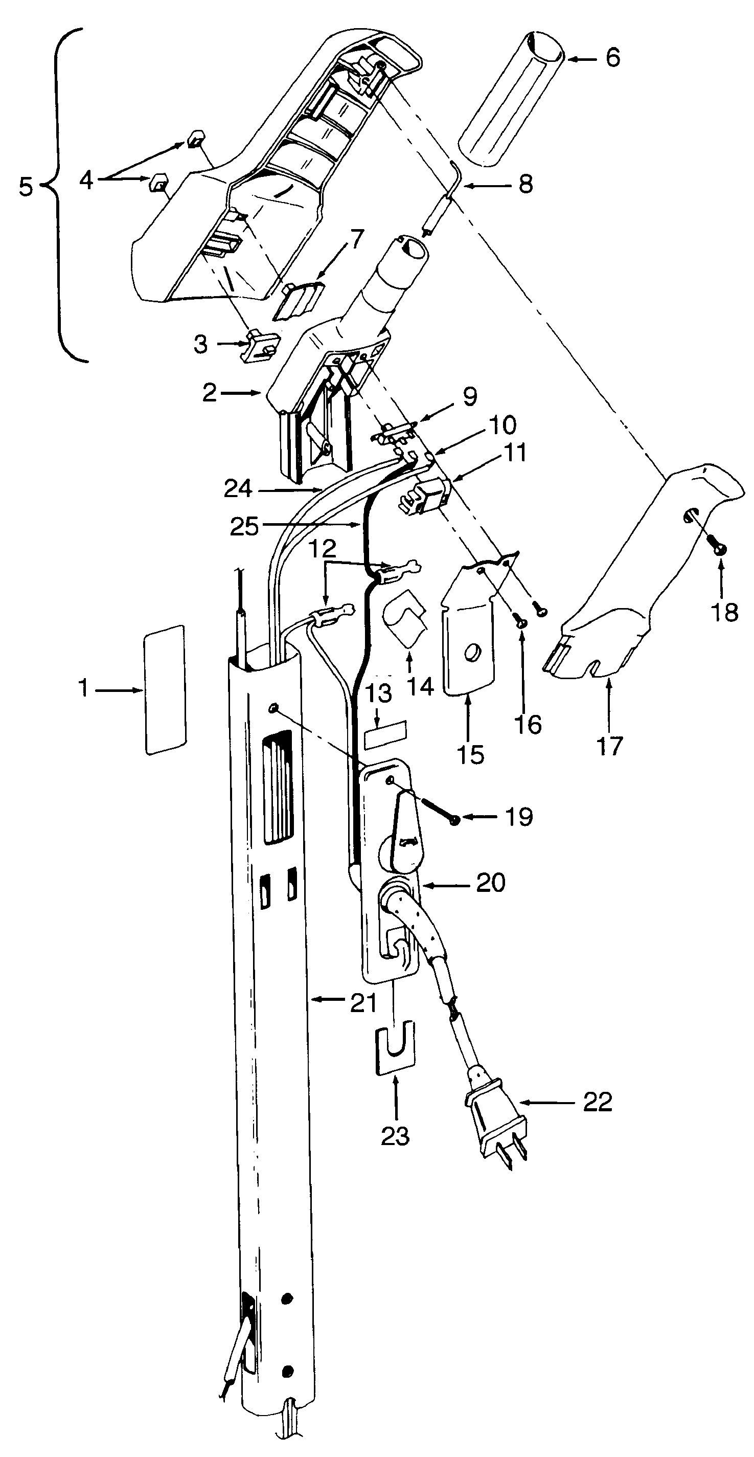
Vacuum Screw#18

Handle Diagram

Vacuum screw

Part #21447041

The manufacturer no longer makes this part, and there's no substitute part

Vacuum Beater Bar Belt#14

Mainbody Diagram

Vacuum beater bar belt

Part #160147AG

The manufacturer no longer makes this part, and there's no substitute part

Screw#16

Handle Diagram

Screw

Part #21447218

The manufacturer no longer makes this part, and there's no substitute part

Symptoms common to all vacuum cleaners

Choose a symptom to see related vacuum cleaner repairs.

Main causes: damaged vacuum hose, clogged motor air filter, bad suction motor
Main causes: broken drive belt, damaged brush roll, tripped brush roll motor overload, bad brush roll motor, wiring failure
Main causes: lack of power, bad power cord, drive motor failure, wiring failure
Main causes: weak suction motor, vacuum bag is full, clog in suction air path, dirty exhaust filter, leaky vacuum hose

Articles and videos common to all vacuum cleaners

Use the advice and tips in these articles and videos to get the most out of your vacuum.

June 29, 2022

Top questions about Sears and Sears PartsDirect

Lyle Weischwill

Get answers to frequently asked questions about Sears and Sears PartsDirect.

January 5, 2015

10 must-have tools for appliance repair

Lyle Weischwill

Come see which tools made our top 10 must-haves for DIY appliance repair.

July 1, 2013

Vacuum common questions

Lyle Weischwill

Find the answers to frequently asked questions about vacuum cleaners.