Power Wheels
Toys & Games

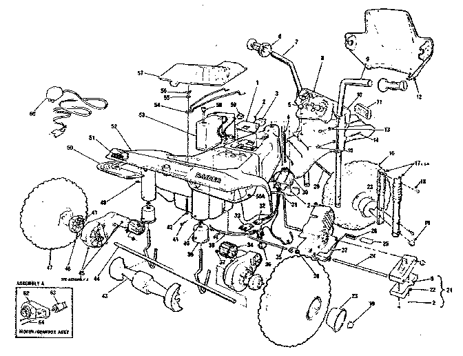
Model #PP2020 Official Power Wheels raider

Here are the diagrams and repair parts for Power Wheels PP2020 raider, as well as links to manuals and error code tables, if available.

There are a couple of ways to find the part or diagram you need:

  • Click a diagram to see the parts shown on that diagram.
  • In the search box below, enter all or part of the part number or the part’s name.

Not all parts are shown on the diagrams—those parts are labeled NI, for “not illustrated”.

We encourage you to save the model to your profile, so it’s easy to access parts and manuals for your appliance whenever you log in.

For DIY troubleshooting advice and repair guides, visit our repair help section.

Showing 10 of 65 parts

Acorn Nut#15

Replacement parts Diagram

Acorn nut

Part #40.103220

The manufacturer no longer makes this part, and there's no substitute part

Wing Nut#56

Replacement parts Diagram

Wing nut

Part #40.102460

The manufacturer no longer makes this part, and there's no substitute part

Plascrew#2

Replacement parts Diagram

Plascrew

Part #6.0800168

The manufacturer no longer makes this part, and there's no substitute part

Screw#41

Replacement parts Diagram

Screw

Part #6.100166

The manufacturer no longer makes this part, and there's no substitute part

Plascrew#18

Replacement parts Diagram

Plascrew

Part #6.0800248

The manufacturer no longer makes this part, and there's no substitute part

Wheel#47

Replacement parts Diagram

Wheel

Part #62.9083463

The manufacturer no longer makes this part, and there's no substitute part

False Mtr Rh#27

Replacement parts Diagram

False mtr rh

Part #21.0100R

The manufacturer no longer makes this part, and there's no substitute part

9mm W/o Body#40

Replacement parts Diagram

9mm w/o body

Part #47.035440

The manufacturer no longer makes this part, and there's no substitute part

Mud Flap#50A

Replacement parts Diagram

Mud flap

Part #22.9083R

The manufacturer no longer makes this part, and there's no substitute part

Retainer#28

Replacement parts Diagram

Retainer

Part #47.025020

The manufacturer no longer makes this part, and there's no substitute part