Craftsman
Accessory

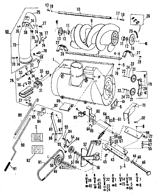
Model #842260071 Official Craftsman 40" snow thrower attachment

Here are the diagrams and repair parts for Craftsman 842260071 40" snow thrower attachment, as well as links to manuals and error code tables, if available.

There are a couple of ways to find the part or diagram you need:

  • Click a diagram to see the parts shown on that diagram.
  • In the search box below, enter all or part of the part number or the part’s name.

Not all parts are shown on the diagrams—those parts are labeled NI, for “not illustrated”.

We encourage you to save the model to your profile, so it’s easy to access parts and manuals for your appliance whenever you log in.

For DIY troubleshooting advice and repair guides, visit our repair help section.

Showing 10 of 129 parts

Pin#10

Main frame Diagram

Pin

Part #3341

The manufacturer no longer makes this part, and there's no substitute part

Cotter Pin#18

Main frame Diagram

Cotter pin

Part #3430

The manufacturer no longer makes this part, and there's no substitute part

Nut#65

Auger assembly Diagram

Nut

Part #GM-120376

The manufacturer no longer makes this part, and there's no substitute part

Nut#38

Auger assembly Diagram

Nut

Part #4119

The manufacturer no longer makes this part, and there's no substitute part

Bolt#85

Auger assembly Diagram

Bolt

Part #GM-180122

The manufacturer no longer makes this part, and there's no substitute part

Handle Grip#16

Main frame Diagram

Handle grip

Part #3339

The manufacturer no longer makes this part, and there's no substitute part

Screw#28

Auger assembly Diagram

Screw

Part #GM-9414012

The manufacturer no longer makes this part, and there's no substitute part

Snowblower Chain Guard#27

Auger assembly Diagram

Snowblower chain guard

Part #3036

The manufacturer no longer makes this part, and there's no substitute part

Spacer#20

Main frame Diagram

Spacer

Part #11018

The manufacturer no longer makes this part, and there's no substitute part

Nut Washer

See All Related Diagrams

Nut washer

Part #GM-271184

The manufacturer no longer makes this part, and there's no substitute part