Kenmore
Dehumidifier

Model #106759150 Official Kenmore dehumidifier

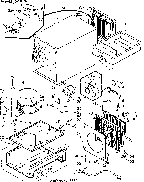
Here are the diagrams and repair parts for Kenmore 106759150 dehumidifier, as well as links to manuals and error code tables, if available.

There are a couple of ways to find the part or diagram you need:

  • Click a diagram to see the parts shown on that diagram.
  • In the search box below, enter all or part of the part number or the part’s name.

Not all parts are shown on the diagrams—those parts are labeled NI, for “not illustrated”.

We encourage you to save the model to your profile, so it’s easy to access parts and manuals for your appliance whenever you log in.

For DIY troubleshooting advice and repair guides, visit our repair help section.

Showing 10 of 61 parts

Appliance Screw#54

Unit parts Diagram

Screw

Part #487910
Replaced by #WP488729
?
Manufacturer substitution
This part replaces 487910. Substitute parts can look different from the original.
BEST SELLER
This item is not returnable
In Stock
$4.39 | 
19% OFF 
Phone Price: $5.39
Refrigerator Service Valve, 3/4-in

#NI

All parts Diagram

Valve kit

Part #978030
Replaced by #978030
?
Manufacturer substitution
This part replaces 978030. Substitute parts can look different from the original.
In Stock
$40.49 | 
11% OFF 
Phone Price: $45.49
Refrigerator Service Valve

#NI

All parts Diagram

Valve kit

Part #978025
Replaced by #WP978025
?
Manufacturer substitution
This part replaces 978025. Substitute parts can look different from the original.
In Stock
$18.97 | 
37% OFF 
MSRP: $30.00
Tube Clamp#53

Unit parts Diagram

Tube clamp

Part #488946
In Stock
$14.00
Nut#26

Unit parts Diagram

Nut

Part #488130

The manufacturer no longer makes this part, and there's no substitute part

Refrigerator Service Valve

#NI

All parts Diagram

Valve kit

Part #978026
Replaced by #978026
?
Manufacturer substitution
This part replaces 978026. Substitute parts can look different from the original.
In Stock
$34.19 | 
13% OFF 
Phone Price: $39.19
Nut#76

Unit parts Diagram

Nut

Part #486197
Replaced by #488660
?
Manufacturer substitution
This part replaces 486197. Substitute parts can look different from the original.
In Stock
$16.79 | 
11% OFF 
Phone Price: $18.79
Refrigerator Service Valve

#NI

All parts Diagram

Valve kit

Part #978027
Replaced by #978027
?
Manufacturer substitution
This part replaces 978027. Substitute parts can look different from the original.
In Stock
$38.69 | 
11% OFF 
Phone Price: $43.69
Screw#9

Unit parts Diagram

Screw

Part #488777

The manufacturer no longer makes this part, and there's no substitute part

Refrigerator Service Valve

#NI

All parts Diagram

Refrigerant access valve, 5/8-in

Part #978029
Replaced by #978029
?
Manufacturer substitution
This part replaces 978029. Substitute parts can look different from the original.
In Stock
$41.18

Symptoms common to all dehumidifiers

Choose a symptom to see related dehumidifier repairs.

Main causes: dehumidifier too small for the space, bad humidity sensor, faulty evaporator thermistor, low refrigerant, bad compressor
Main causes: lack of electrical power, wiring failure, electronic control board failure, user interface control failure
Main causes: collection bucket not installed correctly, cracked collection bucket, loose drain hose connection
Main causes: collection bucket not installed, collection bucket full of water
Main causes: room temperature below 65 degrees Fahrenheit, control system failure
Main causes: clogged drain hose, drain hose not properly connected
Main causes: weak or dead batteries, out of range, radio frequency interference
Main causes: dirty air filter, clogged grill, dehumidifier placed too close to the wall, dehumidifier too small for the space
Main causes: loose fan motor mounting screws, loose compressor mounting bracket screws, bad fan, faulty compressor

Repair guides common to all dehumidifiers

These step-by-step repair guides will help you safely fix what’s broken on your dehumidifier.

January 1, 2014
Lyle Weischwill
How to replace a dehumidifier sensor assembly

If the humidifier sensor doesn’t properly detect humidity or evaporator temperature, install a new sensor assembly, following these steps.

Repair difficulty
Time required
 45 minutes or less
How to replace a dehumidifier user interface control board

If the dehumidifier doesn’t respond when you try to set it, follow these steps to replace it.

Repair difficulty
Time required
 30 minutes or less
How to replace a dehumidifier electronic control board

If the dehumidifier won’t power up because the control board has failed, use the steps in this repair guide to replace the electronic control board and fix your dehumidifier.

Repair difficulty
Time required
 45 minutes or less

Articles and videos common to all dehumidifiers

Use the advice and tips in these articles to get the most out of your dehumidifier.

August 18, 2021

Using a wiring schematic to trace a current video

Lyle Weischwill

Find out what’s wrong with your appliance by following a circuit.

August 17, 2021

How to read a wiring schematic video

Lyle Weischwill

Learn how to decipher symbols so you can buy the right part for your problem.

December 16, 2014

How to clean a dehumidifier

Lyle R. Weischwill

How to clean a dehumidifier for more efficient operation.