Panasonic
Upright Vacuum

Model #MC-V7428 Official Panasonic vacuum

Here are the diagrams and repair parts for Panasonic MC-V7428 vacuum, as well as links to manuals and error code tables, if available.

There are a couple of ways to find the part or diagram you need:

  • Click a diagram to see the parts shown on that diagram.
  • In the search box below, enter all or part of the part number or the part’s name.

Not all parts are shown on the diagrams—those parts are labeled NI, for “not illustrated”.

We encourage you to save the model to your profile, so it’s easy to access parts and manuals for your appliance whenever you log in.

For DIY troubleshooting advice and repair guides, visit our repair help section.

Showing 10 of 122 parts

Upholstery Brush#D-12

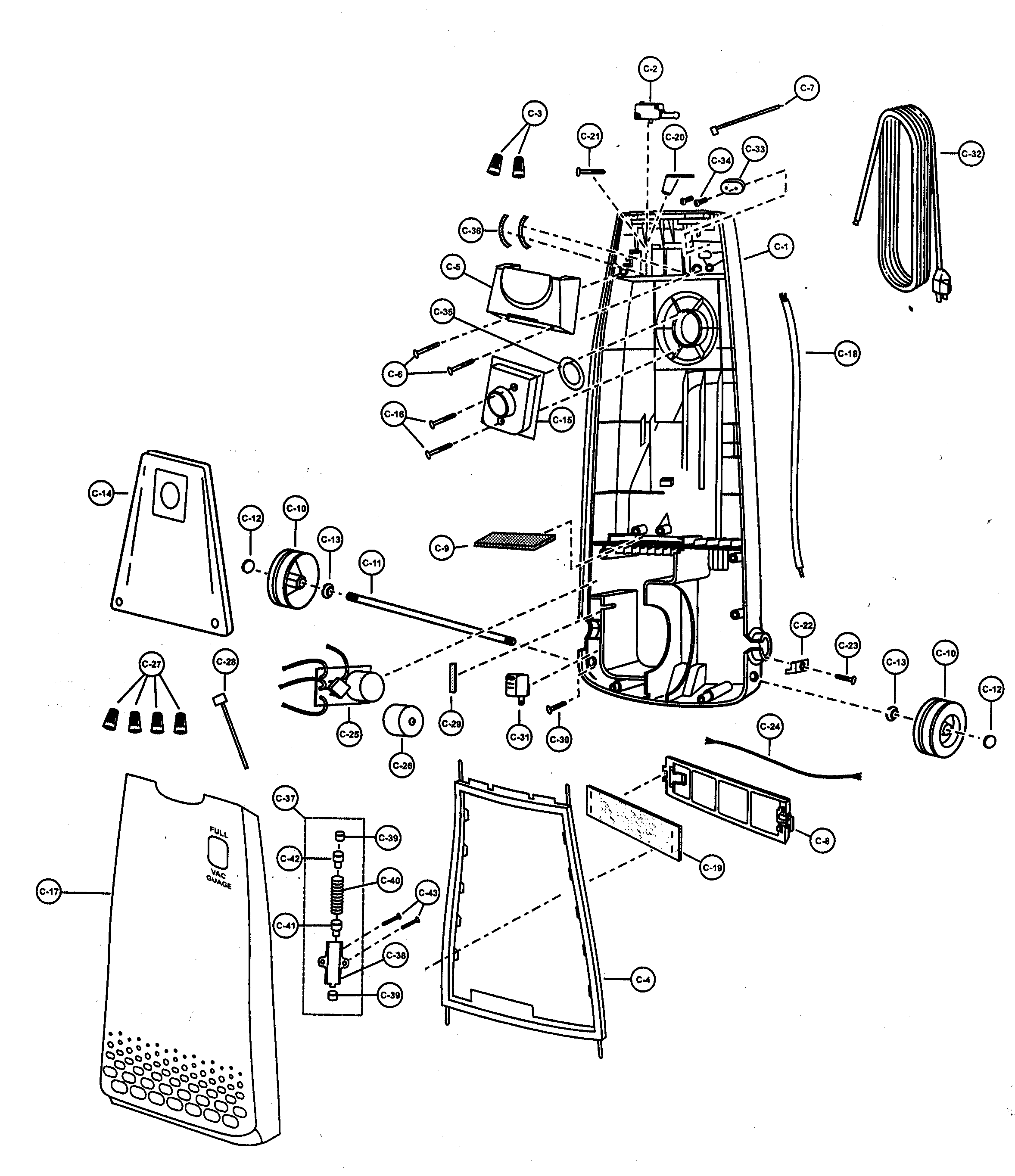
Handle assy/rear dust/cord reel assy Diagram

Upholstery brush

Part #AC88RYUZV06
This item is not returnable
In Stock
$4.12
Packing#C-35

Body Diagram

Packing

Part #AC64HARTZ000
In Stock
$11.49
Lead Wire

See All Related Diagrams

Lead wire

Part #AC48GBBRZ00
This item is not returnable
In Stock
$5.49
Stopper, Wheel#C-12

Body Diagram

Stopper, wheel

Part #AC74SUSZ00
In Stock
$28.78
Indicator Body#C-38

Body Diagram

Indicator body

Part #AC15MVZ00
In Stock
$8.99
Screw#C-21

Body Diagram

Screw

Part #AC68AZAZ00
In Stock
$37.99
Vacuum Handle#D-25

Handle assy/rear dust/cord reel assy Diagram

Vacuum handle

Part #AC64BARUZ00
In Stock
$51.99
Wire Tie#C-28

Body Diagram

Wire tie

Part #AMC596-702
This item is not returnable
In Stock
$3.99
Indicator#C-37

Body Diagram

Indicator

Part #AC98MRFZ000
In Stock
$18.99
Holder#D-6

Handle assy/rear dust/cord reel assy Diagram

Holder

Part #AC70PAFXZV07
In Stock
$30.99

Symptoms common to all vacuum cleaners

Choose a symptom to see related vacuum cleaner repairs.

Main causes: damaged vacuum hose, clogged motor air filter, bad suction motor
Main causes: broken drive belt, damaged brush roll, tripped brush roll motor overload, bad brush roll motor, wiring failure
Main causes: lack of power, bad power cord, drive motor failure, wiring failure
Main causes: weak suction motor, vacuum bag is full, clog in suction air path, dirty exhaust filter, leaky vacuum hose

Articles and videos common to all vacuum cleaners

Use the advice and tips in these articles and videos to get the most out of your vacuum.

June 29, 2022

Top questions about Sears and Sears PartsDirect

Lyle Weischwill

Get answers to frequently asked questions about Sears and Sears PartsDirect.

January 5, 2015

10 must-have tools for appliance repair

Lyle Weischwill

Come see which tools made our top 10 must-haves for DIY appliance repair.

July 1, 2013

Vacuum common questions

Lyle Weischwill

Find the answers to frequently asked questions about vacuum cleaners.