Whirlpool
Dishwasher

Model #DU4099XX1 Official Whirlpool dishwasher

Here are the diagrams and repair parts for Whirlpool DU4099XX1 dishwasher, as well as links to manuals and error code tables, if available.

There are a couple of ways to find the part or diagram you need:

  • Click a diagram to see the parts shown on that diagram.
  • In the search box below, enter all or part of the part number or the part’s name.

Not all parts are shown on the diagrams—those parts are labeled NI, for “not illustrated”.

We encourage you to save the model to your profile, so it’s easy to access parts and manuals for your appliance whenever you log in.

For DIY troubleshooting advice and repair guides, visit our repair help section.

Showing 10 of 136 parts

Appliance Touch-Up Paint, 0.6-oz (White) (replaces 21020, 72017R, 8006, W10813125, Y058028)

#NI

All parts Diagram

In Stock
$8.29 | 
11% OFF 
Phone Price: $9.29
Dishwasher Detergent Dispenser Cover Spring (replaces 8066018)#10

Inner door Diagram

Spring

Part #300106
Replaced by #WP8066018
?
Manufacturer substitution
This part replaces 300106. Substitute parts can look different from the original.
BEST SELLER
This item is not returnable
In Stock
$4.39 | 
19% OFF 
Phone Price: $5.39
Dishwasher Rinse-Aid Dispenser Cap (replaces 3378134)#14

Inner door Diagram

Seal

Part #3369155
Replaced by #WP3378134
?
Manufacturer substitution
This part replaces 3369155. Substitute parts can look different from the original.
BEST SELLER
This item is not returnable
In Stock
$6.49 | 
13% OFF 
Phone Price: $7.49
Dishwasher Rinse-Aid Dispenser Cap (replaces 3378134)#13

Inner door Diagram

Cap

Part #3369200
Replaced by #WP3378134
?
Manufacturer substitution
This part replaces 3369200. Substitute parts can look different from the original.
BEST SELLER
This item is not returnable
In Stock
$6.49 | 
13% OFF 
Phone Price: $7.49
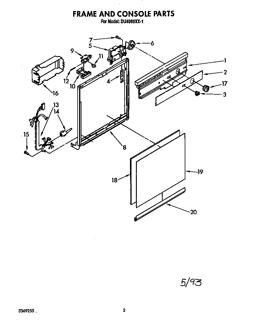
Dishwasher Door Latch (replaces 3380854)#9

Frame and console Diagram

Door latch

Part #3368953
Replaced by #WP3380854
?
Manufacturer substitution
This part replaces 3368953. Substitute parts can look different from the original.
BEST SELLER
In Stock
$44.00 | 
10% OFF 
Phone Price: $49.00
Appliance Touch-Up Paint, 0.6-oz (Almond) (replaces 72107)

#NI

All parts Diagram

Touch-up paint

Part #72107
Replaced by #WP72107
?
Manufacturer substitution
This part replaces 72107. Substitute parts can look different from the original.
BEST SELLER
This item is not returnable
In Stock
$5.39 | 
16% OFF 
Phone Price: $6.39
Dishwasher Screw, #8 x 3/8-in (replaces 302868)#36

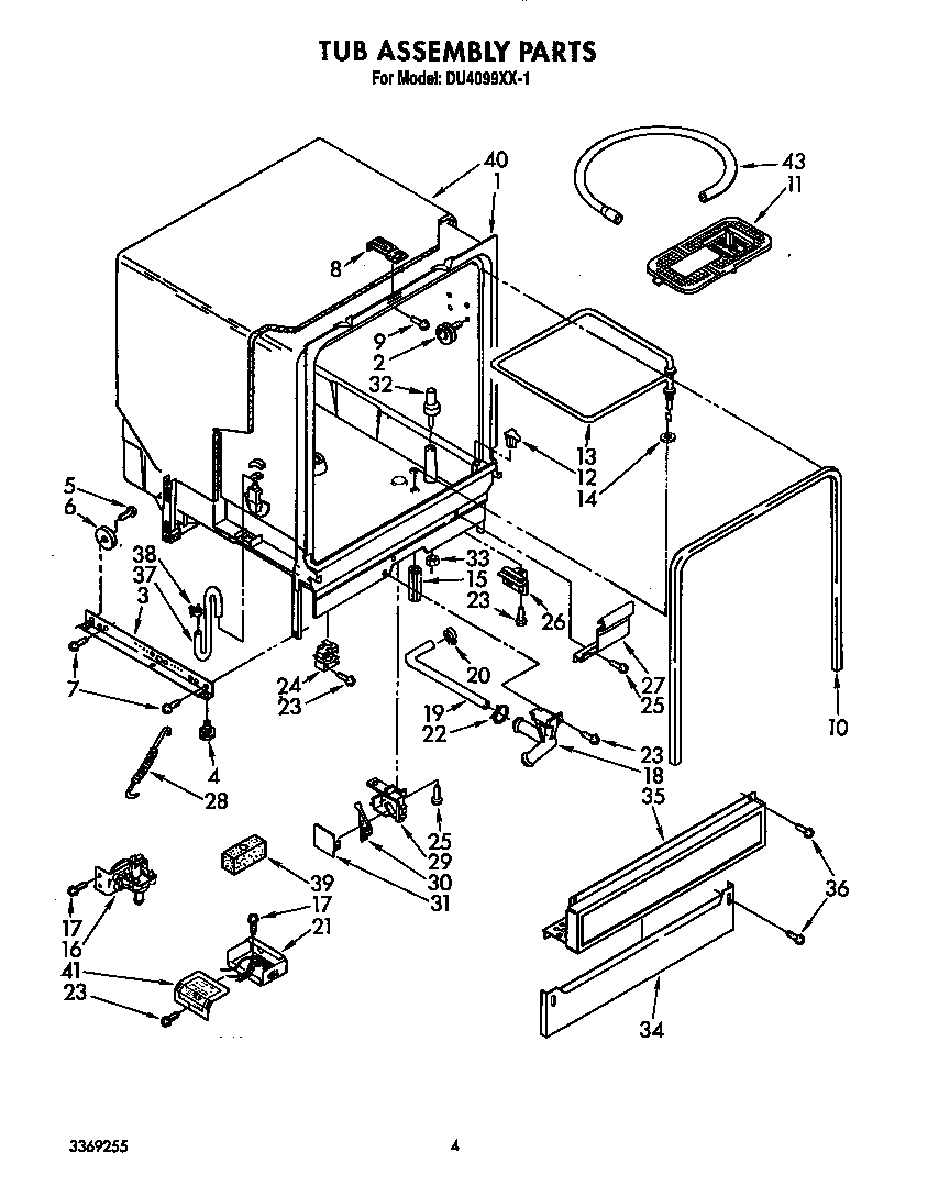
Tub assembly Diagram

Dishwasher screw

Part #302868
Replaced by #WP302868
?
Manufacturer substitution
This part replaces 302868. Substitute parts can look different from the original.
BEST SELLER
This item is not returnable
In Stock
$4.39 | 
19% OFF 
Phone Price: $5.39
Dishwasher Detergent Dispenser Cover Kit (replaces 300115, 300155, 3368981, 3369060, 3373471)#2

Inner door Diagram

Latch

Part #3369060
Replaced by #4387043
?
Manufacturer substitution
This part replaces 3369060. Substitute parts can look different from the original.
BEST SELLER
In Stock
$26.49 | 
16% OFF 
Phone Price: $31.49
Dishwasher Detergent Dispenser Cover Kit (replaces 300115, 300155, 3368981, 3369060, 3373471)#9

Inner door Diagram

Cover dispenser

Part #3368981
Replaced by #4387043
?
Manufacturer substitution
This part replaces 3368981. Substitute parts can look different from the original.
BEST SELLER
In Stock
$26.49 | 
16% OFF 
Phone Price: $31.49
Dishwasher Detergent Dispenser Cover Kit (replaces 300115, 300155, 3368981, 3369060, 3373471)#11

Inner door Diagram

Pin

Part #300115
Replaced by #4387043
?
Manufacturer substitution
This part replaces 300115. Substitute parts can look different from the original.
BEST SELLER
In Stock
$26.49 | 
16% OFF 
Phone Price: $31.49

Symptoms common to all dishwashers

Choose a symptom to see related dishwasher repairs.

Main causes: broken door latch, tripped circuit breaker, broken heating element, faulty vent fan, sensor failure, control system problem
Main cause: damaged rack height adjuster
Main causes: damaged or stuck spray arm, leaking door seal, damaged door hinge, leaky heating element water seal, cracked water supply line
Main causes: clogged kitchen sink drain, clogged drain hose, drain check valve damaged, drain pump failure, control system problem
Main causes: water supply problem, stuck overfill float, clogged water inlet valve screen, water inlet valve failure
Main causes: glass or popcorn kernel stuck in the chopper blade, drain line vibrating against the cabinet, debris in wash pump or drain pump
Main causes: broken door spring, damaged or broken door hinge
Main causes: not using rinse aid, rinse aid dispenser failure, broken heating element, malfunctioning vent, drying fan failure
Main causes: light switch beside the sink turned off, lack of power, bad dishwasher door switch, control system failure, wiring problem

Repair guides common to all dishwashers

These step-by-step repair guides will help you safely fix what’s broken on your dishwasher.

How to replace a dishwasher door latch assembly

If the dishwasher door doesn't click shut, a broken door latch is a likely cause. Follow these instructions to replace it yourself.

Repair difficulty
Time required
 30 minutes or less
How to replace a dishwasher user interface control

The user interface control houses the selection buttons and display. If it fails, you can't select the cycle and settings. Follow these instructions to replace it yourself.

Repair difficulty
Time required
 30 minutes or less
April 1, 2014
Lyle Weischwill
How to replace a dishwasher thermal fuse

A completely dead control panel often indicates that the thermal fuse on the electronic control board is blown; follow these steps to replace a blown thermal fuse in your dishwasher.

Repair difficulty
Time required
 15 minutes or less

Articles and videos common to all dishwashers

Use the advice and tips in these articles and videos to get the most out of your dishwasher.

November 13, 2022

7 Tips to Get Your Dishwasher Ready for the Holidays

Lyle Weischwill

Find professional tips that can help you get your dishwasher ready for the holidays.

December 23, 2021

How to reset a Whirlpool dishwasher

Lyle Weischwill

Learn how to reset a Whirlpool dishwasher when its control freezes up.

August 17, 2021

How to read a wiring schematic video

Lyle Weischwill

Learn how to decipher symbols so you can buy the right part for your problem.