Kenmore
Canister Vacuum

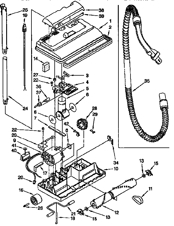
Model #1165567590C Official Kenmore powermate attachment

Here are the diagrams and repair parts for Kenmore 1165567590C powermate attachment, as well as links to manuals and error code tables, if available.

There are a couple of ways to find the part or diagram you need:

  • Click a diagram to see the parts shown on that diagram.
  • In the search box below, enter all or part of the part number or the part’s name.

Not all parts are shown on the diagrams—those parts are labeled NI, for “not illustrated”.

We encourage you to save the model to your profile, so it’s easy to access parts and manuals for your appliance whenever you log in.

For DIY troubleshooting advice and repair guides, visit our repair help section.

Showing 10 of 38 parts

Gasket#41

Power-mate Diagram

Gasket

Part #742968
This item is not returnable
In Stock
$2.49
Yoke Bearing Seal#6

Power-mate Diagram

Yoke bearing seal

Part #741423
This item is not returnable
In Stock
$2.49
Screw#22

Power-mate Diagram

Screw

Part #681297

The manufacturer no longer makes this part, and there's no substitute part

Vacuum Beater Bar Belt#11

Power-mate Diagram

Vacuum beater bar belt

Part #742664
Replaced by #KS742664
?
Manufacturer substitution
This part replaces 742664. Substitute parts can look different from the original.
This item is not returnable
In Stock
$3.49 | 
22% OFF 
Phone Price: $4.49
Vacuum Axle Lifter#42

Power-mate Diagram

Lifter

Part #742013
Replaced by #4370726
?
Manufacturer substitution
This part replaces 742013. Substitute parts can look different from the original.
This item is not returnable
Back Order
$14.39 | 
12% OFF 
Phone Price: $16.39
Bulb Socket#37

Power-mate Diagram

Bulb socket

Part #4148522

The manufacturer no longer makes this part, and there's no substitute part

On-sert#27

Power-mate Diagram

On-sert

Part #681267

The manufacturer no longer makes this part, and there's no substitute part

Bearing#15

Power-mate Diagram

Bearing

Part #743395

The manufacturer no longer makes this part, and there's no substitute part

Bracket#23

Power-mate Diagram

Bracket

Part #705092

The manufacturer no longer makes this part, and there's no substitute part

Vacuum PowerMate Power Cord#19

Power-mate Diagram

Vacuum powermate power cord

Part #4369336

The manufacturer no longer makes this part, and there's no substitute part

Symptoms common to all vacuum cleaners

Choose a symptom to see related vacuum cleaner repairs.

Main causes: damaged vacuum hose, clogged motor air filter, bad suction motor
Main causes: broken drive belt, damaged brush roll, tripped brush roll motor overload, bad brush roll motor, wiring failure
Main causes: lack of power, bad power cord, drive motor failure, wiring failure
Main causes: weak suction motor, vacuum bag is full, clog in suction air path, dirty exhaust filter, leaky vacuum hose

Repair guides for canister vacuums

How to replace a vacuum power head ribbed drive belt

Some canister vacuums have a ribbed drive belt that spins the brush roll on a power brush attachment. If the brush roll slips, you can replace it using these instructions.

Repair difficulty
Time required
 30 minutes or less
July 1, 2013
Lyle Weischwill
How to replace a vacuum suction motor

The suction motor on a vacuum creates the draw of air at the cleaning head that picks up dirt. If the vacuum won't run, give it a new life by replacing the suction motor. These steps explain how.

Repair difficulty
Time required
 15 minutes or less
July 1, 2013
Lyle Weischwill
How to replace a vacuum beater bar

Replace the brush roll if the bristles ares worn or the cylinder is damaged.

Repair difficulty
Time required
 30 minutes or less

Articles and videos common to all vacuum cleaners

Use the advice and tips in these articles and videos to get the most out of your vacuum.

June 29, 2022

Top questions about Sears and Sears PartsDirect

Lyle Weischwill

Get answers to frequently asked questions about Sears and Sears PartsDirect.

January 5, 2015

10 must-have tools for appliance repair

Lyle Weischwill

Come see which tools made our top 10 must-haves for DIY appliance repair.

July 1, 2013

Vacuum common questions

Lyle Weischwill

Find the answers to frequently asked questions about vacuum cleaners.