Whirlpool
Top-Mount Refrigerator

Model #ET18JMXSW00 Official Whirlpool refrigerator

Here are the diagrams and repair parts for Whirlpool ET18JMXSW00 refrigerator, as well as links to manuals and error code tables, if available.

There are a couple of ways to find the part or diagram you need:

  • Click a diagram to see the parts shown on that diagram.
  • In the search box below, enter all or part of the part number or the part’s name.

Not all parts are shown on the diagrams—those parts are labeled NI, for “not illustrated”.

We encourage you to save the model to your profile, so it’s easy to access parts and manuals for your appliance whenever you log in.

For DIY troubleshooting advice and repair guides, visit our repair help section.

Error Codes

Showing 10 of 349 parts

Appliance Light Bulb, 40-watt (replaces 40A15-2PK, 60A, 60A15RVL, STD398091, WR02X12328, WX12X1510)#8

Compartment separator Diagram

Light bulb

Part #946059
Replaced by #40A15
?
Manufacturer substitution
This part replaces 946059. Substitute parts can look different from the original.
BEST SELLER
In Stock
$7.52 | 
12% OFF 
Phone Price: $8.52
Appliance Touch-Up Paint, 0.6-oz (White) (replaces 21020, 72017R, 8006, W10813125, Y058028)

#NI

All parts Diagram

In Stock
$8.29 | 
11% OFF 
Phone Price: $9.29
Refrigerator Water Tubing (replaces 4387492, B5705315)#9

Icemaker Diagram

Refrigerator water tube

Part #1108197
Replaced by #W10823511
?
Manufacturer substitution
This part replaces 1108197. Substitute parts can look different from the original.
BEST SELLER
In Stock
$26.09 | 
16% OFF 
Phone Price: $31.09
Refrigerator Door Stop (replaces 2183805)#4

Freezer door Diagram

Refrigerator bracket

Part #944035
Replaced by #WP2183805
?
Manufacturer substitution
This part replaces 944035. Substitute parts can look different from the original.
BEST SELLER
In Stock
$9.80 | 
11% OFF 
MSRP: $11.00
Refrigerator Door Stop (replaces 2183805)#4

Refrigerator door Diagram

Refrigerator bracket

Part #944036
Replaced by #WP2183805
?
Manufacturer substitution
This part replaces 944036. Substitute parts can look different from the original.
BEST SELLER
In Stock
$9.80 | 
11% OFF 
MSRP: $11.00
Refrigerator Ice Maker Fill Tube (replaces 2196157)#48

Icemaker Diagram

Fitting (almond)

Part #836489
Replaced by #WP2196157
?
Manufacturer substitution
This part replaces 836489. Substitute parts can look different from the original.
BEST SELLER
This item is not returnable
In Stock
$6.59 | 
13% OFF 
Phone Price: $7.59
Appliance Touch-Up Paint, 0.6-oz (Black) (replaces 20001009, 72032P, 72032R, W10831982)

#NI

All parts Diagram

In Stock
$4.89 | 
38% OFF 
MSRP: $7.90
Refrigerator Evaporator Fan Motor Kit (replaces 1003, 2169143, 4389140, 8112, Y0056721, Y0056801)#16

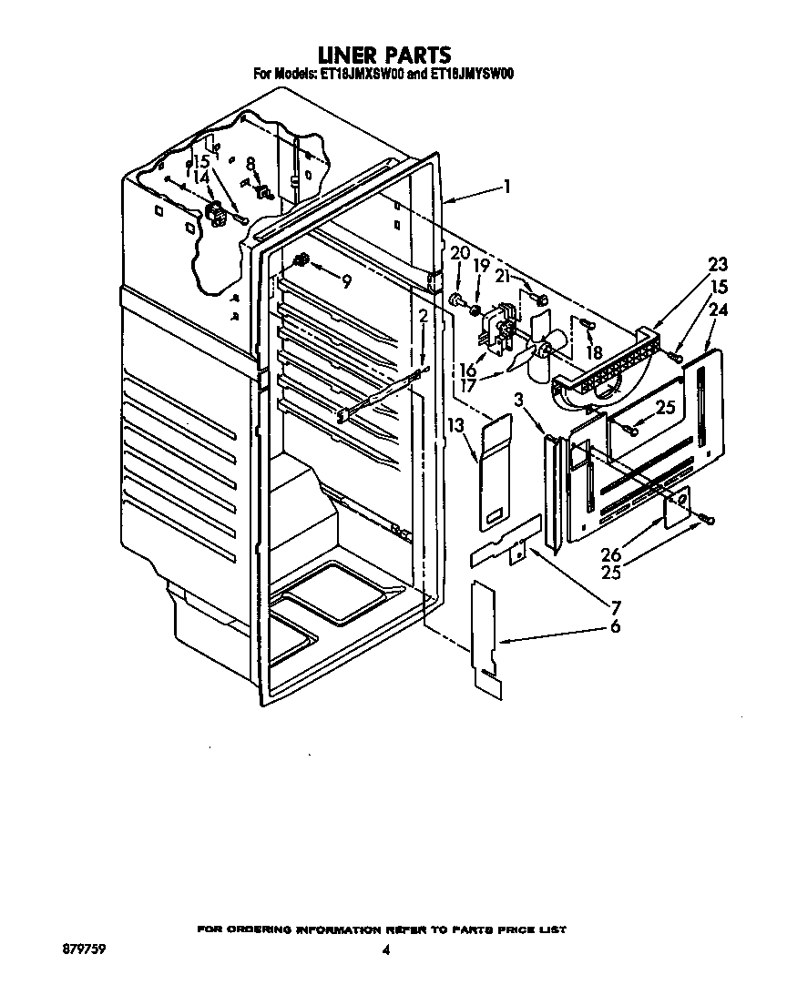
Liner Diagram

Refrigerator motor

Part #946653
Replaced by #482731
?
Manufacturer substitution
This part replaces 946653. Substitute parts can look different from the original.
BEST SELLER
In Stock
$70.19 | 
7% OFF 
Phone Price: $75.19
Appliance Touch-Up Paint, 0.6-oz (Almond) (replaces 72107)

#NI

All parts Diagram

Touch up

Part #72107
Replaced by #WP72107
?
Manufacturer substitution
This part replaces 72107. Substitute parts can look different from the original.
BEST SELLER
This item is not returnable
In Stock
$5.39 | 
16% OFF 
Phone Price: $6.39
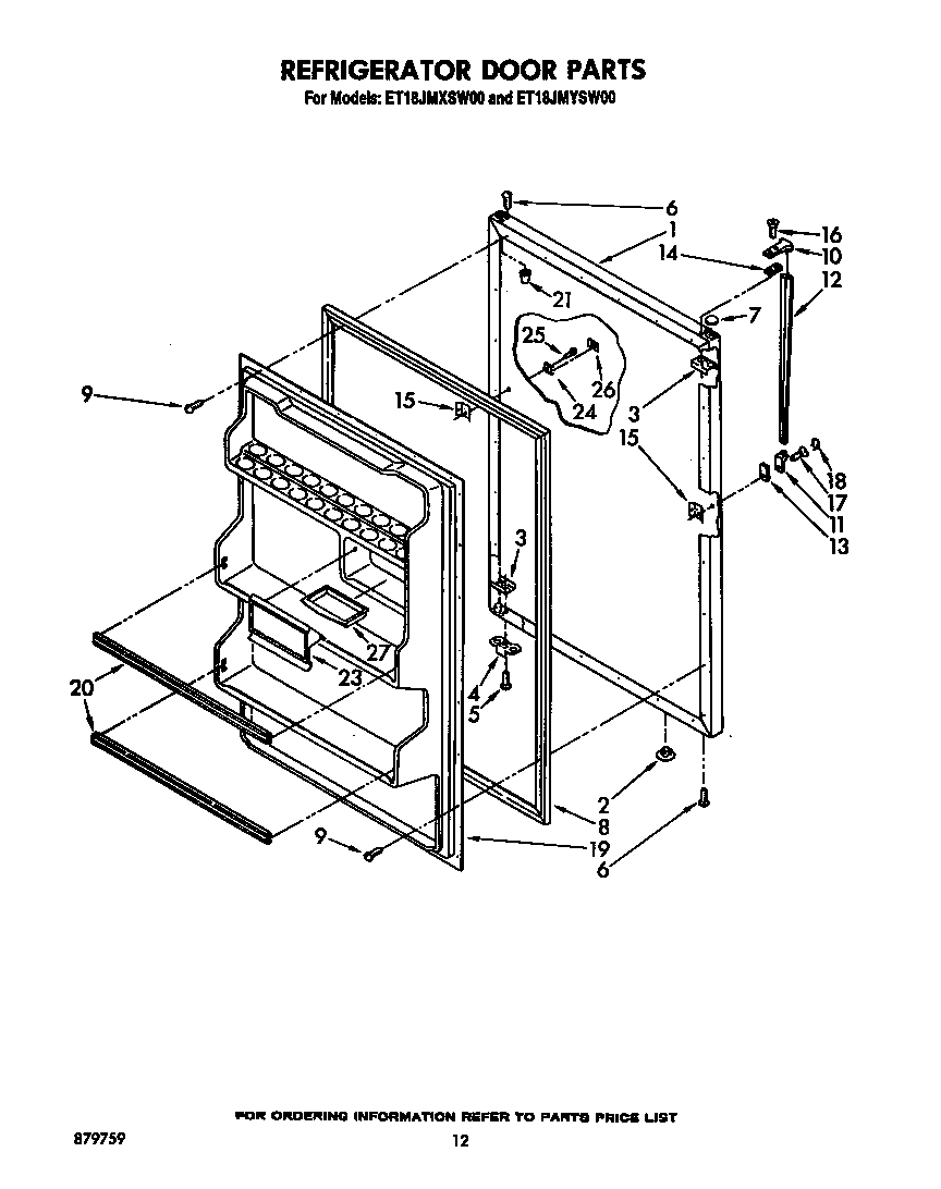
Appliance Screw#17

Refrigerator door Diagram

Refrigerator screw

Part #487875
Replaced by #WP488729
?
Manufacturer substitution
This part replaces 487875. Substitute parts can look different from the original.
BEST SELLER
This item is not returnable
In Stock
$4.39 | 
19% OFF 
Phone Price: $5.39

Symptoms common to all refrigerators

Choose a symptom to see related refrigerator repairs.

Main causes: leaky door gasket, defrost system failure, evaporator fan not running, dirty condenser coils, condenser fan not running
Things to do: clean condenser coils, replace the water filter, clean the interior, adjust doors to prevent air leaks, clean the drain pan
Main causes: jammed ice cubes, broken ice maker assembly, dirty water filter, kinked water line, bad water valve, freezer not cold enough
Main causes: damaged door seal, faulty defrost sensor or bi-metal thermostat, broken defrost heater, bad defrost timer or control board
Main causes: control board or cold control failure, broken compressor start relay, compressor motor failure, defrost timer problems
Main causes: blocked air vents, compressor problems, condenser or evaporator fan not working, control system failure, sensor problems
Main causes: blocked vents, defrost system problems, evaporator fan failure, dirty condenser coils, bad sensors, condenser fan not working
Main causes: water valve leaking, frozen or broken defrost drain tube, overflowing drain pan, cracked water system tubing, leaking door seal

Repair guides common to all refrigerators

These step-by-step repair guides will help you safely fix what’s broken on your refrigerator.

July 20, 2015
Lyle Weischwill
How to clean refrigerator condenser coils

Help your refrigerator run more efficiently by cleaning the condenser coils. It's easy and takes just a few minutes.

Repair difficulty
Time required
 15 minutes or less
July 20, 2015
Lyle Weischwill
How to replace a refrigerator water valve

Replace the water valve that feeds water to the ice maker and water dispenser if it no longer controls the flow of water.

Repair difficulty
Time required
 15 minutes or less
How to replace a refrigerator temperature control board

If the temperature in your refrigerator doesn't match the temperature you set, the problem could be the temperature control board—a service technician can give you a definite diagnosis. If the board is at fault, follow these steps to replace it yourself.

Repair difficulty
Time required
 30 minutes or less

Articles and videos common to all refrigerators

Use the advice and tips in these articles and videos to get the most out of your refrigerator.

June 2, 2022

How to Remove a GE French Door Refrigerator Flipper Mullion

Lyle Weischwill

Learn how to replace the flipper mullion on a GE French door refrigerator.

April 19, 2022

How to change the water filter in an LG refrigerator

Lyle Weischwill

Get tips and advice on replacing the water filter in your LG refrigerator.

December 30, 2021

How to fix your evaporator cooling fan

Lyle Weischwill

Learn how to fix a broken evaporator fan