Kelvinator
Dryer

Model #DGA500F1T Official Kelvinator 27" gas dryer - lk31688010

Here are the diagrams and repair parts for Kelvinator DGA500F1T 27" gas dryer - lk31688010, as well as links to manuals and error code tables, if available.

There are a couple of ways to find the part or diagram you need:

  • Click a diagram to see the parts shown on that diagram.
  • In the search box below, enter all or part of the part number or the part’s name.

Not all parts are shown on the diagrams—those parts are labeled NI, for “not illustrated”.

We encourage you to save the model to your profile, so it’s easy to access parts and manuals for your appliance whenever you log in.

For DIY troubleshooting advice and repair guides, visit our repair help section.

Showing 10 of 150 parts

Dryer Drum Bearing#13

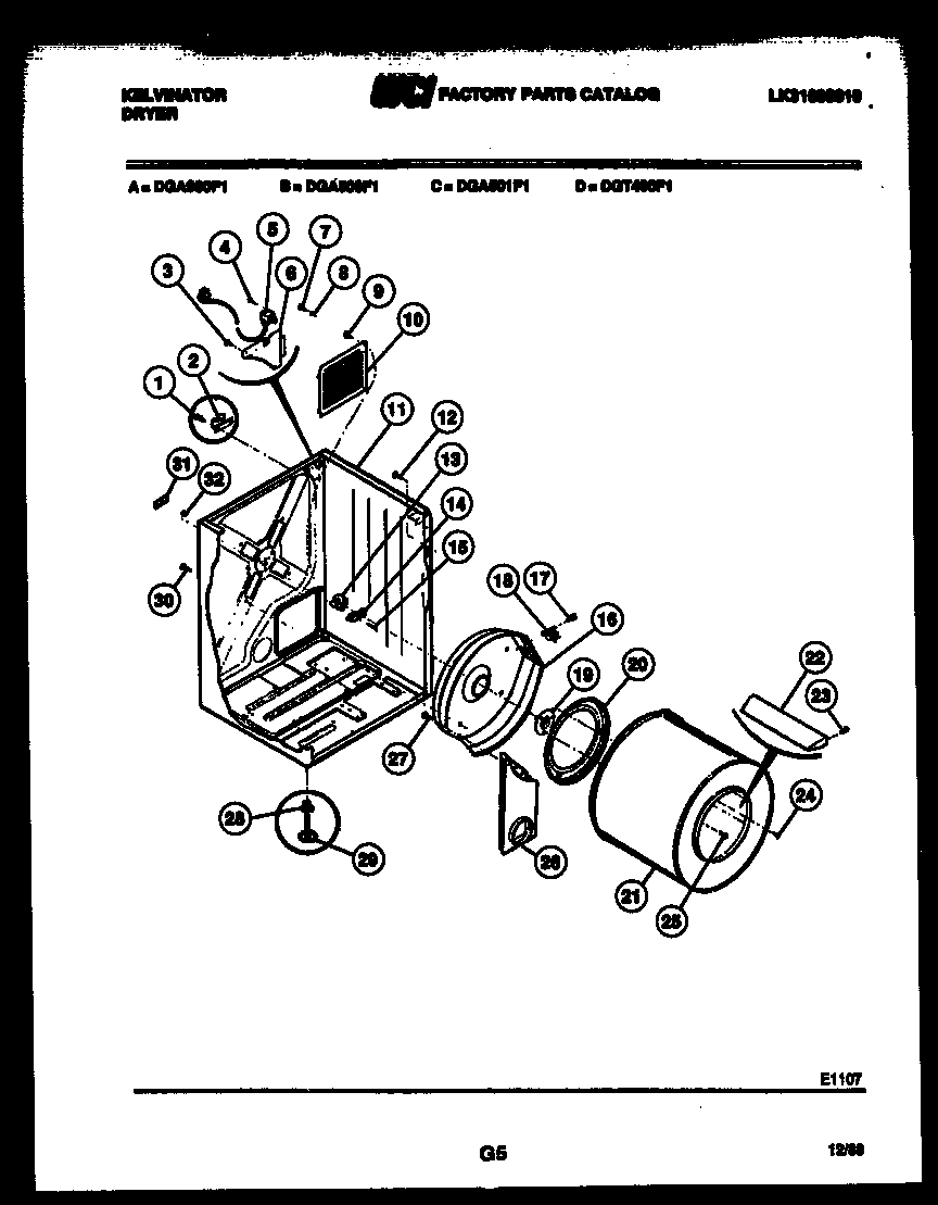
Cabinet, drum and blower housing Diagram

Bearing

Part #3281008
Replaced by #131825900
?
Manufacturer substitution
This part replaces 3281008. Substitute parts can look different from the original.
BEST SELLER
This item is not returnable
In Stock
$5.59 | 
15% OFF 
Phone Price: $6.59
Dryer Felt and Glide Kit#10

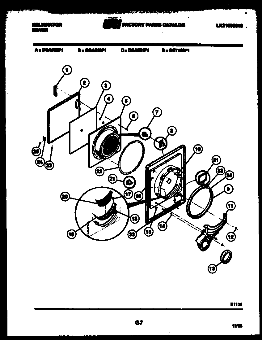
Door parts Diagram

Glide drum

Part #F141811-000
Replaced by #5303937139
?
Manufacturer substitution
This part replaces F141811-000. Substitute parts can look different from the original.
BEST SELLER
In Stock
$43.60 | 
10% OFF 
Phone Price: $48.60
Dryer Drum Bearing Bracket#14

Cabinet, drum and blower housing Diagram

Bracket

Part #3281023
Replaced by #131724301
?
Manufacturer substitution
This part replaces 3281023. Substitute parts can look different from the original.
BEST SELLER
In Stock
$13.29 | 
13% OFF 
Phone Price: $15.29
Dryer Grounding Ball#32

Cabinet, drum and blower housing Diagram

Ball

Part #3281019
Replaced by #5303281019
?
Manufacturer substitution
This part replaces 3281019. Substitute parts can look different from the original.
In Stock
$19.49 | 
9% OFF 
Phone Price: $21.49
Dryer Rear Bearing Clip#31

Cabinet, drum and blower housing Diagram

Nut

Part #3281020
Replaced by #5303281020
?
Manufacturer substitution
This part replaces 3281020. Substitute parts can look different from the original.
In Stock
$17.79 | 
10% OFF 
Phone Price: $19.79
Dryer Air Duct Seal#13

Door parts Diagram

Seal

Part #3281013
Replaced by #134417000
?
Manufacturer substitution
This part replaces 3281013. Substitute parts can look different from the original.
In Stock
$42.79 | 
10% OFF 
Phone Price: $47.79
Dryer Radiant Sensor#24

Element and housing parts Diagram

Sensor

Part #3281135
Replaced by #5303281135
?
Manufacturer substitution
This part replaces 3281135. Substitute parts can look different from the original.
In Stock
$53.99 | 
8% OFF 
Phone Price: $58.99
Washer Screw#15

Cabinet, drum and blower housing Diagram

Screw

Part #3281033
Replaced by #131205400
?
Manufacturer substitution
This part replaces 3281033. Substitute parts can look different from the original.
In Stock
$13.39 | 
13% OFF 
Phone Price: $15.39
Dryer Burner Igniter#22

Element and housing parts Diagram

Igniter

Part #3281151
Replaced by #5303937186
?
Manufacturer substitution
This part replaces 3281151. Substitute parts can look different from the original.
In Stock
$61.19 | 
8% OFF 
Phone Price: $66.19
Laundry Appliance Screw, #8-32 x 3/8-in

See All Related Diagrams

Screw

Part #3281132
Replaced by #131243800
?
Manufacturer substitution
This part replaces 3281132. Substitute parts can look different from the original.
This item is not returnable
In Stock
$5.66 | 
15% OFF 
Phone Price: $6.66

Symptoms common to all dryers

Choose a symptom to see related dryer repairs.

Main causes: bad drum support roller, damaged idler pulley, broken blower fan blade, worn drum glide bearing, bad drive motor
Main causes: bad gas valve coils, broken heating element, tripped safety thermostat or fuse, bad operating thermostat, control failure
Main causes: bad timer or electronic control board, door switch failure
Main causes: lack of electrical power, bad power cord, wiring failure, bad control board, blown thermal fuse, bad door switch
Main causes: clogged exhaust vent, bad motor relay, loose dryer door catch, bad door switch, control system failure, faulty drive motor
Main causes: damaged door strike, worn door catch
Main causes: door switch failure, lack of power, broken belt, blown thermal fuse, bad drive motor, control system failure
Main causes: clogged exhaust system, heating system failure, deposits on moisture sensor, control system failure

Repair guides common to all dryers

These step-by-step repair guides will help you safely fix what’s broken on your dryer.

August 1, 2014
Lyle Weischwill
How to replace a dryer drum support roller

If your dryer thumps or squeals, replace the drum support roller to restore quiet to your home.

Repair difficulty
Time required
 90 minutes or less
August 1, 2014
Lyle Weischwill
How to replace a dryer thermistor

The thermistor senses the air temperature in the dryer. If your dryer overheats or doesn't heat at all, the thermistor could be the problem.

Repair difficulty
Time required
 30 minutes or less
August 1, 2014
Lyle Weischwill
How to replace a dryer idler pulley

The idler pulley exerts pressure keeps the drive belt tight so it can rotate the drum. A worn idler pulley squeals or squeaks when the dryer is running. Follow these instructions to replace it.

Repair difficulty
Time required
 90 minutes or less

Articles and videos common to all dryers

Use the advice and tips in these articles and videos to get the most out of your dryer.

October 24, 2022

Easy DIY appliance repairs that anyone can do

Lyle Weischwill

Get advice on simple DIY fixes for appliances that you can safely do on your own.

January 4, 2022

How to replace a Maytag dryer heating element

Lyle Weischwill

Learn how to replace a Maytag dryer heating element

August 17, 2021

How to read a wiring schematic video

Lyle Weischwill

Learn how to decipher symbols so you can buy the right part for your problem.