Kenmore
Boiler

Model #229963430 Official Kenmore gas-fired forced hot water boiler

Here are the diagrams and repair parts for Kenmore 229963430 gas-fired forced hot water boiler, as well as links to manuals and error code tables, if available.

There are a couple of ways to find the part or diagram you need:

  • Click a diagram to see the parts shown on that diagram.
  • In the search box below, enter all or part of the part number or the part’s name.

Not all parts are shown on the diagrams—those parts are labeled NI, for “not illustrated”.

We encourage you to save the model to your profile, so it’s easy to access parts and manuals for your appliance whenever you log in.

For DIY troubleshooting advice and repair guides, visit our repair help section.

Showing 10 of 155 parts

Water Heater Temperature and Pressure Relief Valve (replaces 146-22-011, 8840)#1

Boiler controls Diagram

Relief valve

Part #8840
Replaced by #10-408-05
?
Manufacturer substitution
This part replaces 8840. Substitute parts can look different from the original.
In Stock
$45.29 | 
10% OFF 
Phone Price: $50.29
Boiler Block Section Push Nipple#9

Jacket and base parts Diagram

Botm niple

Part #3
Replaced by #433-00-976
?
Manufacturer substitution
This part replaces 3. Substitute parts can look different from the original.
In Stock
$17.52
Jckt Dr Knob#12

Jacket and base parts Diagram

Knob

Part #61-039
Replaced by #137-02-153
?
Manufacturer substitution
This part replaces 61-039. Substitute parts can look different from the original.
This item is not returnable
In Stock
$6.99
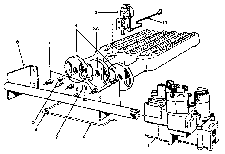
Manifold#6C

Gas burner and manifold parts Diagram

Manifold

Part #108-5
Replaced by #146-16-012
?
Manufacturer substitution
This part replaces 108-5. Substitute parts can look different from the original.
In Stock
$50.49
Pilot Burner#9

Gas burner and manifold parts Diagram

Pilot burner

Part #Q345A-1024

The manufacturer no longer makes this part, and there's no substitute part

End Section#20

Jacket and base parts Diagram

Section end

Part #122-2
Replaced by #410-00-021
?
Manufacturer substitution
This part replaces 122-2. Substitute parts can look different from the original.
In Stock
$180.49
Main Brn Orf#7

Gas burner and manifold parts Diagram

Orifice

Part #103-34
Replaced by #146-15-035
?
Manufacturer substitution
This part replaces 103-34. Substitute parts can look different from the original.
This item is not returnable
In Stock
$6.99
Furnace Intermittent Pilot Ignition Control Module#16

Boiler controls Diagram

Pilot control

Part #S86C1007
Replaced by #BG1600M51EF-1AA
?
Manufacturer substitution
This part replaces S86C1007. Substitute parts can look different from the original.
In Stock
$205.62 | 
5% OFF 
Phone Price: $215.62
Pilot Tube#2A

Gas burner and manifold parts Diagram

Pilot tube

Part #102-10
Replaced by #433-00-201
?
Manufacturer substitution
This part replaces 102-10. Substitute parts can look different from the original.
In Stock
$59.49
Furnace Vent Damper

#NI

All parts Diagram

Castng asmbl

Part #RP405-27
Replaced by #FC46487001
?
Manufacturer substitution
This part replaces RP405-27. Substitute parts can look different from the original.
In Stock
$223.99