Shakespeare
Boating

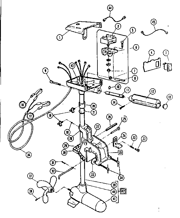
Model #SIGMA 25T Official Shakespeare electric fishing motor

Here are the diagrams and repair parts for Shakespeare SIGMA-25T electric fishing motor, as well as links to manuals and error code tables, if available.

There are a couple of ways to find the part or diagram you need:

  • Click a diagram to see the parts shown on that diagram.
  • In the search box below, enter all or part of the part number or the part’s name.

Not all parts are shown on the diagrams—those parts are labeled NI, for “not illustrated”.

We encourage you to save the model to your profile, so it’s easy to access parts and manuals for your appliance whenever you log in.

For DIY troubleshooting advice and repair guides, visit our repair help section.

Showing 10 of 45 parts

Retaining Ring#10

Sigma 25t Diagram

Retaining ring

Part #64-54-0021-01

The manufacturer no longer makes this part, and there's no substitute part

Cover Assembly#1

Sigma 25t Diagram

Cover assembly

Part #65-19-0043-11

The manufacturer no longer makes this part, and there's no substitute part

Switch#2

Sigma 25t Diagram

Switch

Part #64-68-0062-01

The manufacturer no longer makes this part, and there's no substitute part

Cotter Pin#38

Sigma 25t Diagram

Cotter pin

Part #64-45-0038-04

The manufacturer no longer makes this part, and there's no substitute part

Motor#41

Sigma 25t Diagram

Motor

Part #64-39-0020-04

The manufacturer no longer makes this part, and there's no substitute part

Switch Plate#4

Sigma 25t Diagram

Switch plate

Part #64-47-0191-03

The manufacturer no longer makes this part, and there's no substitute part

Bttry Clip#17

Sigma 25t Diagram

Bttry clip

Part #64-15-0004-01

The manufacturer no longer makes this part, and there's no substitute part

Collar#20

Sigma 25t Diagram

Collar

Part #64-17-0017-01

The manufacturer no longer makes this part, and there's no substitute part

Tube Adapt C#40

Sigma 25t Diagram

Tube adapt c

Part #64-17-0016-03

The manufacturer no longer makes this part, and there's no substitute part

Jump Wire#44

Sigma 25t Diagram

Jump wire

Part #64-73-0044-01

The manufacturer no longer makes this part, and there's no substitute part