GE
Top-Mount Refrigerator

Model #GTR17BBSERCC Official GE refrigerator - s series

Here are the diagrams and repair parts for GE GTR17BBSERCC refrigerator - s series, as well as links to manuals and error code tables, if available.

There are a couple of ways to find the part or diagram you need:

  • Click a diagram to see the parts shown on that diagram.
  • In the search box below, enter all or part of the part number or the part’s name.

Not all parts are shown on the diagrams—those parts are labeled NI, for “not illustrated”.

We encourage you to save the model to your profile, so it’s easy to access parts and manuals for your appliance whenever you log in.

For DIY troubleshooting advice and repair guides, visit our repair help section.

Error Codes

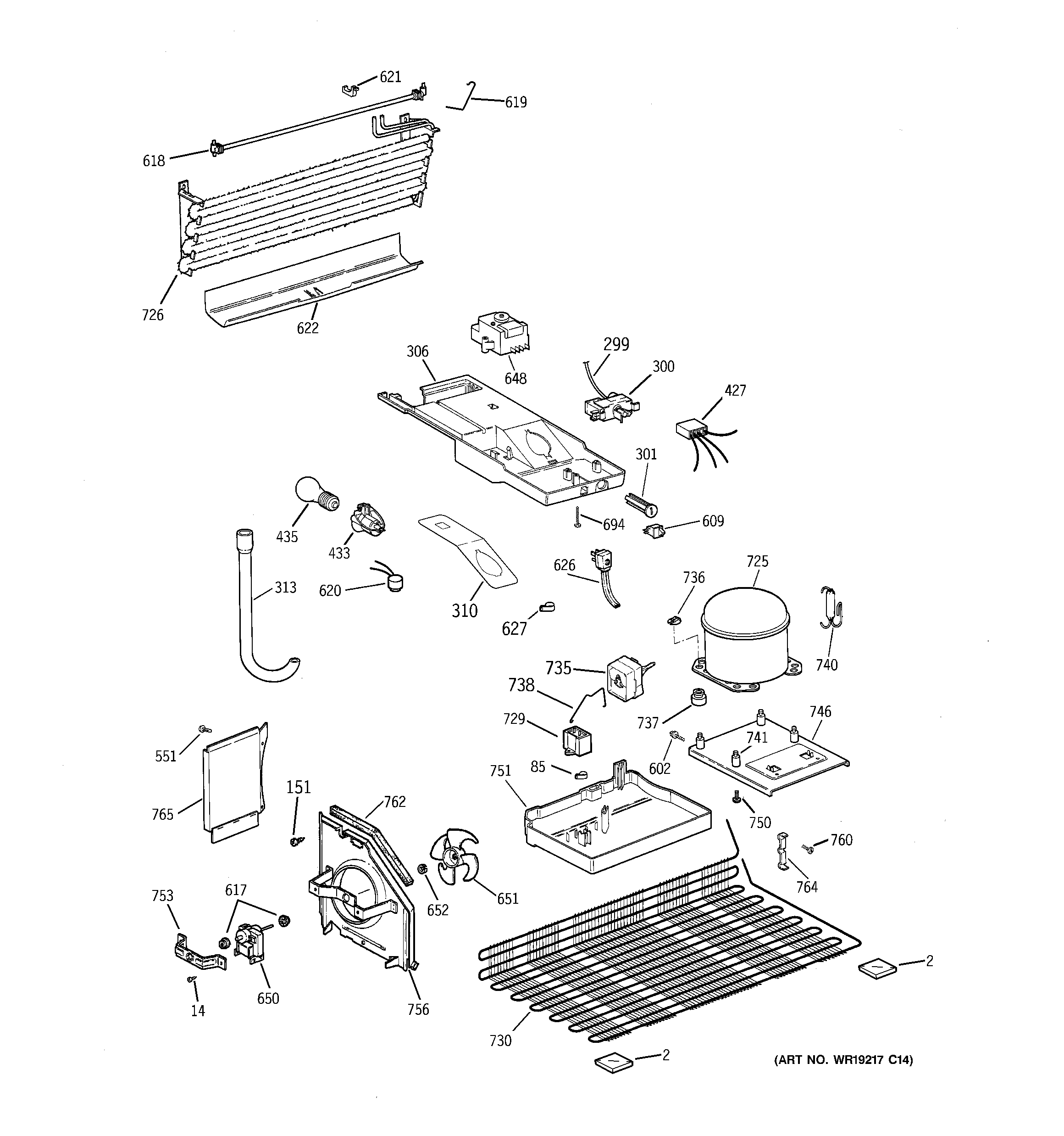
Showing 10 of 131 parts

Appliance Light Bulb, 40-watt#435

Unit parts Diagram

Appliance light bulb, 40-watt

Part #40A15
BEST SELLER
In Stock
$8.35 | 
11% OFF 
Phone Price: $9.35
Refrigerator Door Shelf Rail#19

Doors Diagram

Refrigerator door shelf rail

Part #WR17X11889
BEST SELLER
In Stock
$25.33 | 
16% OFF 
Phone Price: $30.33
Refrigerator Evaporator Fan Motor Grommet#615

Cabinet Diagram

Refrigerator evaporator fan motor grommet

Part #WR02X12008
Replaced by #WR02X10519
?
Manufacturer substitution
This part replaces WR02X12008. Substitute parts can look different from the original.
BEST SELLER
This item is not returnable
In Stock
$5.37 | 
16% OFF 
Phone Price: $6.37
Refrigerator Evaporator Fan Blade#613

Cabinet Diagram

Refrigerator evaporator fan blade

Part #WR60X10204
BEST SELLER
In Stock
$11.83 | 
20% OFF 
Was: $14.79
Freezer Basket Bumper#500

Cabinet Diagram

Freezer basket bumper

Part #WR02X10540
This item is not returnable
In Stock
$7.69 | 
12% OFF 
Phone Price: $8.69
Refrigerator Wire Shelf#228

Cabinet Diagram

Wr71x2482

Part #WR71X10789
Replaced by #WR71X10378
?
Manufacturer substitution
This part replaces WR71X10789. Substitute parts can look different from the original.
In Stock
$73.29 | 
6% OFF 
Phone Price: $78.29
Refrigerator Door Hinge Pin#285

Cabinet Diagram

Refrigerator door hinge pin

Part #WR02X12238
Replaced by #WR02X27092
?
Manufacturer substitution
This part replaces WR02X12238. Substitute parts can look different from the original.
This item is not returnable
In Stock
$7.69 | 
12% OFF 
Phone Price: $8.69
Refrigerator Defrost Timer#648

Unit parts Diagram

Refrigerator defrost timer

Part #WR09X10049

The manufacturer no longer makes this part, and there's no substitute part

Refrigerator Door Gasket (White)#104

Doors Diagram

Refrigerator door gasket

Part #WR24X10051
Replaced by #WR24X10229
?
Manufacturer substitution
This part replaces WR24X10051. Substitute parts can look different from the original.
In Stock
$90.89 | 
5% OFF 
Phone Price: $95.89
Refrigerator Fan Blade Retainer Ring#652

Unit parts Diagram

Refrigerator fan blade retainer ring

Part #WR02X12149
This item is not returnable
In Stock
$7.69 | 
12% OFF 
Phone Price: $8.69

Symptoms common to all refrigerators

Choose a symptom to see related refrigerator repairs.

Main causes: leaky door gasket, defrost system failure, evaporator fan not running, dirty condenser coils, condenser fan not running
Things to do: clean condenser coils, replace the water filter, clean the interior, adjust doors to prevent air leaks, clean the drain pan
Main causes: jammed ice cubes, broken ice maker assembly, dirty water filter, kinked water line, bad water valve, freezer not cold enough
Main causes: damaged door seal, faulty defrost sensor or bi-metal thermostat, broken defrost heater, bad defrost timer or control board
Main causes: control board or cold control failure, broken compressor start relay, compressor motor failure, defrost timer problems
Main causes: blocked air vents, compressor problems, condenser or evaporator fan not working, control system failure, sensor problems
Main causes: blocked vents, defrost system problems, evaporator fan failure, dirty condenser coils, bad sensors, condenser fan not working
Main causes: water valve leaking, frozen or broken defrost drain tube, overflowing drain pan, cracked water system tubing, leaking door seal

Repair guides common to all refrigerators

These step-by-step repair guides will help you safely fix what’s broken on your refrigerator.

July 20, 2015
By Lyle Weischwill
How to clean refrigerator condenser coils

Help your refrigerator run more efficiently by cleaning the condenser coils. It's easy and takes just a few minutes.

Repair difficulty
Time required
 15 minutes or less
July 20, 2015
By Lyle Weischwill
How to replace a refrigerator water valve

Replace the water valve that feeds water to the ice maker and water dispenser if it no longer controls the flow of water.

Repair difficulty
Time required
 15 minutes or less
How to replace a refrigerator temperature control board

If the temperature in your refrigerator doesn't match the temperature you set, the problem could be the temperature control board—a service technician can give you a definite diagnosis. If the board is at fault, follow these steps to replace it yourself.

Repair difficulty
Time required
 30 minutes or less

Articles and videos common to all refrigerators

Use the advice and tips in these articles and videos to get the most out of your refrigerator.

June 2, 2022

How to Remove a GE French Door Refrigerator Flipper Mullion

By Lyle Weischwill

Learn how to replace the flipper mullion on a GE French door refrigerator.

April 19, 2022

How to change the water filter in an LG refrigerator

By Lyle Weischwill

Get tips and advice on replacing the water filter in your LG refrigerator.

December 30, 2021

How to fix your evaporator cooling fan

By Lyle Weischwill

Learn how to fix a broken evaporator fan