Kenmore
Countertop Microwave

Model #5648888410 Official Kenmore microwave

Here are the diagrams and repair parts for Kenmore 5648888410 microwave, as well as links to manuals and error code tables, if available.

There are a couple of ways to find the part or diagram you need:

  • Click a diagram to see the parts shown on that diagram.
  • In the search box below, enter all or part of the part number or the part’s name.

Not all parts are shown on the diagrams—those parts are labeled NI, for “not illustrated”.

We encourage you to save the model to your profile, so it’s easy to access parts and manuals for your appliance whenever you log in.

For DIY troubleshooting advice and repair guides, visit our repair help section.

Showing 10 of 195 parts

Micro-Switch#19

Switches and microwave parts Diagram

Micro-switch

Part #11243

The manufacturer no longer makes this part, and there's no substitute part

Microwave Door Latch Lever#21

Switches and microwave parts Diagram

Microwave door latch lever

Part #11090

The manufacturer no longer makes this part, and there's no substitute part

Microwave Fuse, 15-amp#14

Microwave parts Diagram

Microwave fuse, 15-amp

Part #11255

The manufacturer no longer makes this part, and there's no substitute part

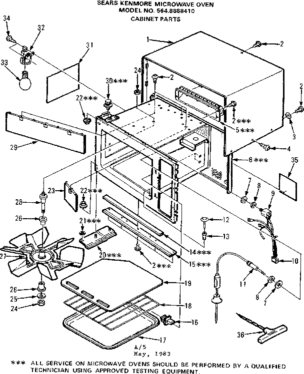
Lamp#33

Cabinet parts Diagram

Lamp

Part #10529

The manufacturer no longer makes this part, and there's no substitute part

Hex Head Screw

See All Related Diagrams

Hex head screw

Part #10434

The manufacturer no longer makes this part, and there's no substitute part

Capacitor#5

Power and control circuit board part no. 12352r Diagram

Capacitor

Part #11182

The manufacturer no longer makes this part, and there's no substitute part

Intg Circuit

See All Related Diagrams

Intg circuit

Part #11152

The manufacturer no longer makes this part, and there's no substitute part

Fuse Holder#16

Microwave parts Diagram

Fuse holder

Part #11256

The manufacturer no longer makes this part, and there's no substitute part

Resistor#27

Power and control circuit board part no. 12352r Diagram

Resistor

Part #11730

The manufacturer no longer makes this part, and there's no substitute part

Capacitor#60

Power and control circuit board part no. 12352r Diagram

Capacitor

Part #12410

The manufacturer no longer makes this part, and there's no substitute part

Articles and videos common to all microwaves

November 12, 2022

5 Holiday Cleaning Tasks Essential to Boosting Your Home’s Image

By Lyle Weischwill

Get tips on completing essential holiday cleaning tasks to brighten your home.

August 19, 2022

Are DIY appliance repairs safe?

By Lyle Weischwill

Find out how to stay safe when repairing your appliances.

August 5, 2022

Introducing new technical repair content that we’re developing for the Sears Technical Institute

By Lyle Weischwill

Learn about Sears Technical Institute and the advanced technical content being developed for aspiring appliance techs.