Whirlpool
Gas Range

Model #SS363BETT3 Official Whirlpool gas range

Here are the diagrams and repair parts for Whirlpool SS363BETT3 gas range, as well as links to manuals and error code tables, if available.

There are a couple of ways to find the part or diagram you need:

  • Click a diagram to see the parts shown on that diagram.
  • In the search box below, enter all or part of the part number or the part’s name.

Not all parts are shown on the diagrams—those parts are labeled NI, for “not illustrated”.

We encourage you to save the model to your profile, so it’s easy to access parts and manuals for your appliance whenever you log in.

For DIY troubleshooting advice and repair guides, visit our repair help section.

Error Codes

    Showing 10 of 162 parts

    Appliance Light Bulb, 40-watt#28

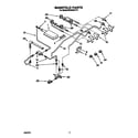
    Oven electrical Diagram

    Light bulb

    Part #786742
    Replaced by #40A15
    ?
    Manufacturer substitution
    This part replaces 786742. Substitute parts can look different from the original.
    BEST SELLER
    In Stock
    $8.35 | 
    11% OFF 
    Phone Price: $9.35
    Range Oven Insulation#14

    Internal oven Diagram

    Insulation

    Part #786674
    Replaced by #WPW10208653
    ?
    Manufacturer substitution
    This part replaces 786674. Substitute parts can look different from the original.
    BEST SELLER
    In Stock
    $39.47 | 
    11% OFF 
    Phone Price: $44.47
    Range Oven Insulation#16

    Internal oven Diagram

    Insulation

    Part #786675
    Replaced by #WPW10208653
    ?
    Manufacturer substitution
    This part replaces 786675. Substitute parts can look different from the original.
    BEST SELLER
    In Stock
    $39.47 | 
    11% OFF 
    Phone Price: $44.47
    Range Oven Insulation#17

    Internal oven Diagram

    Insulation

    Part #786676
    Replaced by #WPW10208653
    ?
    Manufacturer substitution
    This part replaces 786676. Substitute parts can look different from the original.
    BEST SELLER
    In Stock
    $39.47 | 
    11% OFF 
    Phone Price: $44.47
    Range Oven Burner Igniter#15

    Oven electrical Diagram

    Oven igniter

    Part #4179150
    Replaced by #786324
    ?
    Manufacturer substitution
    This part replaces 4179150. Substitute parts can look different from the original.
    In Stock
    $49.19 | 
    9% OFF 
    MSRP: $54.00
    Range Oven Burner Igniter#14

    Oven electrical Diagram

    Igniter

    Part #786659
    Replaced by #786324
    ?
    Manufacturer substitution
    This part replaces 786659. Substitute parts can look different from the original.
    In Stock
    $49.19 | 
    9% OFF 
    MSRP: $54.00
    Clip#8

    Oven electrical Diagram

    Clip

    Part #786580
    This item is not returnable
    In Stock
    $5.87
    Dishwasher Screw

    See All Related Diagrams

    Screw

    Part #786745
    Replaced by #WP965173
    ?
    Manufacturer substitution
    This part replaces 786745. Substitute parts can look different from the original.
    This item is not returnable
    In Stock
    $5.85
    Igniter#7B

    Oven electrical Diagram

    Igniter

    Part #4315260
    Replaced by #4157608
    ?
    Manufacturer substitution
    This part replaces 4315260. Substitute parts can look different from the original.
    In Stock
    $69.19 | 
    7% OFF 
    Phone Price: $74.19
    Dishwasher Screw#2C

    Oven door and broiler Diagram

    Screw

    Part #786756
    Replaced by #WP965173
    ?
    Manufacturer substitution
    This part replaces 786756. Substitute parts can look different from the original.
    This item is not returnable
    In Stock
    $5.85

    Symptoms common to all ranges

    Choose a symptom to see related range repairs.

    Main causes: food splatters, spilling food on the oven door, allowing liquid to drip through oven door vent when cleaning the door
    Main causes: power supply failure, blown thermal fuse, bad relay control board, damaged terminal block, wiring failure
    Main causes: broken oven door lock assembly, wiring failure, electronic control board problem
    Main causes: faulty temperature sensor, electronic control board problem, control thermostat failure, weak burner igniter, oven door problem
    Main causes: broken broiler element, weak or broken broil burner igniter, control system failure, faulty temperature sensor, wiring failure
    Main causes: power supply problem, control thermostat or electronic control board failure, broken element, bad burner igniter
    Main causes: bad bake element, broken burner igniter, control system failure, blown thermal fuse, faulty temperature sensor, wiring failure

    Repair guides common to all ranges

    These step-by-step repair guides will help you safely fix what’s broken on your range.

    July 20, 2018
    By Lyle Weischwill
    How to replace a range oven door switch

    The oven door switch detects whether the oven door is closed and helps control the oven light. Replace the switch if it doesn’t control the oven light properly.

    Repair difficulty
    Time required
     30 minutes or less
    February 20, 2015
    By Lyle Weischwill
    How to replace a range oven door lock assembly

    Oven door not locking? You can replace the lock assembly in less than 30 minutes. Here's how.

    Repair difficulty
    Time required
     15 minutes or less

    Articles and videos common to all ranges

    Use the advice and tips in these articles and videos to get the most out of your range.

    May 12, 2022

    How to disassemble an Electrolux EW30 freestanding electric range

    By Lyle Weischwill

    See how to access control boards and oven components in an Electrolux electric range.

    December 27, 2021

    How does a self-cleaning oven work?

    By Lyle Weischwill

    Learn how the self-clean cycle works in an oven.

    May 31, 2016

    Oven door won't open: troubleshooting door lock problems on a range video

    By Lyle Weischwill

    Troubleshoot and repair problems with your range when your oven door locks shut and you can't get it open.