Hoover
Upright Vacuum

Model #C1703920 Official Hoover upright vacuum

Here are the diagrams and repair parts for Hoover C1703920 upright vacuum, as well as links to manuals and error code tables, if available.

There are a couple of ways to find the part or diagram you need:

  • Click a diagram to see the parts shown on that diagram.
  • In the search box below, enter all or part of the part number or the part’s name.

Not all parts are shown on the diagrams—those parts are labeled NI, for “not illustrated”.

We encourage you to save the model to your profile, so it’s easy to access parts and manuals for your appliance whenever you log in.

For DIY troubleshooting advice and repair guides, visit our repair help section.

Showing 10 of 89 parts

Vacuum Screw#27

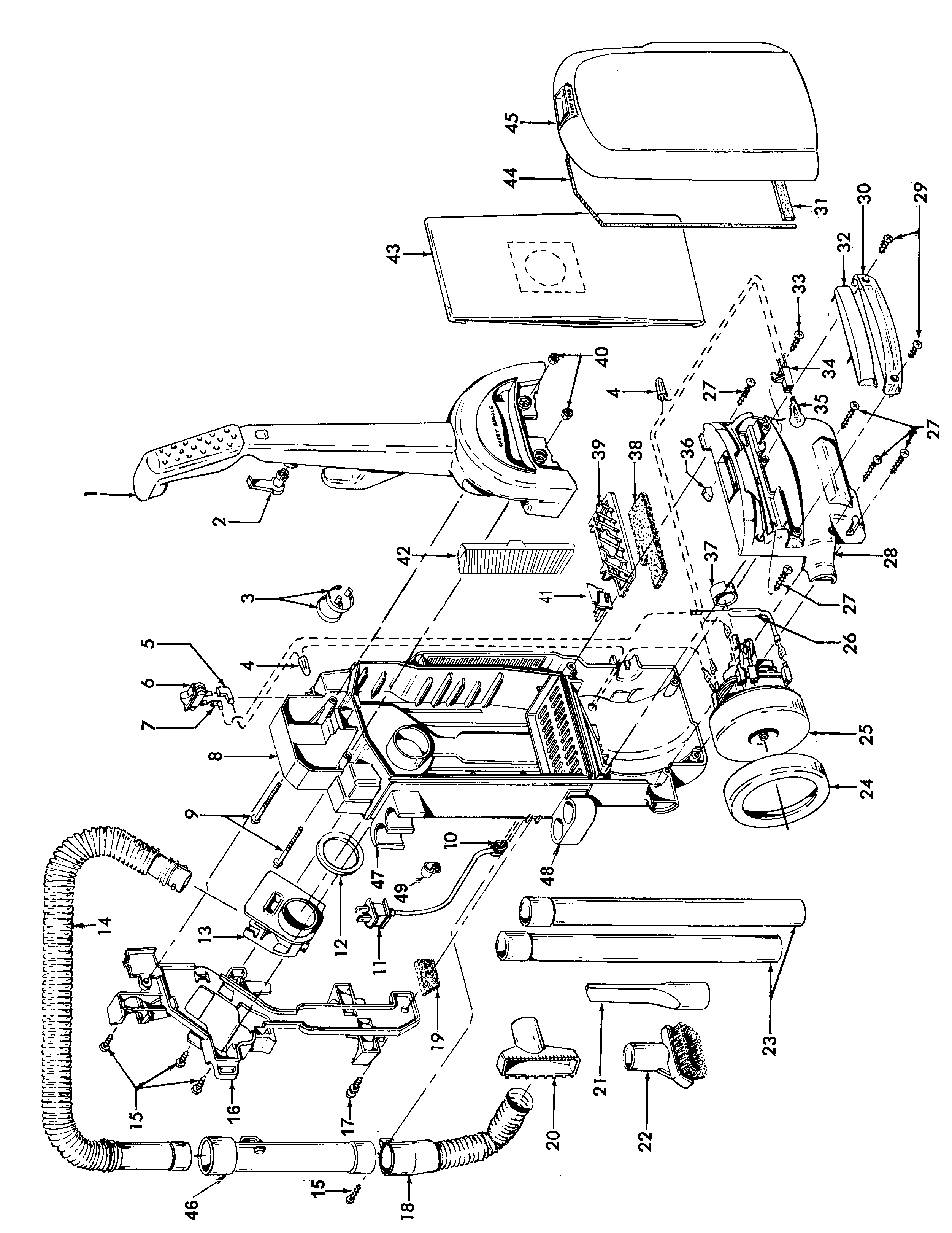
Motor, cleaningtools, handle, outerbag Diagram

Vacuum screw

Part #21447230

The manufacturer no longer makes this part, and there's no substitute part

Vacuum Motor Mount#37

Motor, cleaningtools, handle, outerbag Diagram

Vacuum motor mount

Part #36322030

The manufacturer no longer makes this part, and there's no substitute part

Vacuum Screw and Nut#9

Motor, cleaningtools, handle, outerbag Diagram

Vacuum screw and nut

Part #40201149

The manufacturer no longer makes this part, and there's no substitute part

Vacuum Screw

See All Related Diagrams

Vacuum screw

Part #21447228

The manufacturer no longer makes this part, and there's no substitute part

Thermal Protector#50B

Motor, cleaningtools, handle, outerbag Diagram

Thermal protector

Part #49811073

The manufacturer no longer makes this part, and there's no substitute part

Holder#48

Motor, cleaningtools, handle, outerbag Diagram

Holder

Part #36433116

The manufacturer no longer makes this part, and there's no substitute part

Vacuum Allergen Filtration Bag, 3-pack#43

Motor, cleaningtools, handle, outerbag Diagram

Vacuum allergen filtration bag, 3-pack

Part #4010100Y

The manufacturer no longer makes this part, and there's no substitute part

Clamp#7

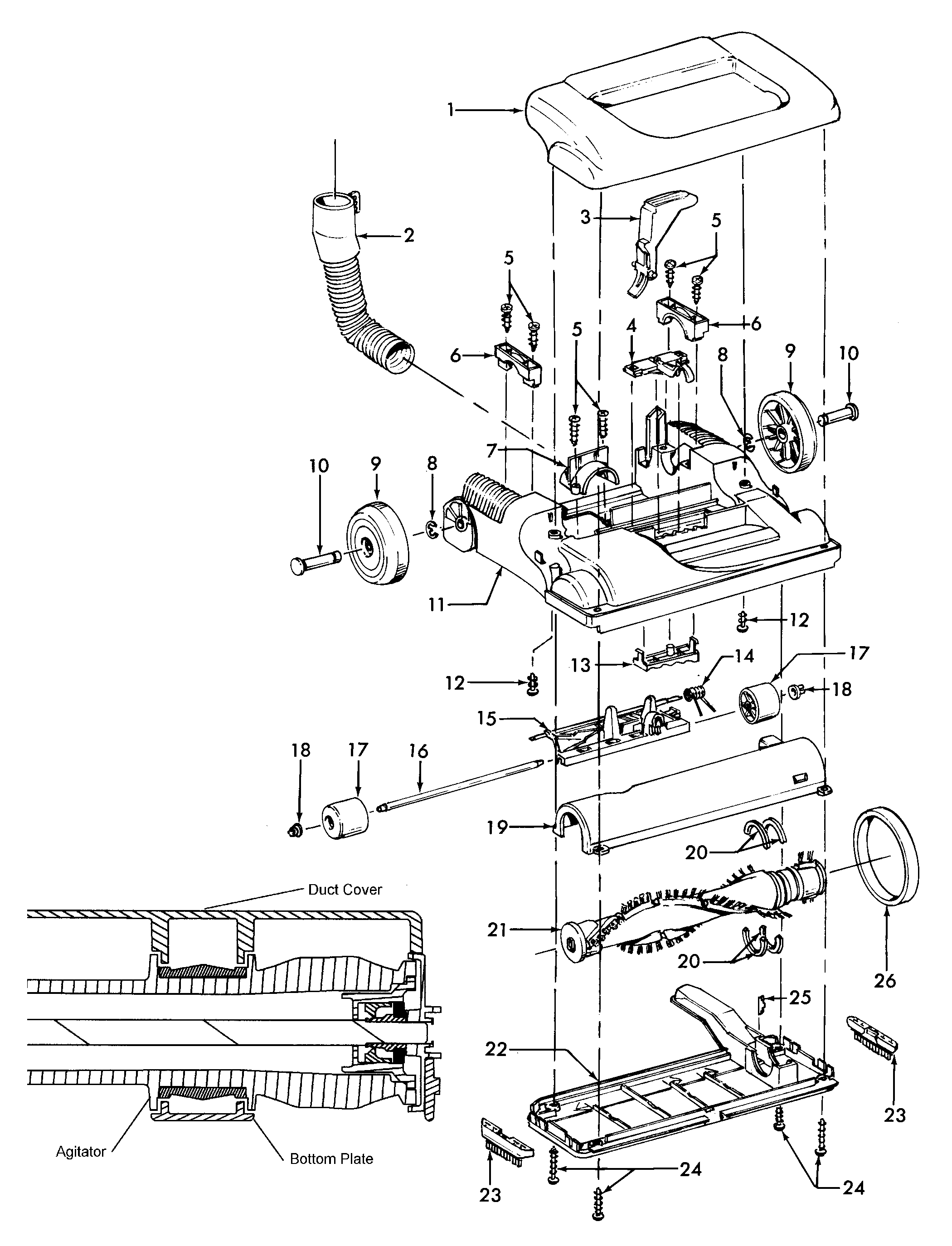
Agitator, mainbody, hood Diagram

Clamp

Part #36171044

The manufacturer no longer makes this part, and there's no substitute part

Vacuum Base Plate and Beater Bar Cover Assembly

See All Related Diagrams

Vacuum base plate and beater bar cover assembly

Part #40309025

The manufacturer no longer makes this part, and there's no substitute part

Vacuum Screw#15

Motor, cleaningtools, handle, outerbag Diagram

Vacuum screw

Part #21447242

The manufacturer no longer makes this part, and there's no substitute part

Symptoms common to all vacuum cleaners

Choose a symptom to see related vacuum cleaner repairs.

Main causes: damaged vacuum hose, clogged motor air filter, bad suction motor
Main causes: broken drive belt, damaged brush roll, tripped brush roll motor overload, bad brush roll motor, wiring failure
Main causes: lack of power, bad power cord, drive motor failure, wiring failure
Main causes: weak suction motor, vacuum bag is full, clog in suction air path, dirty exhaust filter, leaky vacuum hose

Articles and videos common to all vacuum cleaners

Use the advice and tips in these articles and videos to get the most out of your vacuum.

January 5, 2015

10 must-have tools for appliance repair

By Lyle Weischwill

Come see which tools made our top 10 must-haves for DIY appliance repair.

December 18, 2014

Deciding between a canister or upright vacuum

By Lyle Weischwill

Undecided about canister or upright? We compare them.

July 1, 2013

Vacuum common questions

By Lyle Weischwill

Find the answers to frequently asked questions about vacuum cleaners.