GE
Washer

Model #WBB2090G0WW Official GE washer

Here are the diagrams and repair parts for GE WBB2090G0WW washer, as well as links to manuals and error code tables, if available.

There are a couple of ways to find the part or diagram you need:

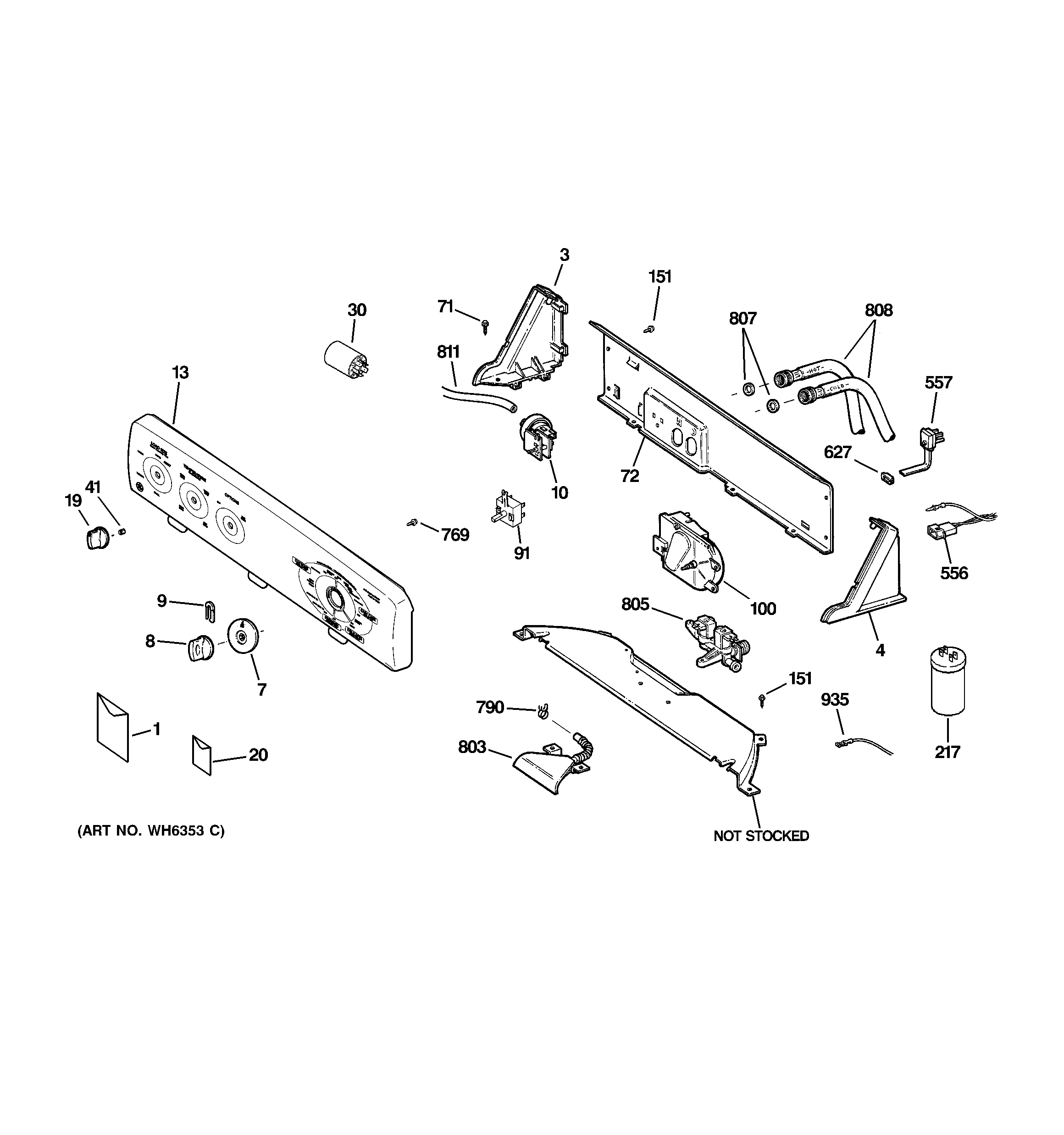
  • Click a diagram to see the parts shown on that diagram.
  • In the search box below, enter all or part of the part number or the part’s name.

Not all parts are shown on the diagrams—those parts are labeled NI, for “not illustrated”.

We encourage you to save the model to your profile, so it’s easy to access parts and manuals for your appliance whenever you log in.

For DIY troubleshooting advice and repair guides, visit our repair help section.

Installation guide

Showing 10 of 116 parts

Washer Tub Seal Assembly (replaces WH02X10032)#311

Tub, basket & agitator Diagram

Washer tub seal

Part #WH02X10032
Replaced by #WH02X10383
?
Manufacturer substitution
This part replaces WH02X10032. Substitute parts can look different from the original.
BEST SELLER
This item is not returnable
In Stock
$6.43 | 
13% OFF 
Phone Price: $7.43
Washer Control Knob Clip (replaces WE1X980)#41

Controls & backsplash Diagram

Washer control knob clip (replaces we1x980)

Part #WH01X10106
BEST SELLER
This item is not returnable
In Stock
$6.92 | 
13% OFF 
Phone Price: $7.92
Washer Tub Bearing Split Ring#313

Tub, basket & agitator Diagram

Split ring

Part #WH02X1195
Replaced by #WH02X10265
?
Manufacturer substitution
This part replaces WH02X1195. Substitute parts can look different from the original.
BEST SELLER
This item is not returnable
In Stock
$5.40 | 
16% OFF 
Phone Price: $6.40
Washer Hub Nut (replaces WH02X1193)#325

Tub, basket & agitator Diagram

Hub nut

Part #WH02X1193
Replaced by #WH2X1193
?
Manufacturer substitution
This part replaces WH02X1193. Substitute parts can look different from the original.
BEST SELLER
In Stock
$7.40 | 
12% OFF 
Phone Price: $8.40
Dryer Control Knob (replaces WE01X20432, WH01X10460)#19

Controls & backsplash Diagram

Knob and cli

Part #WH01X10307
Replaced by #WE01X20378
?
Manufacturer substitution
This part replaces WH01X10307. Substitute parts can look different from the original.
BEST SELLER
In Stock
$26.82 | 
16% OFF 
Phone Price: $31.82
Washer Timer Knob Clip (replaces WH01X2117, WH1X1499, WH1X1610, WH2X561)#9

Controls & backsplash Diagram

Spring clip

Part #WH01X2117
Replaced by #WH1X2117
?
Manufacturer substitution
This part replaces WH01X2117. Substitute parts can look different from the original.
BEST SELLER
In Stock
$6.92 | 
13% OFF 
Phone Price: $7.92
Washer Tub Mounting Hub Washer#315

Tub, basket & agitator Diagram

Hub washer

Part #WH02X1199
Replaced by #WH2X1199
?
Manufacturer substitution
This part replaces WH02X1199. Substitute parts can look different from the original.
BEST SELLER
This item is not returnable
In Stock
$5.40 | 
16% OFF 
Phone Price: $6.40
Washer Drain Pump (replaces WH16X521, WH23X10013)#655

Suspension, pump & drive components Diagram

Washer drain pump assembly

Part #WH23X10013
Replaced by #WH23X10030
?
Manufacturer substitution
This part replaces WH23X10013. Substitute parts can look different from the original.
In Stock
$53.90 | 
8% OFF 
Phone Price: $58.90
Washer Start Capacitor (replaces WH12X10212)#217

Controls & backsplash Diagram

Motor capacitor

Part #WH12X10212
Replaced by #WH12X10462
?
Manufacturer substitution
This part replaces WH12X10212. Substitute parts can look different from the original.
In Stock
$30.69 | 
14% OFF 
Phone Price: $35.69
Washer Timer#100

Controls & backsplash Diagram

Washer timer

Part #WH12X10338
In Stock
$145.59 | 
6% OFF 
Phone Price: $155.59

Symptoms common to all washers

Choose a symptom to see related washer repairs.

Main causes: leaky water inlet valve, faulty water-level pressure switch, bad electronic control board
Main causes: lack of electrical power, wiring failure, bad power cord, electronic control board failure, bad user interface board
Main causes: water heater failure, bad water temperature switch, faulty control board, bad water valve, faulty water temperature sensor
Main causes: unbalanced load, loose spanner nut, worn drive block, broken shock absorber or suspension spring, debris in drain pump
Main causes: broken lid switch or lid lock, bad pressure switch, broken shifter assembly, faulty control system
Main causes: clogged drain hose, house drain clogged, bad drain pump, water-level pressure switch failure, bad control board or timer
Main causes: worn agitator dogs, bad clutch, broken motor coupler, shifter assembly failure, broken door lock, suspension component failure
Main causes: no water supply, bad water valves, water-level pressure switch failure, control system failure, bad door lock or lid switch
Main causes: bad lid switch or door lock, bad timer or electronic control board, wiring failure, bad water inlet valve assembly

Articles and videos common to all washers

Use the advice and tips in these articles and videos to get the most out of your washer.

January 3, 2022

Why is my washing machine leaking when not in use?

Lyle Weischwill

Learn how to fix a washing machine leak

December 30, 2021

How to fix a washing machine

Lyle Weischwill

Learn how to fix your broken washing machine

April 10, 2020

Cleaning your appliances after a drinking water advisory

Wayne Archer

Find out how to clean and flush household appliances once a boil water advisory is lifted.