Kenmore
Tools & Attachment

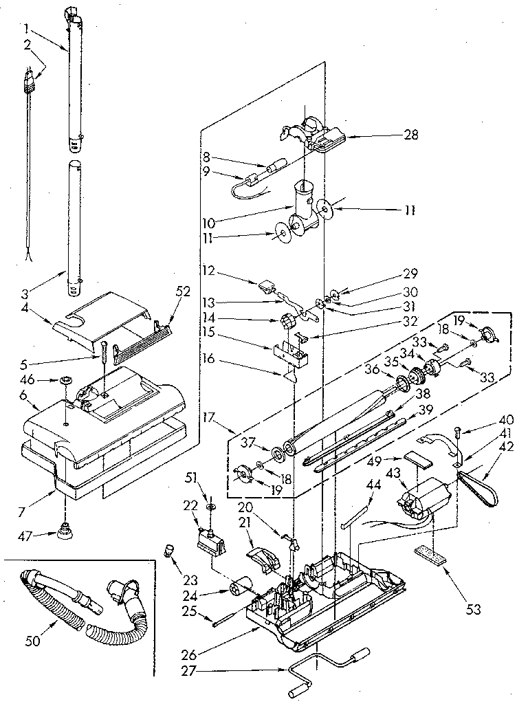
Model #1165015080 Official Kenmore powermate attachment

Here are the diagrams and repair parts for Kenmore 1165015080 powermate attachment, as well as links to manuals and error code tables, if available.

There are a couple of ways to find the part or diagram you need:

  • Click a diagram to see the parts shown on that diagram.
  • In the search box below, enter all or part of the part number or the part’s name.

Not all parts are shown on the diagrams—those parts are labeled NI, for “not illustrated”.

We encourage you to save the model to your profile, so it’s easy to access parts and manuals for your appliance whenever you log in.

For DIY troubleshooting advice and repair guides, visit our repair help section.

Showing 10 of 51 parts

Vacuum PowerMate Front Axle#27

Power mate Diagram

Axle (silver)

Part #744029
Replaced by #KS744029
?
Manufacturer substitution
This part replaces 744029. Substitute parts can look different from the original.
BEST SELLER
This item is not returnable
Back Order
$7.79 | 
11% OFF 
Phone Price: $8.79
Vacuum PowerMate Swivel#10

Power mate Diagram

Swivel

Part #747092
Replaced by #KS4155049
?
Manufacturer substitution
This part replaces 747092. Substitute parts can look different from the original.
This item is not returnable
In Stock
$16.19 | 
11% OFF 
Phone Price: $18.19
Gasket#51

Power mate Diagram

Gasket

Part #742968
This item is not returnable
In Stock
$2.49
Vacuum Twist-On Wire Connector#23

Power mate Diagram

Nut

Part #596564
Replaced by #KS4154460
?
Manufacturer substitution
This part replaces 596564. Substitute parts can look different from the original.
This item is not returnable
In Stock
$2.49
INDICATORCAM#31

Power mate Diagram

Catch

Part #722955
Replaced by #KS588543
?
Manufacturer substitution
This part replaces 722955. Substitute parts can look different from the original.
In Stock
$9.00
Screw#40

Power mate Diagram

Screw

Part #681297

The manufacturer no longer makes this part, and there's no substitute part

Vacuum Beater Bar Belt (replaces 5285)#42

Power mate Diagram

Belt

Part #742024
Replaced by #KS742024
?
Manufacturer substitution
This part replaces 742024. Substitute parts can look different from the original.
This item is not returnable
In Stock
$5.49 | 
15% OFF 
Phone Price: $6.49
Vacuum PowerMate Swivel Seal#11

Power mate Diagram

Swivel seal (white)

Part #742019
Replaced by #KS742019
?
Manufacturer substitution
This part replaces 742019. Substitute parts can look different from the original.
This item is not returnable
In Stock
$7.69 | 
12% OFF 
Phone Price: $8.69
Vacuum Handle Release Pedal#21

Power mate Diagram

Release

Part #4148391
Replaced by #KC47AGJ3V06
?
Manufacturer substitution
This part replaces 4148391. Substitute parts can look different from the original.
This item is not returnable
Back Order
$4.79 | 
17% OFF 
Phone Price: $5.79
INDICATORCAM#14

Power mate Diagram

Indicator cam

Part #747291
Replaced by #KS588543
?
Manufacturer substitution
This part replaces 747291. Substitute parts can look different from the original.
In Stock
$9.00