Carrier
Central Air Conditioner

Model #38EYG042 SERIES300 Official Carrier condensing unit

Here are the diagrams and repair parts for Carrier 38EYG042-SERIES300 condensing unit, as well as links to manuals and error code tables, if available.

There are a couple of ways to find the part or diagram you need:

  • Click a diagram to see the parts shown on that diagram.
  • In the search box below, enter all or part of the part number or the part’s name.

Not all parts are shown on the diagrams—those parts are labeled NI, for “not illustrated”.

We encourage you to save the model to your profile, so it’s easy to access parts and manuals for your appliance whenever you log in.

For DIY troubleshooting advice and repair guides, visit our repair help section.

Owner’s manual

Showing 10 of 56 parts

Strap Cap#27

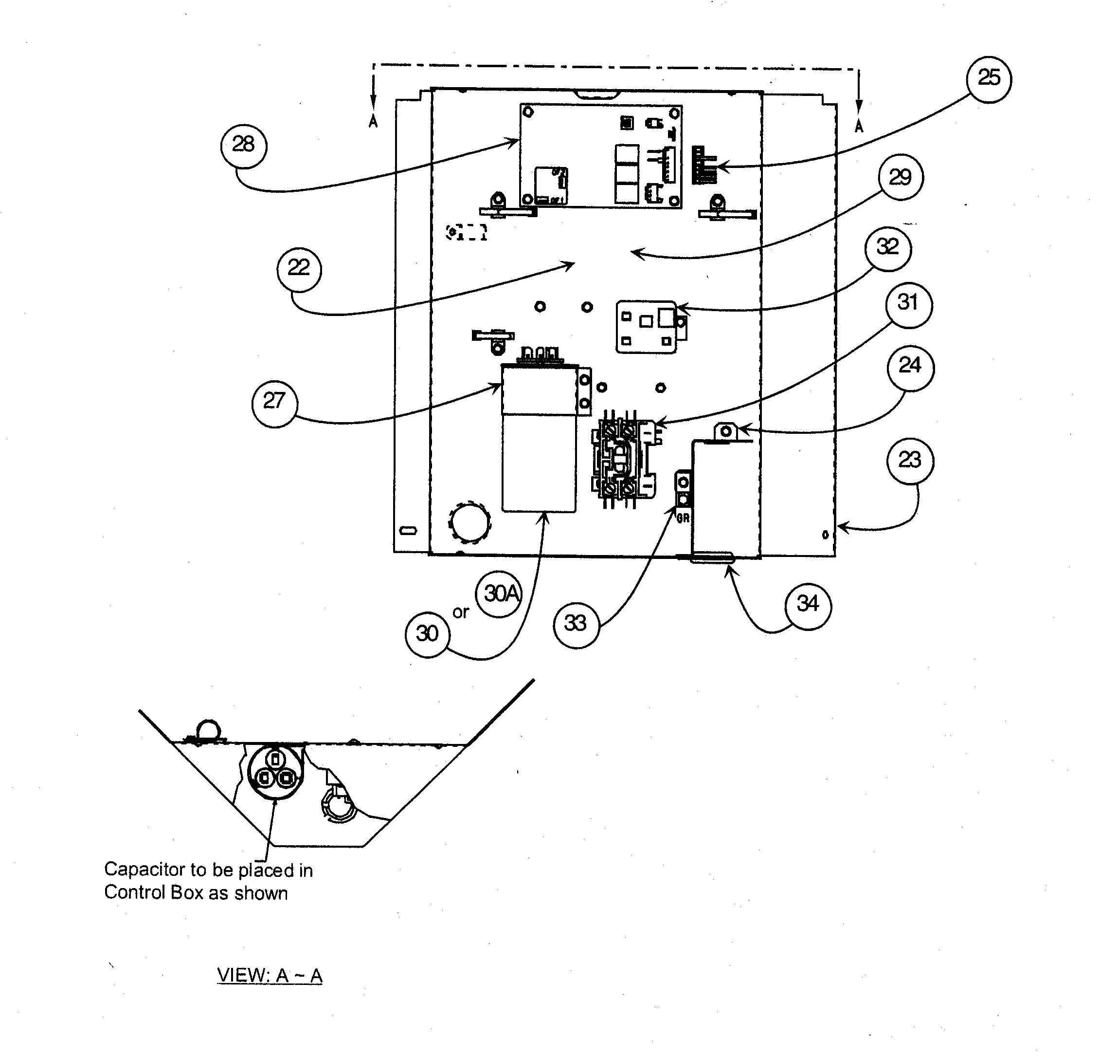
Control asy Diagram

Strap cap

Part #317739-303
This item is not returnable
In Stock
$2.64
Central Air Conditioner Condenser Fan Guard (replaces 323745-401, 330277-401)#47

Outside view Diagram

Fan guard

Part #323745-401
Replaced by #323745-412
?
Manufacturer substitution
This part replaces 323745-401. Substitute parts can look different from the original.
In Stock
$160.79 | 
6% OFF 
Phone Price: $170.79
Cushion#55

Inside view Diagram

Cushion

Part #312251-201
This item is not returnable
In Stock
$2.16
Kit#NI

Outside view Diagram

Kit

Part #KSALA0301410
In Stock
$220.00
Grommet#17

Inside view Diagram

Grommet

Part #KA56TR057
This item is not returnable
In Stock
$2.49
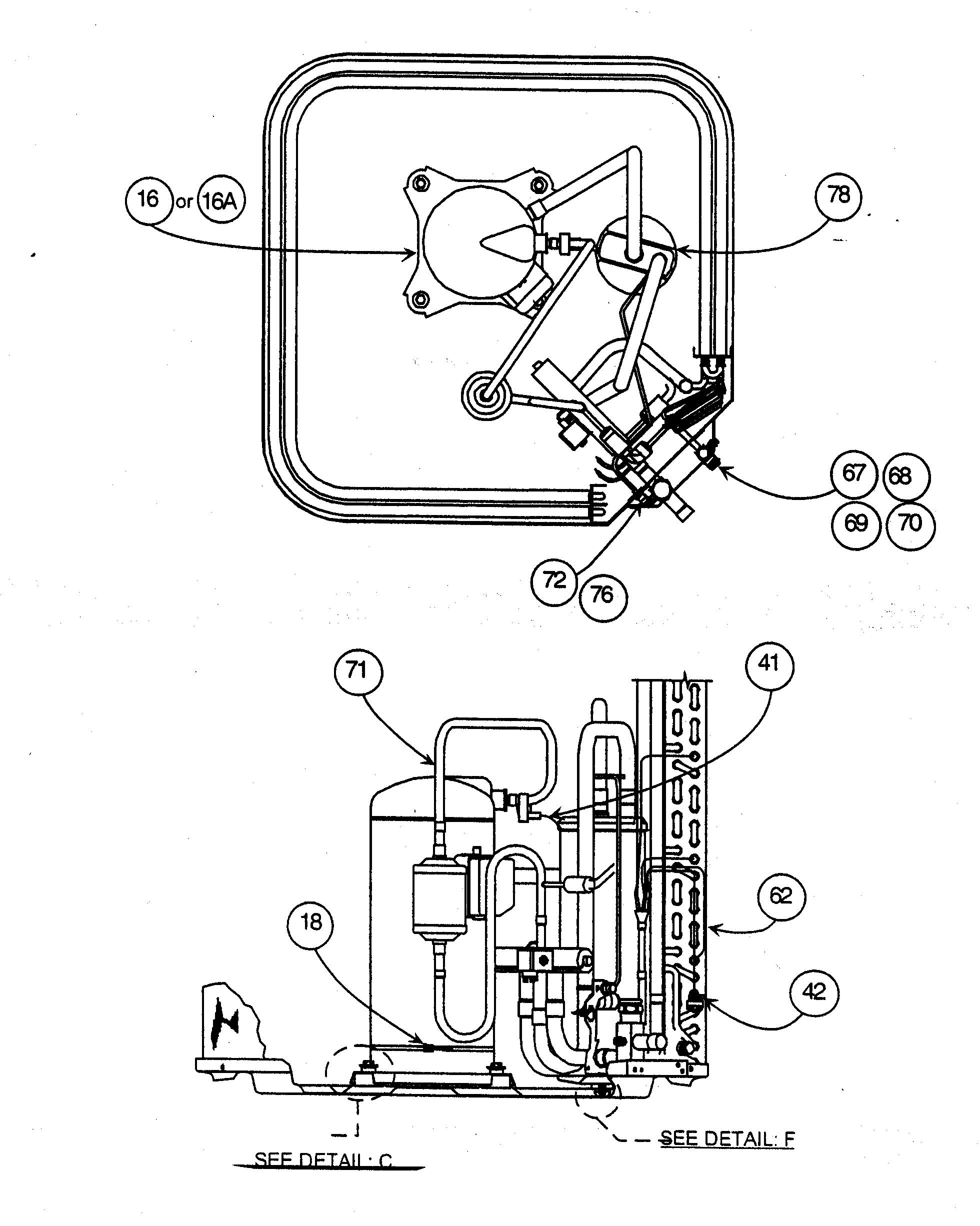
Condenser#62

Compressor asy Diagram

Condenser

Part #325302-7009
In Stock
$1893.54
Panel#4

Outside view Diagram

Panel

Part #317405-708138
In Stock
$13.99
Check Valve#72A

Inside view Diagram

Check valve

Part #321097-201
In Stock
$15.08
Delay Kit#NI

Outside view Diagram

Delay kit

Part #KAATD0101TDR
In Stock
$120.00
Cap#79

Outside view Diagram

Cap

Part #325437-303
This item is not returnable
In Stock
$2.16

Articles and videos common to all central air conditioners

October 24, 2022

Easy DIY appliance repairs that anyone can do

Lyle Weischwill

Get advice on simple DIY fixes for appliances that you can safely do on your own.

August 5, 2022

Introducing new technical repair content that we’re developing for the Sears Technical Institute

Lyle Weischwill

Learn about Sears Technical Institute and the advanced technical content being developed for aspiring appliance techs.

June 29, 2022

Top questions about Sears and Sears PartsDirect

Lyle Weischwill

Get answers to frequently asked questions about Sears and Sears PartsDirect.