Hoover
Upright Vacuum

Model #UH60000 Official Hoover vacuum

Here are the diagrams and repair parts for Hoover UH60000 vacuum, as well as links to manuals and error code tables, if available.

There are a couple of ways to find the part or diagram you need:

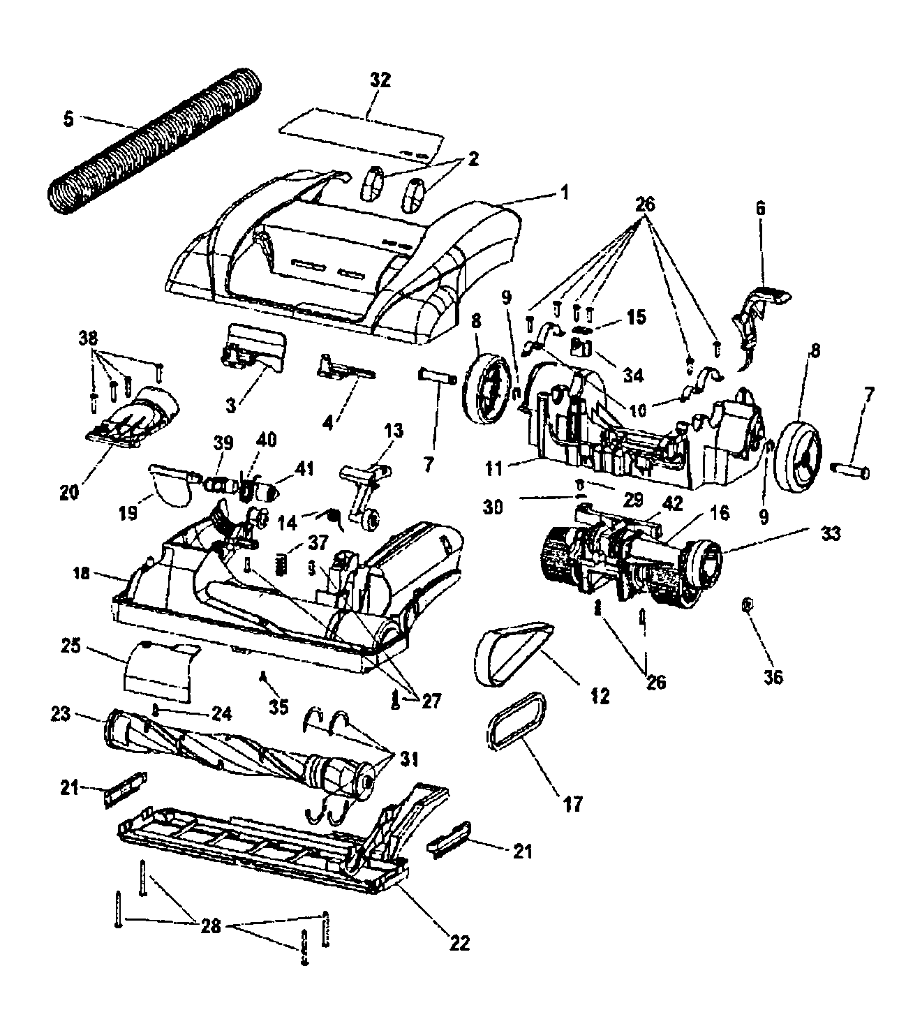
  • Click a diagram to see the parts shown on that diagram.
  • In the search box below, enter all or part of the part number or the part’s name.

Not all parts are shown on the diagrams—those parts are labeled NI, for “not illustrated”.

We encourage you to save the model to your profile, so it’s easy to access parts and manuals for your appliance whenever you log in.

For DIY troubleshooting advice and repair guides, visit our repair help section.

Owner’s manual

Showing 10 of 120 parts

Vacuum Beater Bar Belt#12

Base assy Diagram

Vacuum beater bar belt

Part #38528035
This item is not returnable
Back Order
$1.50 | 
40% OFF 
Phone Price: $2.50
Vacuum HEPA Filter#29

Main body Diagram

Vacuum hepa filter

Part #40140201

The manufacturer no longer makes this part, and there's no substitute part

Vacuum Cover#67

Main body Diagram

Vacuum cover

Part #37255015

The manufacturer no longer makes this part, and there's no substitute part

Drive Pin#5

Main body Diagram

Drive pin

Part #26142004

The manufacturer no longer makes this part, and there's no substitute part

Vacuum Beater Bar#2

Turbine assy Diagram

Vacuum beater bar

Part #48414088

The manufacturer no longer makes this part, and there's no substitute part

Vacuum Handle Grip#2

Main body Diagram

Vacuum handle grip

Part #39454068

The manufacturer no longer makes this part, and there's no substitute part

Vacuum Screw

See All Related Diagrams

Vacuum screw

Part #21447228

The manufacturer no longer makes this part, and there's no substitute part

Vacuum Screw#47

Main body Diagram

Vacuum screw

Part #21447230

The manufacturer no longer makes this part, and there's no substitute part

Protector#44

Main body Diagram

Protector

Part #28382093

The manufacturer no longer makes this part, and there's no substitute part

Vacuum On/Off Switch#16A

Main body Diagram

Vacuum on/off switch

Part #28161074

The manufacturer no longer makes this part, and there's no substitute part

Symptoms common to all vacuum cleaners

Choose a symptom to see related vacuum cleaner repairs.

Main causes: damaged vacuum hose, clogged motor air filter, bad suction motor
Main causes: broken drive belt, damaged brush roll, tripped brush roll motor overload, bad brush roll motor, wiring failure
Main causes: lack of power, bad power cord, drive motor failure, wiring failure
Main causes: weak suction motor, vacuum bag is full, clog in suction air path, dirty exhaust filter, leaky vacuum hose

Articles and videos common to all vacuum cleaners

Use the advice and tips in these articles and videos to get the most out of your vacuum.

January 5, 2015

10 must-have tools for appliance repair

By Lyle Weischwill

Come see which tools made our top 10 must-haves for DIY appliance repair.

December 18, 2014

Deciding between a canister or upright vacuum

By Lyle Weischwill

Undecided about canister or upright? We compare them.

July 1, 2013

Vacuum common questions

By Lyle Weischwill

Find the answers to frequently asked questions about vacuum cleaners.