Kenmore
Washer

Model #11020096993 Official Kenmore washer

Here are the diagrams and repair parts for Kenmore 11020096993 washer, as well as links to manuals and error code tables, if available.

There are a couple of ways to find the part or diagram you need:

  • Click a diagram to see the parts shown on that diagram.
  • In the search box below, enter all or part of the part number or the part’s name.

Not all parts are shown on the diagrams—those parts are labeled NI, for “not illustrated”.

We encourage you to save the model to your profile, so it’s easy to access parts and manuals for your appliance whenever you log in.

For DIY troubleshooting advice and repair guides, visit our repair help section.

Owner’s manual

Showing 10 of 281 parts

Washer Agitator Dog Set (replaces 285770, 3366877)#5

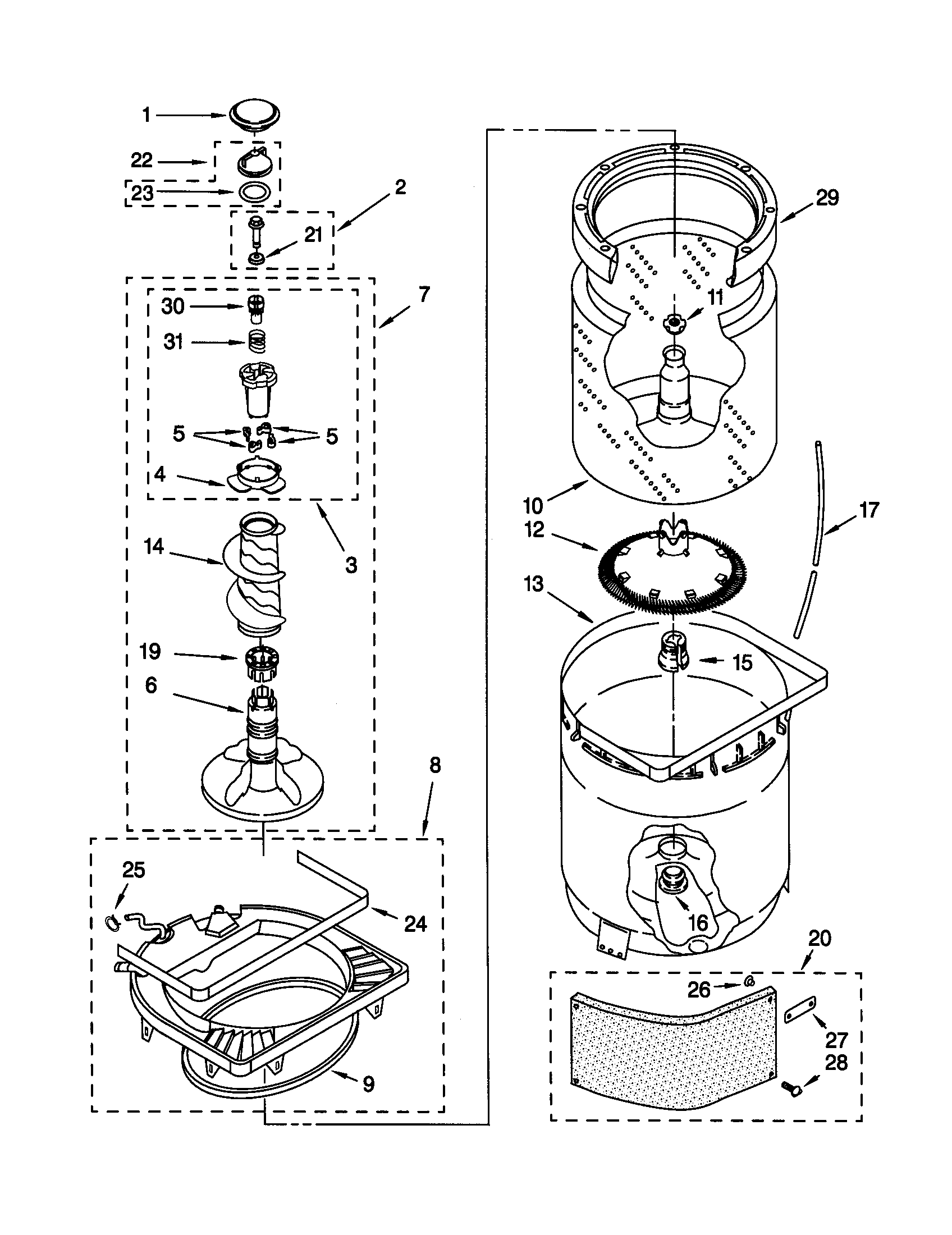
Agitator, basket and tub Diagram

Agitator dog

Part #3366877
Replaced by #80040
?
Manufacturer substitution
This part replaces 3366877. Substitute parts can look different from the original.
BEST SELLER
This item is not returnable
In Stock
$3.03 | 
28% OFF 
MSRP: $4.20
Washer Motor Coupling (replaces 280152, 285753, 8559748)#13

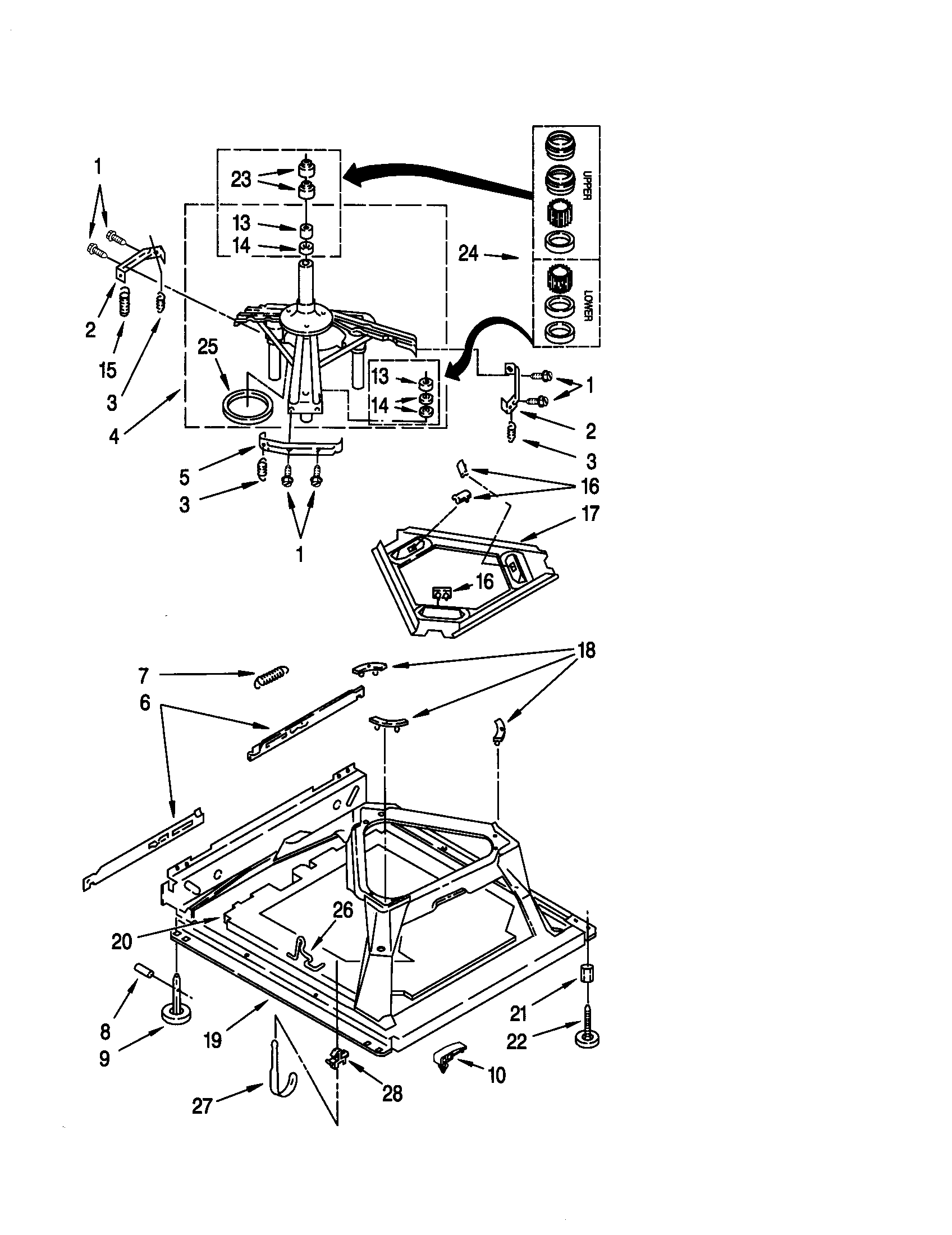
Brake/clutch/gearcase/motor/pump Diagram

Coupling

Part #3364003
Replaced by #285753A
?
Manufacturer substitution
This part replaces 3364003. Substitute parts can look different from the original.
BEST SELLER
In Stock
$24.57 | 
17% OFF 
Phone Price: $29.57
Washer Counterweight Spring (replaces W10250667)#15

Machine base Diagram

Counterweight spring (red)

Part #388492
Replaced by #WPW10250667
?
Manufacturer substitution
This part replaces 388492. Substitute parts can look different from the original.
BEST SELLER
This item is not returnable
In Stock
$4.23 | 
19% OFF 
Phone Price: $5.23
Washer Suspension Spring (replaces 63907)#3

Machine base Diagram

Washer suspension spring

Part #63907
Replaced by #WP63907
?
Manufacturer substitution
This part replaces 63907. Substitute parts can look different from the original.
BEST SELLER
This item is not returnable
In Stock
$4.06 | 
26% OFF 
MSRP: $5.50
Washer Gear Case (replaces 285362, 3360630, 8532118, W10140307)#9

Brake/clutch/gearcase/motor/pump Diagram

Gear case

Part #3360630
Replaced by #3360629
?
Manufacturer substitution
This part replaces 3360630. Substitute parts can look different from the original.
BEST SELLER
In Stock
$196.10 | 
5% OFF 
Phone Price: $206.10
Appliance Touch-Up Paint, 0.6-oz (White) (replaces 21020, 72017R, 8006, W10813125, Y058028)

#NI

All parts Diagram

In Stock
$8.29 | 
11% OFF 
Phone Price: $9.29
Washer Tub Seal (replaces 383727)#16

Agitator, basket and tub Diagram

Washer tub gasket

Part #383727
Replaced by #W10814296
?
Manufacturer substitution
This part replaces 383727. Substitute parts can look different from the original.
BEST SELLER
This item is not returnable
In Stock
$3.03 | 
28% OFF 
MSRP: $4.20
Washer Bearing and Seal Kit#24

Machine base Diagram

Washer bearing and seal kit

Part #285203
BEST SELLER
In Stock
$69.71 | 
16% OFF 
MSRP: $83.00
Washer O-Ring#23

Agitator, basket and tub Diagram

O-ring

Part #3348855
Replaced by #WPW10072840
?
Manufacturer substitution
This part replaces 3348855. Substitute parts can look different from the original.
BEST SELLER
This item is not returnable
In Stock
$5.89 | 
15% OFF 
Phone Price: $6.89
Washer Spanner Nut (replaces 21366)#11

Agitator, basket and tub Diagram

Washer spanner nut

Part #21366
Replaced by #WP21366
?
Manufacturer substitution
This part replaces 21366. Substitute parts can look different from the original.
BEST SELLER
This item is not returnable
In Stock
$6.49 | 
13% OFF 
Phone Price: $7.49

Symptoms common to all washers

Choose a symptom to see related washer repairs.

Main causes: leaky water inlet valve, faulty water-level pressure switch, bad electronic control board
Main causes: lack of electrical power, wiring failure, bad power cord, electronic control board failure, bad user interface board
Main causes: water heater failure, bad water temperature switch, faulty control board, bad water valve, faulty water temperature sensor
Main causes: unbalanced load, loose spanner nut, worn drive block, broken shock absorber or suspension spring, debris in drain pump
Main causes: broken lid switch or lid lock, bad pressure switch, broken shifter assembly, faulty control system
Main causes: clogged drain hose, house drain clogged, bad drain pump, water-level pressure switch failure, bad control board or timer
Main causes: worn agitator dogs, bad clutch, broken motor coupler, shifter assembly failure, broken door lock, suspension component failure
Main causes: no water supply, bad water valves, water-level pressure switch failure, control system failure, bad door lock or lid switch
Main causes: bad lid switch or door lock, bad timer or electronic control board, wiring failure, bad water inlet valve assembly

Articles and videos common to all washers

Use the advice and tips in these articles and videos to get the most out of your washer.

January 3, 2022

Why is my washing machine leaking when not in use?

Lyle Weischwill

Learn how to fix a washing machine leak

December 30, 2021

How to fix a washing machine

Lyle Weischwill

Learn how to fix your broken washing machine

April 10, 2020

Cleaning your appliances after a drinking water advisory

Wayne Archer

Find out how to clean and flush household appliances once a boil water advisory is lifted.