Hoover
Upright Vacuum

Model #U5077930 Official Hoover upright vacuum

Here are the diagrams and repair parts for Hoover U5077930 upright vacuum, as well as links to manuals and error code tables, if available.

There are a couple of ways to find the part or diagram you need:

  • Click a diagram to see the parts shown on that diagram.
  • In the search box below, enter all or part of the part number or the part’s name.

Not all parts are shown on the diagrams—those parts are labeled NI, for “not illustrated”.

We encourage you to save the model to your profile, so it’s easy to access parts and manuals for your appliance whenever you log in.

For DIY troubleshooting advice and repair guides, visit our repair help section.

Showing 10 of 76 parts

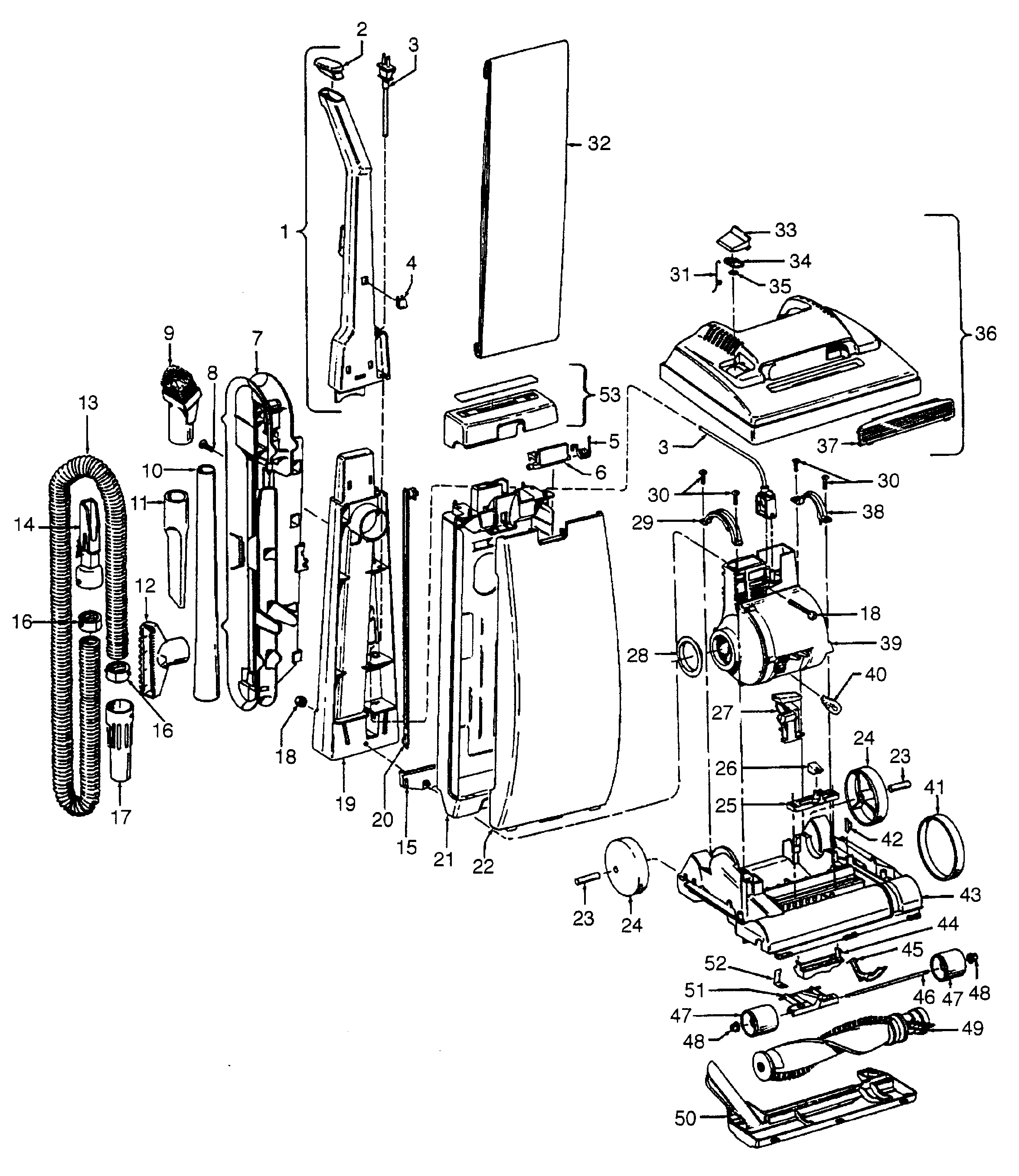
Bag Housing Cap#53

Mainbody, handle, outerbag Diagram

Bag housing cap

Part #37959100

The manufacturer no longer makes this part, and there's no substitute part

Tool Holder#7A

Mainbody, handle, outerbag Diagram

Tool holder

Part #41426086

The manufacturer no longer makes this part, and there's no substitute part

Spring#5

Mainbody, handle, outerbag Diagram

Spring

Part #38355008

The manufacturer no longer makes this part, and there's no substitute part

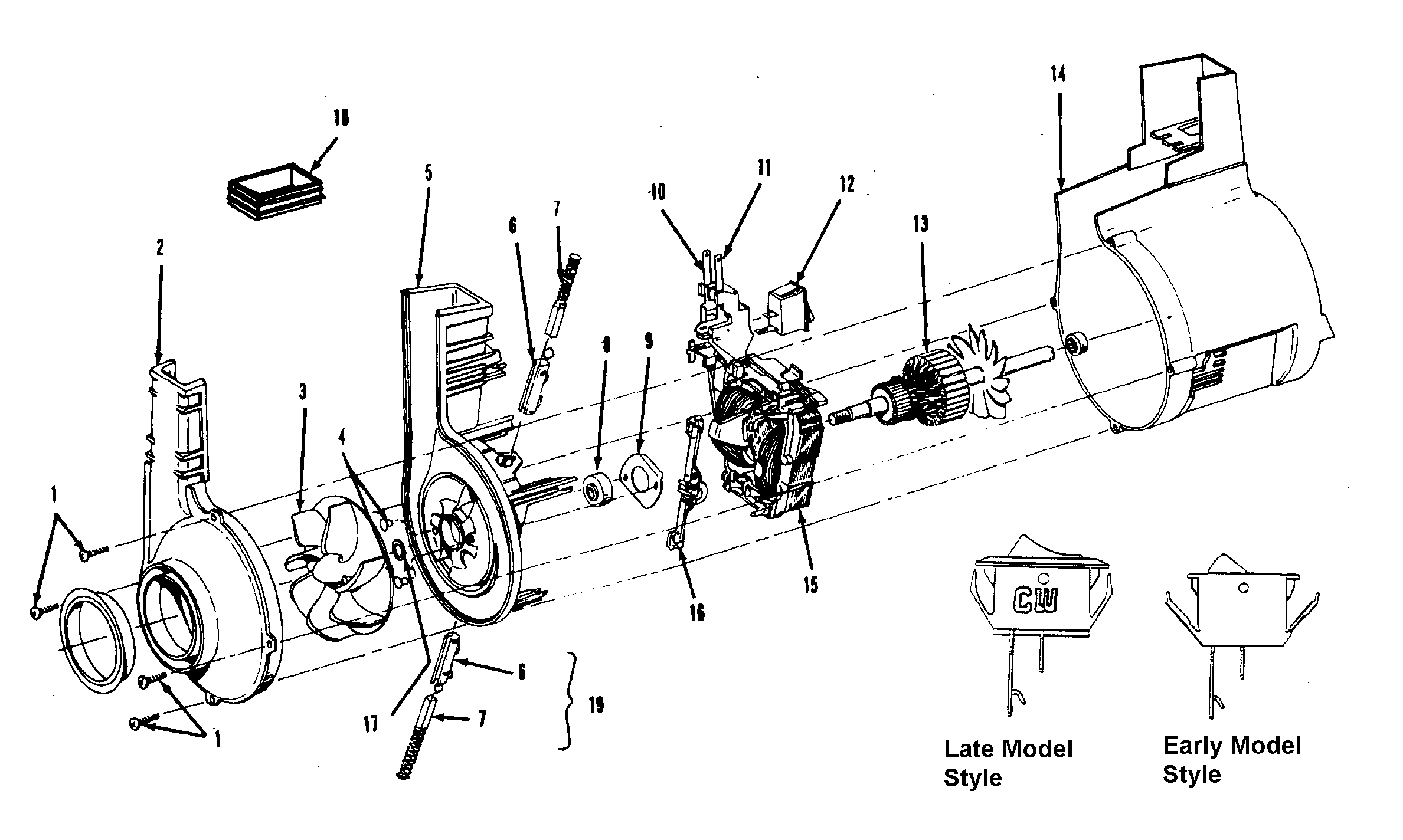
Vacuum Beater Bar Housing End Cap, Left#7

Agitator Diagram

Vacuum beater bar housing end cap, left

Part #36423017

The manufacturer no longer makes this part, and there's no substitute part

Vacuum Furniture Nozzle#12

Mainbody, handle, outerbag Diagram

Vacuum furniture nozzle

Part #38614029

The manufacturer no longer makes this part, and there's no substitute part

Upright Vacuum Screw#8

Mainbody, handle, outerbag Diagram

Upright vacuum screw

Part #21447220

The manufacturer no longer makes this part, and there's no substitute part

Speed Nut#35

Mainbody, handle, outerbag Diagram

Speed nut

Part #21362006

The manufacturer no longer makes this part, and there's no substitute part

Vacuum Wheel#24

Mainbody, handle, outerbag Diagram

Vacuum wheel

Part #38522011

The manufacturer no longer makes this part, and there's no substitute part

Bag Bracket Housing#15

Mainbody, handle, outerbag Diagram

Bag bracket housing

Part #36425081

The manufacturer no longer makes this part, and there's no substitute part

Hoover Vacuum Bag, Type A, 3-pack#32

Mainbody, handle, outerbag Diagram

Hoover vacuum bag, type a, 3-pack

Part #4010001A

The manufacturer no longer makes this part, and there's no substitute part

Symptoms common to all vacuum cleaners

Choose a symptom to see related vacuum cleaner repairs.

Main causes: damaged vacuum hose, clogged motor air filter, bad suction motor
Main causes: broken drive belt, damaged brush roll, tripped brush roll motor overload, bad brush roll motor, wiring failure
Main causes: lack of power, bad power cord, drive motor failure, wiring failure
Main causes: weak suction motor, vacuum bag is full, clog in suction air path, dirty exhaust filter, leaky vacuum hose

Articles and videos common to all vacuum cleaners

Use the advice and tips in these articles and videos to get the most out of your vacuum.

June 29, 2022

Top questions about Sears and Sears PartsDirect

Lyle Weischwill

Get answers to frequently asked questions about Sears and Sears PartsDirect.

January 5, 2015

10 must-have tools for appliance repair

Lyle Weischwill

Come see which tools made our top 10 must-haves for DIY appliance repair.

July 1, 2013

Vacuum common questions

Lyle Weischwill

Find the answers to frequently asked questions about vacuum cleaners.