Kenmore
Dryer

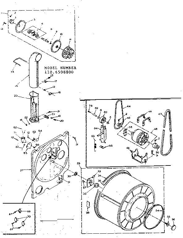
Model #1106508800 Official Kenmore electric dryer

Here are the diagrams and repair parts for Kenmore 1106508800 electric dryer, as well as links to manuals and error code tables, if available.

There are a couple of ways to find the part or diagram you need:

  • Click a diagram to see the parts shown on that diagram.
  • In the search box below, enter all or part of the part number or the part’s name.

Not all parts are shown on the diagrams—those parts are labeled NI, for “not illustrated”.

We encourage you to save the model to your profile, so it’s easy to access parts and manuals for your appliance whenever you log in.

For DIY troubleshooting advice and repair guides, visit our repair help section.

Showing 10 of 212 parts

Dryer Door Latch Kit (replaces 2003, 3392538, 3398175, 8208)#67

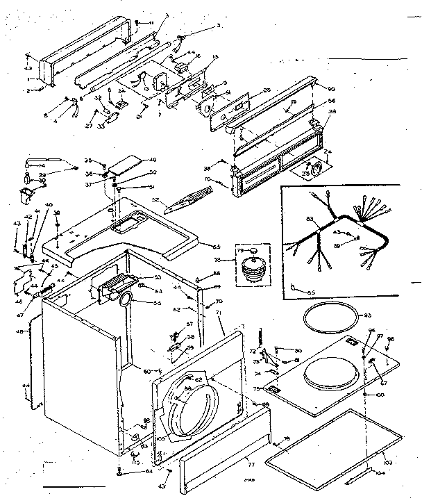
Machine sub-assembly Diagram

Catch

Part #236877
Replaced by #279570
?
Manufacturer substitution
This part replaces 236877. Substitute parts can look different from the original.
BEST SELLER
This item is not returnable
In Stock
$3.40 | 
74% OFF 
MSRP: $13.00
Dryer Door Latch Kit (replaces 2003, 3392538, 3398175, 8208)#99

Machine sub-assembly Diagram

Door strike

Part #236876
Replaced by #279570
?
Manufacturer substitution
This part replaces 236876. Substitute parts can look different from the original.
BEST SELLER
This item is not returnable
In Stock
$3.40 | 
74% OFF 
MSRP: $13.00
Appliance Light Bulb, 40-watt (replaces 40A15-2PK, 60A, 60A15RVL, STD398091, WR02X12328, WX12X1510)#62

Bulkhead assembly Diagram

Bulb

Part #233056
Replaced by #40A15
?
Manufacturer substitution
This part replaces 233056. Substitute parts can look different from the original.
BEST SELLER
In Stock
$7.52 | 
12% OFF 
Phone Price: $8.52
Dryer Door Switch Actuator#57

Machine sub-assembly Diagram

Lever

Part #295998
Replaced by #WP691581
?
Manufacturer substitution
This part replaces 295998. Substitute parts can look different from the original.
BEST SELLER
This item is not returnable
In Stock
$7.29 | 
12% OFF 
Phone Price: $8.29
Dryer Door Cable Spring#14

Bulkhead assembly Diagram

Clamp

Part #298252
Replaced by #WP337186
?
Manufacturer substitution
This part replaces 298252. Substitute parts can look different from the original.
This item is not returnable
In Stock
$4.03 | 
20% OFF 
Phone Price: $5.03
Dryer Spring Clip#115

Machine sub-assembly Diagram

Dryer spring clip

Part #297092
Replaced by #WP297092
?
Manufacturer substitution
This part replaces 297092. Substitute parts can look different from the original.
This item is not returnable
In Stock
$6.49 | 
13% OFF 
Phone Price: $7.49
Washer Screw

See All Related Diagrams

Tap screw

Part #90767
Replaced by #WP90767
?
Manufacturer substitution
This part replaces 90767. Substitute parts can look different from the original.
This item is not returnable
In Stock
$4.37 | 
19% OFF 
Phone Price: $5.37
Dryer Top Panel Clip#60

Machine sub-assembly Diagram

Dryer top panel clip

Part #18776
Replaced by #WP18776
?
Manufacturer substitution
This part replaces 18776. Substitute parts can look different from the original.
This item is not returnable
In Stock
$7.55 | 
12% OFF 
Phone Price: $8.55
Dryer Cabinet Clip#70

Machine sub-assembly Diagram

Dryer cabinet clip

Part #98234
Replaced by #WP98234
?
Manufacturer substitution
This part replaces 98234. Substitute parts can look different from the original.
This item is not returnable
In Stock
$7.55 | 
12% OFF 
Phone Price: $8.55
Dryer Felt and Glide Kit#105

Machine sub-assembly Diagram

Seal

Part #297786
Replaced by #279264
?
Manufacturer substitution
This part replaces 297786. Substitute parts can look different from the original.
In Stock
$53.19 | 
9% OFF 
Phone Price: $58.19

Symptoms common to all dryers

Choose a symptom to see related dryer repairs.

Main causes: bad drum support roller, damaged idler pulley, broken blower fan blade, worn drum glide bearing, bad drive motor
Main causes: bad gas valve coils, broken heating element, tripped safety thermostat or fuse, bad operating thermostat, control failure
Main causes: bad timer or electronic control board, door switch failure
Main causes: lack of electrical power, bad power cord, wiring failure, bad control board, blown thermal fuse, bad door switch
Main causes: clogged exhaust vent, bad motor relay, loose dryer door catch, bad door switch, control system failure, faulty drive motor
Main causes: damaged door strike, worn door catch
Main causes: door switch failure, lack of power, broken belt, blown thermal fuse, bad drive motor, control system failure
Main causes: clogged exhaust system, heating system failure, deposits on moisture sensor, control system failure

Repair guides common to all dryers

These step-by-step repair guides will help you safely fix what’s broken on your dryer.

August 1, 2014
By Lyle Weischwill
How to replace a dryer drum support roller

If your dryer thumps or squeals, replace the drum support roller to restore quiet to your home.

Repair difficulty
Time required
 90 minutes or less
August 1, 2014
By Lyle Weischwill
How to replace a dryer thermistor

The thermistor senses the air temperature in the dryer. If your dryer overheats or doesn't heat at all, the thermistor could be the problem.

Repair difficulty
Time required
 30 minutes or less
August 1, 2014
By Lyle Weischwill
How to replace a dryer idler pulley

The idler pulley exerts pressure keeps the drive belt tight so it can rotate the drum. A worn idler pulley squeals or squeaks when the dryer is running. Follow these instructions to replace it.

Repair difficulty
Time required
 90 minutes or less

Articles and videos common to all dryers

Use the advice and tips in these articles and videos to get the most out of your dryer.

October 24, 2022

Easy DIY appliance repairs that anyone can do

By Lyle Weischwill

Get advice on simple DIY fixes for appliances that you can safely do on your own.

August 5, 2022

Introducing new technical repair content that we’re developing for the Sears Technical Institute

By Lyle Weischwill

Learn about Sears Technical Institute and the advanced technical content being developed for aspiring appliance techs.

January 4, 2022

How to replace a Maytag dryer heating element

By Lyle Weischwill

Learn how to replace a Maytag dryer heating element