GE
Electric Cooktop

Model #JP386B9R1BC Official GE counter unit

Here are the diagrams and repair parts for GE JP386B9R1BC counter unit, as well as links to manuals and error code tables, if available.

There are a couple of ways to find the part or diagram you need:

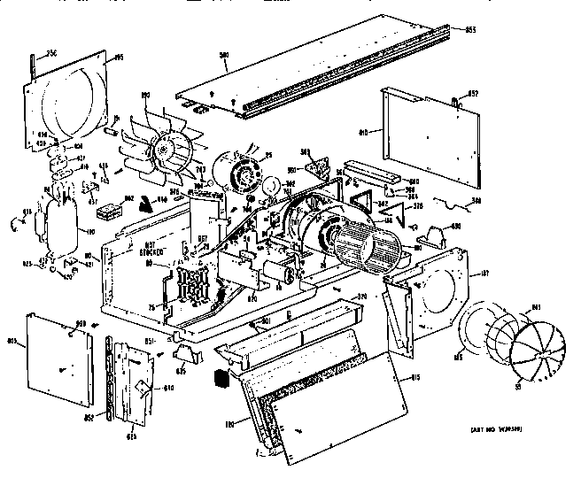
  • Click a diagram to see the parts shown on that diagram.
  • In the search box below, enter all or part of the part number or the part’s name.

Not all parts are shown on the diagrams—those parts are labeled NI, for “not illustrated”.

We encourage you to save the model to your profile, so it’s easy to access parts and manuals for your appliance whenever you log in.

For DIY troubleshooting advice and repair guides, visit our repair help section.

Error Codes

Showing 10 of 186 parts

Terminal Housing

#33

All parts Diagram

Terminal housing

Part #WB17X5096
In Stock
$175.39 | 
5% OFF 
Phone Price: $185.39
Gasket C.

#6

All parts Diagram

Gasket c.

Part #WB2X8131
In Stock
$25.74
Cooktop Indicator Light

#5

All parts Diagram

Indicator light

Part #WB2X8137
Replaced by #WB2X8420
?
Manufacturer substitution
This part replaces WB2X8137. Substitute parts can look different from the original.
In Stock
$25.09 | 
17% OFF 
Phone Price: $30.09
GROMMET COMPRESSOR MOUNT

#420

All parts Diagram

Grommet compressor mount

Part #WJ1X609

The manufacturer no longer makes this part, and there's no substitute part

Raceway

#620

All parts Diagram

Raceway

Part #WP79X07

The manufacturer no longer makes this part, and there's no substitute part

Terminal Cover

#407

All parts Diagram

Terminal cover

Part #WJ79X409

The manufacturer no longer makes this part, and there's no substitute part

INDOOR SCROLL ASSEMBLY

#186

All parts Diagram

Indoor scroll assembly

Part #WP76X01

The manufacturer no longer makes this part, and there's no substitute part

Shaft Damper

#364

All parts Diagram

Shaft damper

Part #WP14X02

The manufacturer no longer makes this part, and there's no substitute part

BRACKET COMPRESSOR MOUNT

#421

All parts Diagram

Bracket compressor mount

Part #WP66X01

The manufacturer no longer makes this part, and there's no substitute part

TERMINAL CAP

#406

All parts Diagram

Terminal cap

Part #WJ79X199

The manufacturer no longer makes this part, and there's no substitute part

Symptoms common to all cooktops

Choose a symptom to see related cooktop repairs.

Main causes: lack of electrical power, gas supply failure, bad pressure regulator, control system failure

Repair guides for electric cooktops

How to replace a coil surface element on an electric cooktop

Easily replace a coil surface element in 15 minutes or less by following these step-by-step instructions.

Repair difficulty
Time required
 15 minutes or less
November 20, 2014
By Lyle Weischwill
How to replace the glass top on an electric cooktop

Don't use a cracked or damage glass cooktop—replace it, using these instructions to guide you.

Repair difficulty
Time required
 30 minutes or less
How to replace a radiant element on an electric cooktop

Follow these step-by-step instructions to replace a damaged radiant element on your electric cooktop when the element won’t heat when it receives voltage from the control.

Repair difficulty
Time required
 45 minutes or less

Articles and videos common to all cooktops

Use the advice and tips in these articles and videos to get the most out of your cooktop.

November 12, 2022

5 Holiday Cleaning Tasks Essential to Boosting Your Home’s Image

By Lyle Weischwill

Get tips on completing essential holiday cleaning tasks to brighten your home.

August 19, 2022

Are DIY appliance repairs safe?

By Lyle Weischwill

Find out how to stay safe when repairing your appliances.

July 9, 2021

How to clean stainless steel appliances video

By Lyle Weischwill

Learn how to keep the stainless-steel appliances in your home clean and shining bright.