Kenmore
Washer

Model #11082440210 Official Kenmore washer

Here are the diagrams and repair parts for Kenmore 11082440210 washer, as well as links to manuals and error code tables, if available.

There are a couple of ways to find the part or diagram you need:

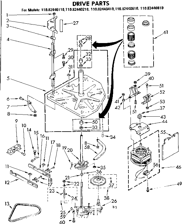
  • Click a diagram to see the parts shown on that diagram.
  • In the search box below, enter all or part of the part number or the part’s name.

Not all parts are shown on the diagrams—those parts are labeled NI, for “not illustrated”.

We encourage you to save the model to your profile, so it’s easy to access parts and manuals for your appliance whenever you log in.

For DIY troubleshooting advice and repair guides, visit our repair help section.

Showing 10 of 280 parts

Washer Agitator Bolt (replaces 358237)#15

Tub and basket parts Diagram

Washer agitator bolt

Part #358237
Replaced by #WP358237
?
Manufacturer substitution
This part replaces 358237. Substitute parts can look different from the original.
BEST SELLER
This item is not returnable
In Stock
$4.23 | 
19% OFF 
Phone Price: $5.23
Appliance Touch-Up Paint, 0.6-oz (White) (replaces 21020, 72017R, 8006, W10813125, Y058028)

#NI

All parts Diagram

In Stock
$8.29 | 
11% OFF 
Phone Price: $9.29
Washer Tub Seal (replaces 383727)#12

Tub and basket parts Diagram

Gasket

Part #96690
Replaced by #W10814296
?
Manufacturer substitution
This part replaces 96690. Substitute parts can look different from the original.
BEST SELLER
This item is not returnable
In Stock
$3.03 | 
28% OFF 
MSRP: $4.20
Washer Spanner Nut (replaces 21366)#18

Tub and basket parts Diagram

Washer spanner nut

Part #21366
Replaced by #WP21366
?
Manufacturer substitution
This part replaces 21366. Substitute parts can look different from the original.
BEST SELLER
This item is not returnable
In Stock
$6.49 | 
13% OFF 
Phone Price: $7.49
Washer Lid Bumper#14

Top and console parts Diagram

Bumper

Part #354241
Replaced by #WP9724509
?
Manufacturer substitution
This part replaces 354241. Substitute parts can look different from the original.
BEST SELLER
This item is not returnable
In Stock
$4.39 | 
19% OFF 
Phone Price: $5.39
Appliance Touch-Up Paint, 0.6-oz (Almond) (replaces 72107)

#NI

All parts Diagram

Appliance touch-up paint, 0.6-oz (almond)

Part #72107
Replaced by #WP72107
?
Manufacturer substitution
This part replaces 72107. Substitute parts can look different from the original.
BEST SELLER
This item is not returnable
In Stock
$5.39 | 
16% OFF 
Phone Price: $6.39
Washer Lid Hinge Bearing (replaces 21258)#13

Top and console parts Diagram

Washer lid hinge bearing

Part #21258
Replaced by #WP21258
?
Manufacturer substitution
This part replaces 21258. Substitute parts can look different from the original.
BEST SELLER
This item is not returnable
In Stock
$6.49 | 
13% OFF 
Phone Price: $7.49
Washer Lid Bumper#10

Top and console parts Diagram

Bumper

Part #354255
Replaced by #WP354255
?
Manufacturer substitution
This part replaces 354255. Substitute parts can look different from the original.
BEST SELLER
This item is not returnable
In Stock
$4.39 | 
19% OFF 
Phone Price: $5.39
Washer Basket Drive Tube Seal (replaces 356427)#18

Brake and clutch Diagram

Shaft seal

Part #356427
Replaced by #WP356427
?
Manufacturer substitution
This part replaces 356427. Substitute parts can look different from the original.
BEST SELLER
This item is not returnable
In Stock
$7.19 | 
12% OFF 
Phone Price: $8.19
Washer Cold/Hot Water Fill Hose, 6-ft#9

Cabinet parts Diagram

Hose assembly

Part #81339
Replaced by #WP76314
?
Manufacturer substitution
This part replaces 81339. Substitute parts can look different from the original.
BEST SELLER
In Stock
$25.89 | 
16% OFF 
Phone Price: $30.89

Symptoms common to all washers

Choose a symptom to see related washer repairs.

Main causes: leaky water inlet valve, faulty water-level pressure switch, bad electronic control board
Main causes: lack of electrical power, wiring failure, bad power cord, electronic control board failure, bad user interface board
Main causes: water heater failure, bad water temperature switch, faulty control board, bad water valve, faulty water temperature sensor
Main causes: unbalanced load, loose spanner nut, worn drive block, broken shock absorber or suspension spring, debris in drain pump
Main causes: broken lid switch or lid lock, bad pressure switch, broken shifter assembly, faulty control system
Main causes: clogged drain hose, house drain clogged, bad drain pump, water-level pressure switch failure, bad control board or timer
Main causes: worn agitator dogs, bad clutch, broken motor coupler, shifter assembly failure, broken door lock, suspension component failure
Main causes: no water supply, bad water valves, water-level pressure switch failure, control system failure, bad door lock or lid switch
Main causes: bad lid switch or door lock, bad timer or electronic control board, wiring failure, bad water inlet valve assembly

Articles and videos common to all washers

Use the advice and tips in these articles and videos to get the most out of your washer.

January 3, 2022

Why is my washing machine leaking when not in use?

Lyle Weischwill

Learn how to fix a washing machine leak

December 30, 2021

How to fix a washing machine

Lyle Weischwill

Learn how to fix your broken washing machine

April 10, 2020

Cleaning your appliances after a drinking water advisory

Wayne Archer

Find out how to clean and flush household appliances once a boil water advisory is lifted.