Roper
Electric Range

Model #FEP210VW3 Official Roper electric range

Here are the diagrams and repair parts for Roper FEP210VW3 electric range, as well as links to manuals and error code tables, if available.

There are a couple of ways to find the part or diagram you need:

  • Click a diagram to see the parts shown on that diagram.
  • In the search box below, enter all or part of the part number or the part’s name.

Not all parts are shown on the diagrams—those parts are labeled NI, for “not illustrated”.

We encourage you to save the model to your profile, so it’s easy to access parts and manuals for your appliance whenever you log in.

For DIY troubleshooting advice and repair guides, visit our repair help section.

Error Codes

Showing 10 of 92 parts

Range Oven Insulation

#NI

All parts Diagram

Insulation

Part #240132
Replaced by #WPW10208653
?
Manufacturer substitution
This part replaces 240132. Substitute parts can look different from the original.
BEST SELLER
In Stock
$39.47 | 
11% OFF 
Phone Price: $44.47
Range Oven Insulation

#NI

All parts Diagram

Insulation

Part #261514
Replaced by #WPW10208653
?
Manufacturer substitution
This part replaces 261514. Substitute parts can look different from the original.
BEST SELLER
In Stock
$39.47 | 
11% OFF 
Phone Price: $44.47
Baffle#7

Oven door Diagram

Baffle

Part #4157931

The manufacturer no longer makes this part, and there's no substitute part

Insulation#16

Oven door Diagram

Insulation

Part #4179320

The manufacturer no longer makes this part, and there's no substitute part

BURNER BOX, SCREW, 10-12 X 1/2 (3)

See All Related Diagrams

Burner box, screw, 10-12 x 1/2 (3)

Part #4157111

The manufacturer no longer makes this part, and there's no substitute part

Broil Pan#5

Internal oven Diagram

Broil pan

Part #4315095

The manufacturer no longer makes this part, and there's no substitute part

Almond#12B

Oven door Diagram

Almond

Part #4315506

The manufacturer no longer makes this part, and there's no substitute part

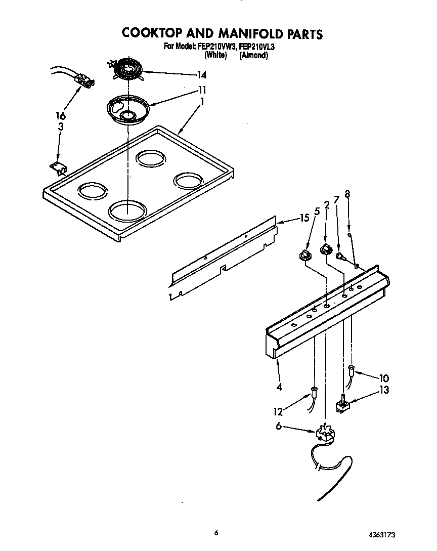
Switch Cover#15

Cooktop and manifold Diagram

Switch cover

Part #4157974

The manufacturer no longer makes this part, and there's no substitute part

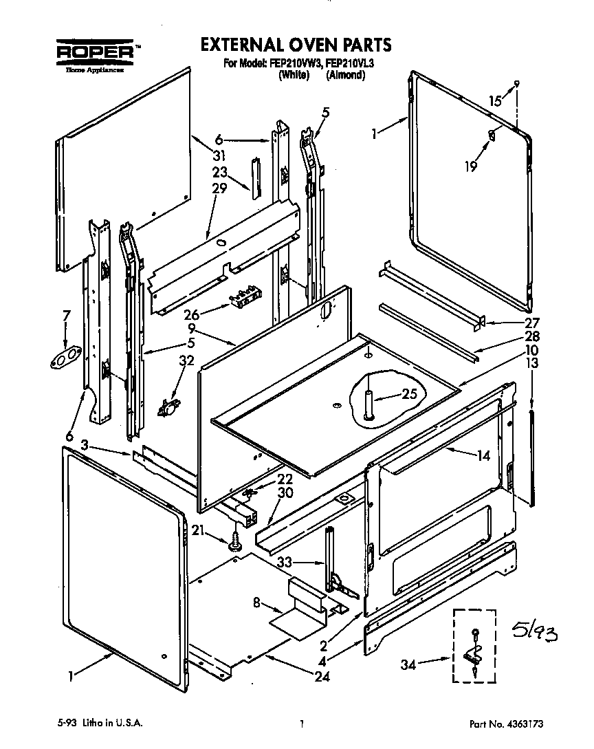
Support#28

External oven Diagram

Support

Part #4157965

The manufacturer no longer makes this part, and there's no substitute part

Support Rod#8

Cooktop and manifold Diagram

Support rod

Part #4157010

The manufacturer no longer makes this part, and there's no substitute part

Symptoms common to all ranges

Choose a symptom to see related range repairs.

Main causes: food splatters, spilling food on the oven door, allowing liquid to drip through oven door vent when cleaning the door
Main causes: power supply failure, blown thermal fuse, bad relay control board, damaged terminal block, wiring failure
Main causes: broken oven door lock assembly, wiring failure, electronic control board problem
Main causes: faulty temperature sensor, electronic control board problem, control thermostat failure, weak burner igniter, oven door problem
Main causes: broken broiler element, weak or broken broil burner igniter, control system failure, faulty temperature sensor, wiring failure
Main causes: power supply problem, control thermostat or electronic control board failure, broken element, bad burner igniter
Main causes: bad bake element, broken burner igniter, control system failure, blown thermal fuse, faulty temperature sensor, wiring failure

Repair guides common to all ranges

These step-by-step repair guides will help you safely fix what’s broken on your range.

July 20, 2018
By Lyle Weischwill
How to replace a range oven door switch

The oven door switch detects whether the oven door is closed and helps control the oven light. Replace the switch if it doesn’t control the oven light properly.

Repair difficulty
Time required
 30 minutes or less
February 20, 2015
By Lyle Weischwill
How to replace a range oven door lock assembly

Oven door not locking? You can replace the lock assembly in less than 30 minutes. Here's how.

Repair difficulty
Time required
 15 minutes or less

Articles and videos common to all ranges

Use the advice and tips in these articles and videos to get the most out of your range.

May 12, 2022

How to disassemble an Electrolux EW30 freestanding electric range

By Lyle Weischwill

See how to access control boards and oven components in an Electrolux electric range.

December 27, 2021

How does a self-cleaning oven work?

By Lyle Weischwill

Learn how the self-clean cycle works in an oven.

May 31, 2016

Oven door won't open: troubleshooting door lock problems on a range video

By Lyle Weischwill

Troubleshoot and repair problems with your range when your oven door locks shut and you can't get it open.