Kenmore
Mechanical Sewing Machine

Model #15813033 Official Kenmore sewing machine head

Here are the diagrams and repair parts for Kenmore 15813033 sewing machine head, as well as links to manuals and error code tables, if available.

There are a couple of ways to find the part or diagram you need:

  • Click a diagram to see the parts shown on that diagram.
  • In the search box below, enter all or part of the part number or the part’s name.

Not all parts are shown on the diagrams—those parts are labeled NI, for “not illustrated”.

We encourage you to save the model to your profile, so it’s easy to access parts and manuals for your appliance whenever you log in.

For DIY troubleshooting advice and repair guides, visit our repair help section.

Error Codes

Showing 10 of 284 parts

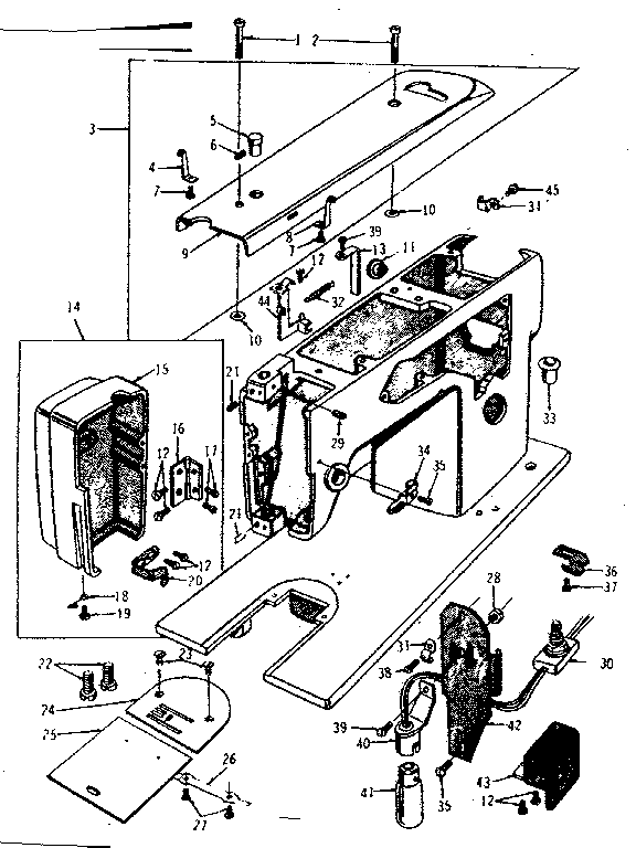
Plate Assembly#5

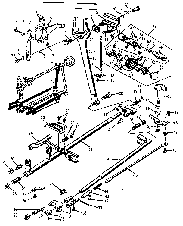
Zigzag guide assembly Diagram

Plate assembly

Part #32453

The manufacturer no longer makes this part, and there's no substitute part

Super Rod#3

Feed regulator assembly Diagram

Super rod

Part #31001

The manufacturer no longer makes this part, and there's no substitute part

Dial Shaft#12

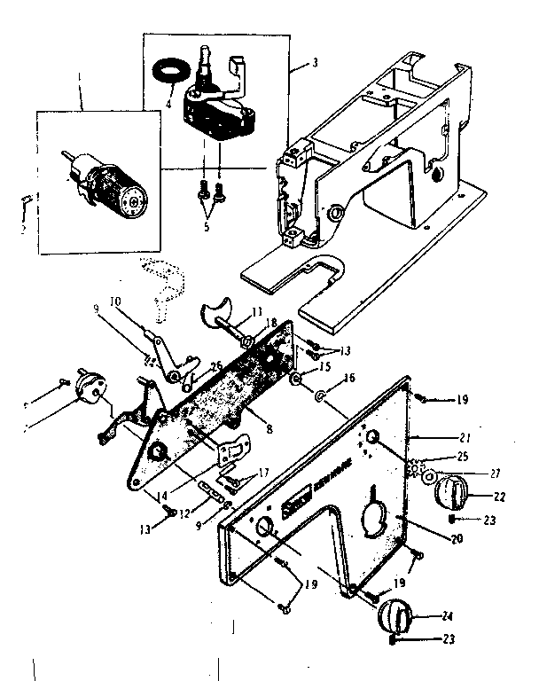
Selector dials Diagram

Dial shaft

Part #31018

The manufacturer no longer makes this part, and there's no substitute part

Dial Base#61

Feed regulator assembly Diagram

Dial base

Part #27170

The manufacturer no longer makes this part, and there's no substitute part

Change Plate#24

Zigzag guide assembly Diagram

Change plate

Part #30965

The manufacturer no longer makes this part, and there's no substitute part

Panel#21

Selector dials Diagram

Panel

Part #30992

The manufacturer no longer makes this part, and there's no substitute part

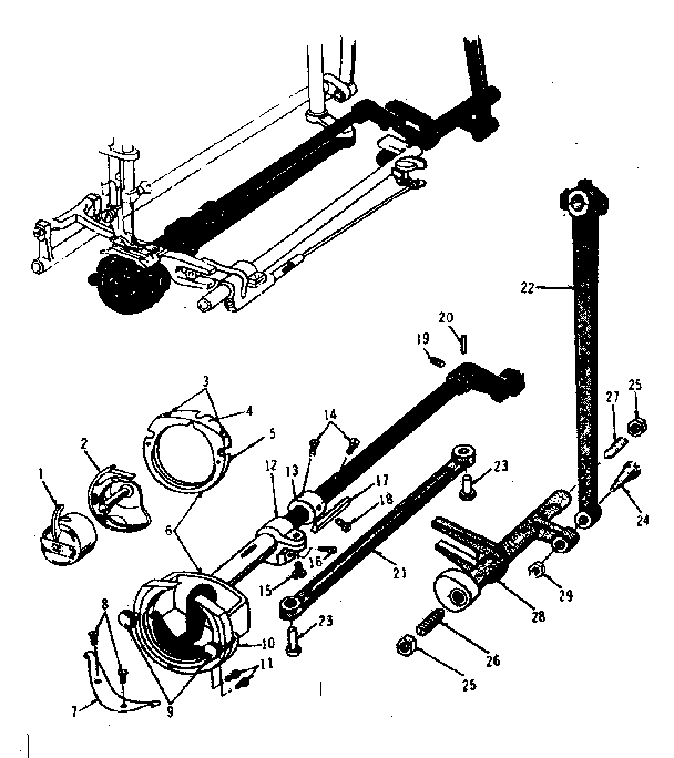
Connect Rod#22

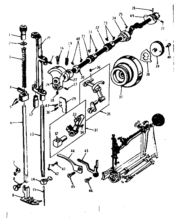
Shuttle assembly Diagram

Connect rod

Part #17490

The manufacturer no longer makes this part, and there's no substitute part

Stud#12

Feed regulator assembly Diagram

Stud

Part #17480

The manufacturer no longer makes this part, and there's no substitute part

Spring#47

Zigzag guide assembly Diagram

Spring

Part #8383

The manufacturer no longer makes this part, and there's no substitute part

Set Screw#23

Selector dials Diagram

Set screw

Part #983

The manufacturer no longer makes this part, and there's no substitute part

Symptoms common to all sewing machines

Choose a symptom to see related sewing machine repairs.

Main causes: dirty shuttle race, wrong thread tension, bad needle timing, damaged needle, using the wrong type of needle
Main causes: machine needs lubrication, internal gear failure
Main causes: dirty shuttle race, improper thread routing, incorrect thread tension
Main causes: lack of lubrication, lint buildup, worn drive belt, faulty drive motor
Main causes: problems with the feed dogs, setting stitch length to 0
Main causes: disengaged clutch, broken drive belt, internal drive gear failure
Main causes: thread bunched up in the shuttle race, bad needle timing, internal drive gear failures
Main causes: faulty foot pedal, locked drive gears, wiring failure, bad drive motor
Main causes: power supply failure, bad power cord, faulty On/Off switch

Repair guides common to all sewing machines

These step-by-step repair guides will help you safely fix what’s broken on your sewing machine.

April 1, 2015
By Lyle Weischwill
How to replace a sewing machine on/off switch

If the sewing machine is completely dead, replace the On/Off switch using these 6 steps.

Repair difficulty
Time required
 30 minutes or less
April 1, 2015
By Lyle Weischwill
How to replace a sewing machine drive belt

You can replace a broken sewing machine drive belt in about 15 minutes.

Repair difficulty
Time required
 15 minutes or less
April 1, 2015
By Lyle Weischwill
How to replace a sewing machine drive motor

If the drive motor on your sewing machine runs roughly or doesn't run at all, you can replace it in about 30 minutes using these simple steps.

Repair difficulty
Time required
 15 minutes or less

Articles and videos common to all sewing machines

Use the advice and tips in these articles and videos to get the most out of your sewing machine.

August 30, 2022

How to enjoy all the online benefits we offer on our Sears PartsDirect website

By Lyle Weischwill

Learn about all the convenient features on our Sears PartsDirect website that make your parts purchases easier.

June 29, 2022

Top questions about Sears and Sears PartsDirect

By Lyle Weischwill

Get answers to frequently asked questions about Sears and Sears PartsDirect.

January 18, 2016

How to use a multimeter to test electrical parts video

By Lyle Weischwill

Learn how to use a multimeter to check for wiring problems in an appliance that's not working